Guten Tag, bei meinem Schweißgerät (Elektra Beckum 200/35 ET turbo) sind bei der Demontage des Trafos/der Dioden manche Keramikisolatoren beim Öffnen der Schraubverbindung gesplittert/auseinandergebrochen. Ich habe bereits mit verschiedensten Suchbegriffen versucht auf google und eBay etwas passendes, bzw. ähnliches zu finden, was leider nur bis Innendurchmesser 8mm etwas ergeben hat. Wisst ihr wo ich so etwas finden könnte? Innendurchmesser d 10,8mm Außendurchmesser D 22mm Höhe h 10mm Die Maße können natürlich ein bisschen anders sein. d sollte aber 10,5mm nicht unterschreiten, D kann größer ausfallen und h ist relativ variabel. Danke für eure Hilfe! Güße Andi
Vulkanfiberscheiben (DIN 522) nehmen? Die sind bei dem Durchmesser meist 1,5mm dick.
Waren "Keramikhülsen" und "Isolierperlen" unter den Suchbegriffen? (Edit: Und Distanzhülse und Stützisolator?) Kann natürlich sein, daß man das in größer kaum noch braucht, weil zu zerbrechlich und dann modernere Materialien besser sind.
Wenn eine Zoohandlung in Deiner Nähe ist: https://aquarium-pluederhausen.de/O14x15mm-Keramik-Ringe-Aquarium-Filtermaterial-AQUACIL Das sind Keramik-Röhrchen zum Filtern aus der Aquaristik, könnten aber tatsächlich passen. Etwas unkonventionell, aber was soll's :-) DerSchmied
C. D. schrieb: > Keramik-Röhrchen zum Filtern aus der Aquaristik Die sind offenporig und hygroskopisch. Für DC-Isolation nicht geeignet.
H. H. schrieb: > Die sind offenporig und hygroskopisch. Für DC-Isolation nicht geeignet. GrummelMurmel... OK. Alternativ: https://www.ebay.de/itm/323859813051 Mit ner Drehbank wäre das in 10 Minuten geschehen.
C. D. schrieb: > Alternativ: > > https://www.ebay.de/itm/323859813051 > > Mit ner Drehbank wäre das in 10 Minuten geschehen. Pertiknax gibts auch als Rohr.
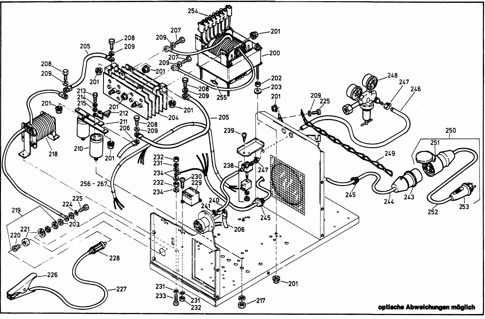
Wollvieh W. schrieb: > Waren "Keramikhülsen" und "Isolierperlen" unter den Suchbegriffen? > (Edit: Und Distanzhülse und Stützisolator?) > > Kann natürlich sein, daß man das in größer kaum noch braucht, weil zu > zerbrechlich und dann modernere Materialien besser sind. Ja, die Begriffe hab ich verwendet. Welche Matrialien werden dort heutzutage verwendet? Bis 1000°C Beständigkeit braucht man an dieser Stelle eh nicht. Vermutlich werden die Dioden bis max. 180°C heiß. Da würde theroetisch ein technischer Kunststoff wie "Peek" in Frage kommen, oder sogar ein rundgedrehte "Pertinax"-Platte. Im Gleichrichter sind die Dioden in 4er Paketen zusammengefasst und es werden daher insgesamt 24 Dioden verwendet (für die Drehstrom-Voll-Brücke). Gehalten wird alles durch Aluplatten. Das Bild im Anhang hat zwar eine schlechte Auflösung, aber man kann sich so besser vorstellen wie der Gleichrichter aufgebaut ist. Mein Gleichrichter sieht aber etwas anderst aus.
Beckum scheint mal eine eigene Keramikfabrik besessen zu haben so wie Tektronix sein Halbleiterwerk. :) Vermutlich wurde seit dem Mauerfall nirgendwo mehr so ein Keramikteil hergestellt. Bilder irgendwo im Netz geklaut. An den Stellen kann man doch Hartpappe oder zurechtgeschnittene Colaflaschen nehmen. :) Eternit geht auch, das kann man gut mit Feile und Bohrer bearbeiten. ;)
H. H. schrieb: > Teflonrohr: Warum wird "man" wohl Keramik für die Konstruktion verwendet haben ... ? Vielleicht damit nix schmilzt?
Wastl schrieb: > H. H. schrieb: >> Teflonrohr: > > Warum wird "man" wohl Keramik für die Konstruktion verwendet > haben ... ? Vielleicht damit nix schmilzt? Versuch mal Teflon zu schmelzen.
Wastl schrieb: > H. H. schrieb: >> Teflonrohr: > > Warum wird "man" wohl Keramik für die Konstruktion verwendet > haben ... ? Vielleicht damit nix schmilzt? Weil das bis in die 70er/80er das etablierte Mittel der Wahl war für billig, temperaturbeständig und isolierend. Aber seit den 80ern sind selbst in 10kV-Stationen die Isolatoren aus Plastik.
Wollvieh W. schrieb: > Aber seit den 80ern sind > selbst in 10kV-Stationen die Isolatoren aus Plastik. Aber sicherlich nicht aus Teflon. Viel zu weich ..... Ja, man kann heute viele temperaturstabile Plasten machen, siehe Verbrennungsmotoren.
Hab eine Explosionszeichnung gefunden (auf einer japanischen Seite in Rußland), offenbar ist Teil Nr. 209 die gesuchte Scheibe. Also womöglich hätte noch jemand die Ersatzteile. (Edit: Wenn ich genauer schaue, sind das wohl bloß Metallteile, und die Keramik sitzt schon am Gleichrichter.)
Wollvieh W. schrieb: > offenbar ist Teil Nr. 209 die gesuchte Scheibe. Offensichtlich nicht. Da gibt es nur den kompletten Gleichrichter als Nr. 204.
Das Teil wird bei 200A Schweissstrom schon gut heiß. Aber die Halbleiter werden sicher als Maximaltemperatur nur bis 180/200⁰C funktionstüchtig sein. Daher denk ich, dass Peek ausreichend sein wird. Peek ist ja ein hochtemperaturfester Kunststoff. Dieser ist Temperaturfest bis 240⁰C, kurzzeitigbis 300⁰C und der Schmelzpunkt liegt bei 340⁰C. PTFE (Teflon) hat den Schmelzpunkt auch bei 327⁰C, er ist aber nur bis 50⁰C formbeständig. Bei Peek sind es 150⁰C. Quelle: https://www.kern.de/de/technisches-datenblatt/polyetheretherketon-peek?n=1701_1 https://www.kern.de/de/technisches-datenblatt/polytetrafluorethylen-ptfe?n=1601_1
Ferritringkerne? Gibt es in allen Größen und sind elektrisch nicht leitend. https://www.ebay.de/itm/195672785398
Fliese ? Loch einschleifen, am Wasserschleifstein kleiner schleifen, oder Töpfern. Eventuell kann man auch Gips, Elektrikergips, oder besser Zement so formen. Faserverstärkt wäre gut, Glas wird ab ca 500°C leitend, Muschelgeld. Dann gibt es noch ein isoliermaterial das der Spanplatte ähnelt , zb in Nachtspeicherheizungen, leicht, bröckelig, glitzernd körnig, gelbbraun, ich glaube Glimmer ist da drin, wird manchmal als lose Füllung für Chemikalientransportbehälter benutzt. Und dann fiele mir noch ein, Schiefer und Speckstein. Leicht zu bearbeiten.
https://kn-electronic.de/randshop2_5/themes/kategorie/detail.php?artikelid=867&kategorieid=114 Durchmesser passt, aber ums doppelte zu lang. Man müsste jetzt nur noch jemand kennen der sowas: https://toom.de/p/fliesenschneidmaschine-classic-tc-tc-618/1490153 Sein Eigen nennt.
C. D. schrieb: > Durchmesser passt, aber ums doppelte zu lang. Naja, 10mm vs 16mm und 20mm vs 26mm. > https://toom.de/p/fliesenschneidmaschine-classic-tc-tc-618/1490153 Damit gibt das nur Bruch.
H. H. schrieb: > Damit gibt das nur Bruch. Nö, braucht nur Gefühl. Dat geht. Google mal nach Lufthammer, damit läßt sich eine Streichholzschachtel mit zwei Fingern gehalten genauso sachte zuschieben wie ein Axtkopf wie im Bilderbuch schmieden. Man muss nur wissen was man tut :-)
C. D. schrieb: > H. H. schrieb: >> Damit gibt das nur Bruch. > > Nö, braucht nur Gefühl. Dat geht. Es braucht eine Säge mit weniger Seiten- und Höhenschlag.
H. H. schrieb: > Es braucht eine Säge mit weniger Seiten- und Höhenschlag. Du hast doch die hübschen Scheiben weiter oben verlinkt, die gleichen letzte Ungenauigkeiten aus. Gräbt sich ein was sich eingraben will.
C. D. schrieb: > H. H. schrieb: >> Es braucht eine Säge mit weniger Seiten- und Höhenschlag. > > Du hast doch die hübschen Scheiben weiter oben verlinkt, die gleichen > letzte Ungenauigkeiten aus. Gräbt sich ein was sich eingraben will. Es geht darum, dass die Billigsäge so nur Bruch erzeugt.
H. H. schrieb: > Es geht darum, dass die Billigsäge so nur Bruch erzeugt. Hm. Dann nimmt man vorm ersten Schnitt eine Steinzeug-Fliese her und schruppt die Scheibe bis zum Rundlauf herunter. Aber stimmt schon, ab hier wird's absurd. Schade früher™ war das hier im Land Schüttgut, ohne Elektroindustrie aber mittlerweile nicht mehr verfügbar.
Nimm einfach Pom, das ist billig, leicht bearbeitbar und hält ebenso hohe Temperaturen aus. Peek jedenfalls willst du sicher nicht bezahlen.
Vielleicht einfach einen Ring einer Diazed oder Neozed Sicherung abschneiden. Mit Schutzbacken in Schraubstock gespannt dann mit Winkelschleifer und Diamantblatt uuuund ruhiger Hand.
H. H. schrieb: > Thomas R. schrieb: >> Ferritringkerne? > > Ziemlich spröde. Na dann eine Kombination aus Ferritring und Vulkanfiberscheibe. Die Ferritringe sind jedenfalls in fast exakt seiner Anforderung als Schüttgut lieferbar.
Bitte melde dich an um einen Beitrag zu schreiben. Anmeldung ist kostenlos und dauert nur eine Minute.
  
  Bestehender Account
  
  
  
  Schon ein Account bei Google/GoogleMail? Keine Anmeldung erforderlich!
Mit Google-Account einloggen
Mit Google-Account einloggen
  Noch kein Account? Hier anmelden.





 Thread beobachten
 Thread beobachten Seitenaufteilung abschalten
 Seitenaufteilung abschalten