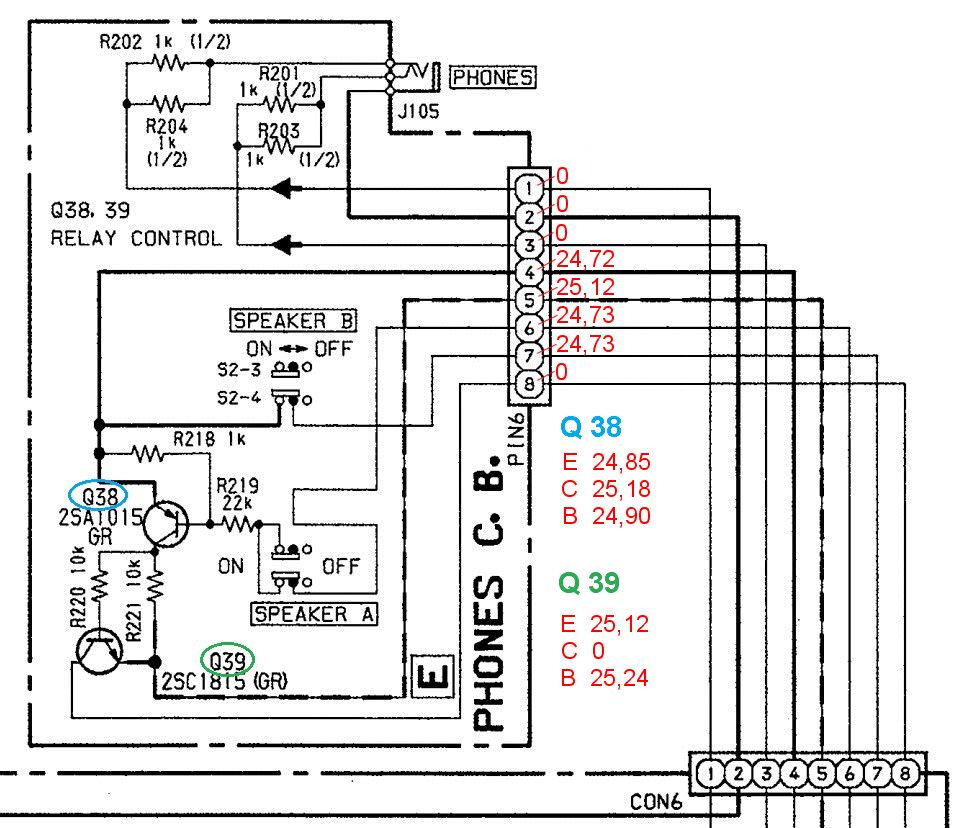
Hallo, liebe Forengemeinde! Folgendes Problem: Auf der Kopfhörerplatine meines Aiwa XA-950 (HiFi-Verstärker) wird vom C1815 keine Kollekterspannung generiert, und ich (Laie) kann auch nach x-tem Male des Nachmessens aller Bauteile und Leiterbahnen auf dieser winzigen Platine, keine Ursache dafür finden! Die Kollektorspannung von ca. -24 Volt, sollte - wenn vorhanden - auf die Hauptlatine zu einer Diode geführt werden, welche Parallel zum linken Lautsprecherrelais geschaltet ist und die zum Durchschalten des Relais benötigt wird. Ansonsten "scheint" kein Fehler an dem Verstäker vorzuliegen. Alle Bauteile die im Betrieb warm werden sollen werden warm, nicht heiß. Alle Funktionen die per Fernbedienung schaltbar sind, lassen sich schalten, bzw. regulieren (Lautstärke). Wenn ich Emitter u. Kollekter des 1815 kurzschließe, schaltet das Relais frei, und aus beiden Lautsprechern tönt unverzerrte Musik. Lediglich der betroffene linke Kanal spielt etwa 1/3 leiser als der rechte. Aus dem Kopfhörerausgang verbunden mit Kopfhörer, ertönt aber keine Musik. Was könnte die Ursache sein?? Bin für jede Idee/Vermutung/Hinweis dankbar! Gruß, klaus :-)
Klaus schrieb: > wird vom C1815 keine Kollekterspannung generiert Der C1815 ist ein 2SC1815 und nennt sich in deinem Plan Q39. Und natürlich kann der Q39 keine Spannung "generieren", sondern der sollte ziwchen C und E durchschalten, wenn seine Basisspanung um 0,6V positiver ist als seine Emitterspannung (weil dann wie bei npn eben ein Basisstrom fließt). Wenn du am Q39 nachmisst und die BE-Spannung groß genug ist, dann ist dieser Transistor defekt. Wenn die BE-Spannung zu klein ist dann ist der Fehler woanders. Damit die BE-Spannung am Q39 groß genug ist, muss der Q38 leiten. Dazu muss dessen Basis um 0,6V negativer sein als sein Emitter. Das ist offenbar nicht der Fall, laut deinen Eintragungen sind am Q38 lediglich -50mV. Das reicht nicht zum Durchschalten. Klaus schrieb: > Was könnte die Ursache sein?? Das Problem liegt also ausserhalb, weil an den Klemmenpins 4,6 und 7 jeweils die selbe Spannung anliegt. Dort müssten die Klemmen 6 und 7 negativer sein als die klemme 4, um den Q38 und nachfolgend den Q39 aufzusteuern.
Vielen Dank! Das mit dem "Basis muß 0,6V höher sein...", hatte ich mal gelesen, aber leider nicht als Wissen parat. Darauf werde ich also in Zukunft achten! Vor allem habe ich mich beim Lesen deiner Antwort daran erinnert, dass ich kürzlich eine 15V-Zenerdiode mit einer 16,irgendwas Volt Zenerdiode ersetzt habe. Leider habe ich gerade nix passendes da, werde vielleicht was testweise was mit vorgeschlatetem Widerstand probieren. Ansonsten halt warten bis die passende Zenerdiode da ist, die ich gleich bestellen werde. Also, recht herzlichen Dank, für deine erhellende Antwort! :-)
Michael W. schrieb: > Und 'n sauber beschriftetes Bild gab's nicht...? Sorry, wenn du die Krikkelschrift meinst, das habe ich mit der Maus geschrieben. Mit Tastaturbuchstaben einfügen ist das bei mir immer ein riesen Akt. :-(
Klaus schrieb: > Michael W. schrieb: >> Und 'n sauber beschriftetes Bild gab's nicht...? > > Sorry, wenn du die Krikkelschrift meinst, das habe ich mit der Maus > geschrieben. Das meinte ich - und genau so sieht es auch aus... > Mit Tastaturbuchstaben einfügen ist das bei mir immer ein > riesen Akt. :-( Alle 'Malprogramme', die ich kenne, haben eine Funktion 'zum Schreiben' - z.B. auch das Windows-eigene Paint. Erkennbar ist diese Funktion meistens am Großbuchstaben A Ich hab's mit PaintShopPro (Version 7.00) gemacht...
Klaus schrieb: > Danke, für den Tipp, ich gelobe Besserung! :-) Laß gut sein. Der hat nur Langeweile heut' ...
Hallo! Nochmal eine Frage in die Runde, wenn erlaubt. Widme mich gerade nochmal dem Verstärker, nachdem ich besagte Zenerdioden eingelötet habe, die heute endlich gekommen sind. Soweit kein Unterschied zu vorher. Was ich mich frage, ist, wie an der Basis eine 0,6 Volt höhere Spannung als am Emitter anliegen können, wenn Basis und Emitter quasi am gleichen Kollekter Tropf des Q38 hängen? Oder soll der 0,6 Volt Unterschied innerhalb des Transistors passieren? Der aktuell verbaute C1815 (Q39) stammt aus einem Denon Versärker und wurde vor Einbau getestet. Nachtrag: Den verbauten C1815 durch einen neuen getauscht und kein Unterschied. :-)
Klaus schrieb: > Was ich mich frage, ist, wie an der Basis eine 0,6 Volt höhere Spannung > als am Emitter anliegen können, wenn Basis und Emitter quasi am gleichen > Kollekter Tropf des Q38 hängen? Solange Q38 nicht durchschaltet, bleibt die B-E Spannung an Q39 unter 0.6V. Ergo...
Klaus schrieb: > Was ich mich frage, ist, wie an der Basis eine 0,6 Volt höhere Spannung > als am Emitter anliegen können, wenn Basis und Emitter quasi am gleichen > Kollekter Tropf des Q38 hängen? > Oder soll der 0,6 Volt Unterschied innerhalb des Transistors passieren? An R221 werden mehr als 0,6 Volt abfallen wenn Q38 durchschaltet! Daraus werden die 0,6 Volt für Q39 generiert R220 wirkt dabei nur als Strombegrenzung für den Basisstrom von Q39.
Falls es wen interessiert: Der Schuldige, der für das nicht Durchschalten des linken Lautsprecherrelay's verantwortlich war, ist gefunden! Es war der Transistor Q32, dessen Emitter u. Kollekter ich wohl beim Nachlöten kurzgeschlossen hatte. Ziemlich weit entfernt von der Stelle, die ich eigentlich in Verdacht hatte. Und aus dem Kopfhörerausgang ertönt jetzt auch wieder Musik. Geblieben ist jedoch der Lautstärkeunterschied - links einiges leiser als rechts. Da werde ich mich jetzt gleich mal ranmachen! @all Vielen Dank, für die wirklich ehellenden Beiträge! :-)
Bitte melde dich an um einen Beitrag zu schreiben. Anmeldung ist kostenlos und dauert nur eine Minute.
Bestehender Account
Schon ein Account bei Google/GoogleMail? Keine Anmeldung erforderlich!
Mit Google-Account einloggen
Mit Google-Account einloggen
Noch kein Account? Hier anmelden.




