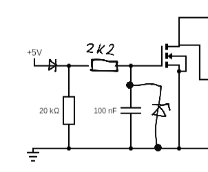
Hallo zusammen, ich bin neu in diesem Forum, bin auf dieses aber im Zuge meiner recherchen gestoßen. Hier zu meinem kleinen Projekt: Ich wohne in einer Wohnung, mit einem verhältnismäßig großem Flur. Leider führt dies dazu, dass wenn die Tür klingelt man diese auf der geringen maximalen Lautstärke in anderen Räumen nicht hört. Da die ganze Wohnung mit Alexas voll steht und diese auch mit meinem Home Assistant gekoppelt sind, dachte ich, dass man hier sicherlich eine Verknüpfung herstellen kann. Daher habe ich mir einen Shelly Uni zugelegt. Dieser hat mir aus zwei Grüden nicht gefallen: 1. Er wurde brüllend heiß 2. Die WLAN Verbindung war sehr schwach Daher dachte ich mir: Mensch, im Studium hast du doch selber mal mit Arduinos Signale und co. abgegriffen. Allerdings ist dies alles schon über 8 Jahre her und wollte über meine Planung noch einmal Experten schauen lassen. Ggf. habe ich hier ja etwas grundlegendes übersehen. Hier einige Randdaten: - Klingelanlage: Ritto 17230/0 (siehe Foto von Platine) - Mikrocontroller: ESP32 (da ESPHome Integration in HA) - Spannungsversorgung von ESP32 extern über 5Volt USB Adapter, da die Platine m.E. nicht viel Strom aufbringen kann. Als ich den Shelly Uni als Zusatzverbraucher auf die Platine gelegt habe, konnte ich beispielsweise den Türöffner nicht mehr nutzen. Bisheriges Vorgehen: 1. Recherche zur Platine: Es gibt andere Modelle von Ritto die im Internet schon einmal thematisiert wurden, jedoch nicht die meinige. Daher habe ich die Gute mal durchgemessen. Dabei ist mir aufgefallen, dass der PIN 6 bei dem Fall des Klingelns auf 5Volt hochspringt und nach einigen Sekunden wieder abfällt. Außerdem konnte ich GND ausfindig machen (PIN5). (Siehe Foto) 2. Ich will nach Möglichkeit nicht an der Platine löten. Daher habe ich bereits eine Stecklösung gefunden. 3. Ich habe einen Schaltplan entwickelt. Dieser ist angehängt. Hier meine Erklärung diesbezüglich: Im Normallfall liegen 0 Volt zu GND an: Der MOSFET sperrt, da weniger als Spannung als der Schwellwert anliegen, durch den Pull-Down Widerstand habe ich 0Volt anliegen. Der Pull-Up Widerstand auf der ESP32 Seite führt dazu, dass auf dem GPIO 3,3 Volt anliegen und somit ein HIGH Wenn es klingelt liegen 5 Volt zu GND an: Der MOSFET macht auf, und zwischen Drain und Source liegt eine Verbindung vor. Dadurch liegt über GND 0 Volt an dem GPIO und somit ein LOW an. - Der Kondensator dient als Prellschutz und als Tiefpassfilter - Den Pull-Down Widerstand habe ich mit 20kOhm bewertet um den Strom von der Platine nicht überzustrapazieren - Die Massen muss ich für einen Stromfluss verbinden - Als MOSFET würde ich gerne einen 2N7002 nutzen Nun die Frage an die Profis: Habe ich etwas wesentliches übersehen? Besten Gruß Okki :-)
Hallo, es ist das übliche Problem mit Fragen dieser Art (ich mache denselben Fehler auch immer wieder). WAS WILLST DU? Also, du hast diese Ritto-Klingel und einen ESP32 (auf welchem Board?). Du willst das Signal beim Klingeln abgreifen. Soweit habe ich es noch verstanden. Nachdem du ja schon ausgiebig beschrieben hast, welche Pegel an der Klingel wo anliegen, wo ist jetzt genau das Problem? Bzw eben WAS WILLST DU denn genau machen? Weil, wenn du nur willst, dass das Klingeln in einem anderen Raum hörbar ist, brauchst du das ganze Gedöns ja nicht. Da greifst du das Klingel-Signal (wie du sagtest, 5V) ab, ziehst eine Leitung durch die Bude und hängst am anderen Ende eine einfache Schaltung und einen Piezo-Piepser dran. Du erzählst was von Alexas? Was haben die damit zu tun? Also, komm auf den Punkt und sag, WAS DU WILLST! Nochmal, nicht böse gemeint, ist aber oft hier so. Und wenn man nicht weiß, was das Ziel des Projekts ist, ists schwer, irgendwie was Brauchbares beizutragen.
Falko schrieb: > Der Kondensator dient als Prellschutz und als Tiefpassfilter Ein Tiefpassfilter wird es erst, wenn noch ein 2k2 vor den 100n geschaltet wird!
Carsten P. schrieb: >Und wenn man nicht > weiß, was das Ziel des Projekts ist, ists schwer, irgendwie was > Brauchbares beizutragen. Hallo Carsten, danke für die Antwort. Nach dem erneuten Lesen meines Beitrages wurde mir bewusst, dass das Ziel tatsächlich nicht deutlich beschrieben ist. Ziel: Ich will das Klingelsignal über einen "ESP-WROOM-32 Entwicklungsboard,ESP-32S Modul mit CP2102 Chip" von meiner Ritto-Klingel abgreifen. Dieses soll dann anschließend per W-Lan an meinen Home Assistent Server weitergegeben werden (dafür würde ich dann die Integration ESP Home nutzen). Dieser hat wiederum eine direkte Anbindung zu meinen Alexas, welche dann zeitgleich und in allen Räumen klingeln und ggf. etwas sagen wie: "Es klingelt an der Tür". Zudem soll in Home Assistent dann protokolliert werden wann die Klingel betätigt wurde. Zu dem Piezo-Element: Das wäre sicherlich auch einen Versuch wert. Allerdings verliere ich somit die Möglichkeit zu protokollieren wann die Türklingel betätigt wurde. Zudem würde ich gerne diese Schnittstelle zu Home Assistent schaffen :-) Gruß Falko
Marcel V. schrieb: > Ein Tiefpassfilter wird es erst, wenn noch ein 2k2 vor den 100n > geschaltet wird! Hallo Marcel, danke für diesen Hinweis! Natürlich hast du da recht. Aktuell hätte ich keinen Tiefpassfilter drin. Wie kommst du auf den 2k2 Widerstand? Ist das ein Erfahrungswert? Wenn ich mich recht erinnere bildet sich die Zeitkonstante wie folgt: T = R*C = 2200*100 * 10^-9 = 220 Mikrosekunden Die Eckfrequenz: F = (1/2Pi*R*C) = 723HZ Mir fehlt hier leider ein wenig die Erfahrung. Von den Werten her würde ich sagen, dass es passt, da die 5Volt für mich beim Durchmessen ja sichtbar waren und somit vermutlich etwas länger anstehen. Allerdings habe ich kein Oszilokop genutzt. Gruß Falko
Falko schrieb: > Wenn ich mich recht erinnere bildet sich die Zeitkonstante wie folgt: > T = RC = 2200100 * 10^-9 = 220 Mikrosekunden Wenn der 5V Eingang über einen Schaltkontakt angesteuert wird, dann sind es sogar 2,2ms und nach 5 Tau sogar 11ms, weil sich der 100nF auch noch über den 20k entladen muss. 1k und 470nF sind auch ok. Es soll ja nur das Kontaktprellen unterdrückt werden. Der Widerstand schützt die Relaiskontakte nur vor Abnutzungserscheinungen. Falko schrieb: > da die 5Volt für mich beim Durchmessen ja sichtbar waren Kommt das Signal wirklich von einer stabilen 5V DC Quelle über einen Relaiskontakt, oder sind das womöglich die direkten 8V / 50Hz Wechselspannung vom Klingeltrafo, die durch die Klingellast einfach nur auf 5V zusammenbrechen?
Marcel V. schrieb: > Wenn der 5V Eingang über einen Schaltkontakt angesteuert wird, dann sind > es sogar 2,2ms und nach 5 Tau sogar 11ms, weil sich der 100nF auch noch > über den 20k entladen muss. Bei meiner Rechnung habe ich tatsächlich den Pull-Down-Widerstand vergessen. Am Schluss landen wir somit bei 2.2ms. Das schätze ich tut es :-) Marcel V. schrieb: > Kommt das Signal wirklich von einer stabilen 5V DC Quelle über einen > Relaiskontakt, oder sind das womöglich die direkten 8V / 50Hz > Wechselspannung vom Klingeltrafo, die durch die Klingellast einfach nur > auf 5V zusammenbrechen? Also Ritto nutzt für die Kommunikation zwischen Trafo und Klingel einen sogenannten TWINBUS. Dabei handelt es sich um ein proprietäres Protokoll. Der Bus überträgt über zwei Drähte die Kommunikation und speist ca. 24VDC auf die Platine. Daher gehe ich davon aus, dass wir hier tatsächlich eine Gleichspannung vorliegen haben. Ob die Quelle stabil ist, ist mal dahingestellt ;-). Auf meinem Multimeter konnte ich beim Klingeln sehen, dass sich die Spannung auf ca. 4.91VDC aufbaut und dann langsam wieder abfällt. Aber dies sollte doch ausreichen um das Signal für meinen MOSFET zu missbrauchen, oder? Schon mal vielen Dank für deinen Input! Gruß Falko
Falko schrieb: > dass sich die Spannung auf ca. 4.91VDC aufbaut und dann langsam wieder > abfällt. Aber dies sollte doch ausreichen um das Signal für meinen > MOSFET zu missbrauchen, oder? Dieses arithmetisch gemittelte Datensignal kann alle möglichen Spannungen haben. Im Extremfall sogar die genannten 24V. Ein Oszilloskop würde da Klarheit schaffen. Ohne Oszilloskop könnte man rein prophylaktisch einen Spitzenwertdetektor mit vorgeschalteter Diode verwenden und zum Schutz parallel zum Gate noch eine 10V Z-Diode schalten.
Marcel V. schrieb: > Ohne Oszilloskop könnte man rein prophylaktisch einen > Spitzenwertdetektor mit vorgeschalteter Diode verwenden und zum Schutz > parallel zum Gate noch eine 10V Z-Diode schalten. Soweit habe ich natürlich nicht gedacht... Also hat es sich schon gelohnt das Projekt hier mal vorzustellen :-) Also dann wie folgt: Shottky-Diode: BAT54 Durchlassspannung (VF): ca. 0,25–0,45 V (bei niedrigen Strömen) Max. Sperrspannung: 30 V Max. Strom: 200 mA Zenner-Diode: BZX55C10 Zenerspannung: 10 V (bei 5 mA) Toleranz: ±5 % Maximaler Strom: ca. 90 mA Leistung: 0,5 W Dementsprechen habe ich den Vorwiderstand RZ auf 2kOhm ausgelegt, sodass bei 10 Volt genau 5mA anstehen. MOSFET: 2N7002 Drain-Source-Spannung : 60 V Gate-Source-Spannung : ±20 V Maximaler Drain-Strom: 115 mA (kontinuierlich, bei VGS=10 VVGS=10V) 800 mA (Pulsbetrieb) Leistung: 300 mW Durchlasswiderstand: Typisch 5 Ω bei VGS=4.5 VVGS=4.5V und ID=500 mAID=500mA. Typisch 2 Ω bei VGS=10 VVGS=10V. Damit könnte ich es mal versuchen, oder?
Den 2k Vorwiderstand RZ vor der Z-Diode solltest du weglassen, denn du willst ja das Gate vor Überspannung schützen! Sonst bilden RV und RZ einen Spannungsteiler und die daran abfallende Spannung wird dann noch oben auf die 10V Z-Spannung draufgepackt. Dein Gate hält aber nur max. 18V aus. Da solltest du mit der Spannung drunter bleiben! Z-Diode immer direkt parallel zur GS-Strecke!
Wird denn der ESP extern oder von der Ritto-Anlage gespeist? Die ESP vertragen an den Eingängen max 3.6 Volt. Falls extern, würde ich einen Optokoppler nehmen: die LED mit Vorwiderstand von der Klemme KL2 der Ritto ansteuern und den Transistor des OK an den Eingang des ESP hängen, von letzterem noch Pullup zu 3v3.
Du willst Ritto 1764600 kaufen oder dir dreisterweise die 0815-Schaltung abschauen ;), dann kannst du potentialfrei und ohne den Bus zu stören mit ESP & Co. weiterbasteln. https://www.se.com/de/de/product/1764600/rufanschaltrelais-rufanschaltrelais/
:
Bearbeitet durch User
Bitte melde dich an um einen Beitrag zu schreiben. Anmeldung ist kostenlos und dauert nur eine Minute.
Bestehender Account
Schon ein Account bei Google/GoogleMail? Keine Anmeldung erforderlich!
Mit Google-Account einloggen
Mit Google-Account einloggen
Noch kein Account? Hier anmelden.




