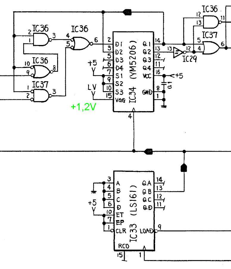
Ich suche das/ein Datenblatt zum IC YM5206 von Yamaha (steckt im DX1). Ist zufällig hier im Forum jemand dessen habhaft und willens, es mir zukommen zu lassen? In meiner Version des Yamaha IC Data Book ist es leider nicht aufgeführt...
Es gibt neben Gnd und 5V als dritte Spannung +1,2V an Vgg. Da Ein- und Ausgang TTL sind, macht ein Level Shifter keinen Sinn. Da die drei Schaltereingänge alle fest auf high liegen, macht auch eine Schaltfunktion keinen Sinn. Man muss also mit high an S1-3 irgendwas eingestellt haben, was mit dem Signal passiert. Schon mal mit dem Oszi Ein- und Ausgang verglichen, ob sich irgendeine Signalsteilheit verändert, oder Flanke verzögert wird, vielleicht auch asymmetrisch oder abhängig von Nachbarpegel? Gibt es IC Bilder? Vielleich stammt der gar nicht von Yamaha. Oder die Bezeichnung ist falsch... (bei IC33 stimmt z.B. die CLK Pinnummer nicht)
Wolf17 schrieb: > Es gibt neben Gnd und 5V als dritte Spannung +1,2V an Vgg. Das ist der Grund für die Anfrage - im Schaltplan (den ich gerade aufhübsche) des DX1 sind bei IC66 & 67 für VCC +1.5V angegeben statt +5V - ich halte das jedoch für Schreibfehler, die ich dann gern (auf +5V) korrigieren würde... > Bezeichnung ist falsch... (bei IC33 stimmt z.B. die CLK Pinnummer nicht) Danke, guter Hinweis 👍 - auch das werde ich, wenn ich dann an diesem Schaltungsteil zugange bin, korrigieren.
Bitte melde dich an um einen Beitrag zu schreiben. Anmeldung ist kostenlos und dauert nur eine Minute.
Bestehender Account
Schon ein Account bei Google/GoogleMail? Keine Anmeldung erforderlich!
Mit Google-Account einloggen
Mit Google-Account einloggen
Noch kein Account? Hier anmelden.
