Hallo zusammen, ich simuliere grade eine einfach Lüftersteuerung für ein analoges Netzteil, bei dem ich auf eine direkte PWM-Lüftersteuerung verzichten wollte. Mein Ansatz: µC -> 3.3V PWM -> RC-Filter -> Opamp -> MOSFET -> Lüfter (12V, 2W) Da ich inzwischen auf mehrere Lösungen im Netz gestoßen bin, bin ich mir nicht mehr sicher, wie ich den Opamp am sinnvollsten beschalte bzw. in welchem Modus der betrieben werden muss. Vielleicht hat jemand von euch einen guten Vorschlag oder Beispiel, wie so etwas richtig funktioniert. Viele Grüße
Eingesetzt wird ein Raspberry Pico 2, damit wäre ein PWM-Frequenz von 10kHz bis 10Mhz wohl problemlos einstellbar. Also nicht vorgegeben, wenn ich die Frage richtig verstanden habe. Auch die Polarität kann bei Bedarf invertiert werden.
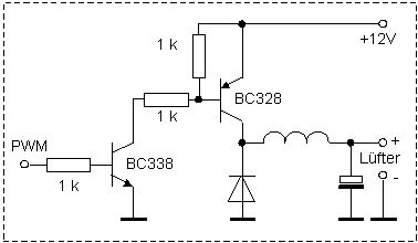
Dann bau das wie einen Schaltregler auf, kleiner MOSFET für 3V Ansteuerung, Spule, Diode und Kondensator.
An eine Buck-Lösung, wie im Link dargestellt, hatte ich auch schon gedacht. Die Frage bleibt aber für mich, in wie weit sich dabei Störungen auf den Rest der analogen Netzteil-Schaltung übertragen können. Der Pico 2 sitzt zusammen mit der Lüftersteuerung, dem Display und der Bedinung auf einer galvanisch getrennten (I2C Übertrager) Platine. https://www.sprut.de/electronic/pic/projekte/luefter/luefter.htm edit: Das zweite Bild ist natürlich gemeint
:
Bearbeitet durch User
Bastian K. schrieb: > wie ich den Opamp am sinnvollsten beschalte C3 ist fatal, macht einen Oszillator draus. Warum analog linear ? Mach PWM auf 12V und glätte den Strom zum Lüfter mit einer Spule. Lüfter buck oder ähnlich.
Bastian K. schrieb: > Die Frage bleibt aber für mich, in wie weit sich dabei Störungen auf den > Rest der analogen Netzteil-Schaltung übertragen können. Einfach richtig aufbauen, dann stört das weniger als der Rest. http://www.lothar-miller.de/s9y/archives/46-EMV-Optimiertes-Schaltreglerlayout.html
Bitte melde dich an um einen Beitrag zu schreiben. Anmeldung ist kostenlos und dauert nur eine Minute.
Bestehender Account
Schon ein Account bei Google/GoogleMail? Keine Anmeldung erforderlich!
Mit Google-Account einloggen
Mit Google-Account einloggen
Noch kein Account? Hier anmelden.


