Die Bauteilindustrie zeigte sich im März aktiv: sowohl im Bereich der passiven als auch im Bereich der aktiven Komponenten gibt es Neuigkeiten. Wer einen LED-Treiber mit integriertem Boostkonverter nützlich findet oder mit USB-zu-Seriell-Wandlern experimentiert, darf sich auf Spielzeug freuen. Was es sonst Neues gibt, verrät wie immer unser Round-Up.
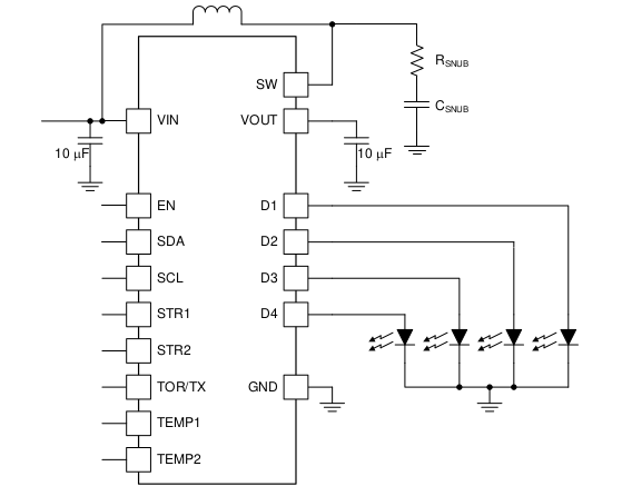
Texas Instruments LM3645 - LED-Treiber mit integriertem Boost-Konverter.
Die in Smartphones verbauten Blitz-LEDs benötigen nicht unerhebliche Energiemengen - außerdem sind die geforderten Spannungsniveaus oft über dem, was eine müde Batterie zu leisten vermag. Mit dem mit dem Host über ein I2C-Interface kommunizierenden LM3645 schickt Texas Instruments nun ein Bauteil ins Rennen, das den für die Spannungsgenerierung notwendigen Boostkonverter und den eigentlichen LED-Konstantstromtreiber in einem Schaltkreis kombiniert.

Bildquelle: Texas Instruments.
Murata GGM - wasserabweisende MLCC-Kondensatoren.
MLCC-Kondensatoren aus dem Hause Murata sind unter anderem als „Quelle“ für die MLCC-Krise bekannt, die die Elektronikerschaft vor einigen Jahren fest im Griff hatte. Mit der im 1206-Gehäuse vorliegenden GGM-Serie schickt Murata nun einige Kondensatoren ins Rennen, die dank Oberflächenbeschichtung das Absetzen von Kondenswassertropfen auf dem Körper des Kondensators zu verhindern wissen - eine insbesondere im Automotivebereich wünschenswerte Vorgehensweise:
1 |
This specification is applied to Water Repellent Chip Multilayer Ceramic Capacitors used for Automotive Electronic equipment. |
2 |
Please be sure to check the water repellency effect in the actual usage environment and actual machine, as the water repellency will decrease in a high temperature |
3 |
environment for a long time. |
4 |
This product is applied for Only Reflow Soldering. |
Zu beachten ist, dass die Familie zum Zeitpunkt der Drucklegung nur aus zwei Mitgliedern besteht - beide haben eine Arbeitsspannung von 6,3 VDC, die Kapazität beträgt entweder 22 oder 47 µF.
NXP NTM88 - Mikrocontroller-Sensor-Kombination für Reifendrucksensoren.
Fahrzeuge mit Reifendrucksensor sind heute keine wirkliche technische Neuerung. Mit der NTM88-Familie bietet NXP eine Gruppe von Bauteilen an, die einen Achtbit-Mikrocontroller, einen Drucksensor, ein Akzelerometer und ein Funkmodul in ein Gehäuse bannen.

Bildquelle: NXP.
Zu beachten ist, dass NXP das Produkt in mehreren Varianten anbietet - die „Variantenvielfalt“ ermöglicht dem Designer die Auswahl des Sensors, der zum vorliegenden Zielreifendruck am Besten passt.
Toshiba TMPM4K4-Mikrocontroller mit umfangreichen Selbsttestfähigkeiten
Wer an Mikrocontroller-Hersteller denkt, denkt normalerweise nicht sofort an Toshiba. Mit dem TMPM4K4 möchten die Japaner dies ändern - es handelt sich dabei um eine MCU, die für verschiedene sicherheitskritische Aufgaben, beispielsweise die Motorsteuerung vorgesehen ist. Als Rechenkern kommt dabei ein ARM Cortex M4-Chip samt FPU zum Einsatz, der Flashspeicher ist entweder 128 oder 256 kB groß. Im Bereich der funktionalen Sicherheit ist unter anderem der RAM-Paritätschecker interessant, der im Datenblatt wie in der Abbildung gezeigt beschrieben wird.

Bildquelle: Toshiba.
Preislich ist der Controller dabei - wie in der Preisanalyse gezeigt - durchaus attraktiv.

Bildquelle: https://www.oemsecrets.com/compare/TMPM4K4FYBUG
BrainBoxes PE-515 - Gigabitethernetrouter als Bausatz
Gigabit-Ethernetrouter braucht man immer wieder als Turnkey-Komponente, die in einem höherwertigen Embeddedsystem verbaut wird. Im Hause BrainBoxes hat man sich ganz dieser Aufgabe verschrieben - das neueste Produkt realisiert, wie in der Abbildung gezeigt, einen rund kreditkartengroßen Gigabit-Ethernet-Switch mit fünf Ports.

Bildquelle: BrainBoxes.
Zwecks einfacherem Evaluation steht mit dem Brainboxes PE-415 auch ein Evaluationsboard zur Verfügung, dass nach Einstecken eines der Switch-Karten einen vollwertigen Ethernetswitch realisiert.
Silicon Labs CP2102C - neuer USB-Serial-Wandler.
Die 21xx-Serie aus dem Hause Silicon Labs schaffte es in der Vergangenheit, FTDI Marktanteile abzunehmen. Mit dem CP2102C steht eine neue Variante des Systems zur Verfügung, die sich - im Allgemeinen - so verhält, wie es der Designer von den Vorgängervarianten erwartet. Die Kontinuität betont Silicon Labs auch anderswo. Unter der URL https://www.silabs.com/documents/public/application-notes/an1505-cp2101-2-3-4-9-2n-to-cp2102c-porting-guide.pdf findet sich beispielsweise eine Application Note, die von Vorgänger-Modellen umsteigenden Designern bei den (eher minimalen) Anpassungen im Bereich der Schaltung assistiert. Unter der SKU CP2102C-MINIEK bietet Silicon Labs dann außerdem ein Evaluationsboard an, das in einem Arduino Nano-ähnlichen Formfaktor die Inbetriebnahme und Evaluation des USB-Seriell-Wandlers erleichtert.
Analog Devices ADL8122-EVAL1Z - schlüsselfertiger LNA für den Frequenzbereich von 10 kHz bis 10 GHz.
Analog Devices bietet mit dem ADL8122 einen durchaus flexiblen LNA-Chip an. Wer für eine kleine Serie nur einige wenige fertige LNAs benötigt, kann auch auf das eigentlich als Evaluationsboard vorgesehene ADL8122-EVAL1Z setzen. An der Platine ist unter anderem hervorzuheben, dass sie SMA-Steckverbinder bietet und für den Temperaturbereich -55 °C bis +125 °C zertifiziert ist. Andererseits lässt sich Analog Devices das aus Rogers-Platinenmaterial aufgebaute Board durchaus gut bezahlen. Da es zum rohen Chip überhaupt keine öffentlichen Preisinformationen gibt, ist ein Vergleich des “Aufpreises” vergleichsweise schwierig.
Wiznet: vorprogrammierbare Varianten der Mikrocontroller zwecks einfacherer Nutzbarkeit.
Auf der EmbeddedWorld - wir berichteten unter Beitrag "EmbeddedWorld 2025, Tag 1 – im Namen des Mikrocontrollers" - stellte Wiznet verschiedene Kombinationsmikrocontroller vor, die neben der bekannten und sehr leistungsfähigen hauseigenen TCP-Offload-Engine auch eine „Generic Compute“ -Engine mitbrachten. Bei der Entwicklerschaft scheint dies nicht unbedingt beliebt zu sein, nutzen doch viele Entwickler die Wiznet-Chips als UART-Ethernet-Brücke. Mit dem W55RP20-S2E steht nun eine vorprogrammierte Variante des RP2040-Kombinationscontrollers zur Verfügung, deren mitgelieferte Firmware diesen Standard-Anwendungsfall abzudecken sucht. Bei der Nutzung dieses Chips erspart man sich - logischerweise - die sonst notwendige Programmierung jedes einzelnen Boards mit der UART-Firmware. Unter der SKU W232N bietet man außerdem eine für die Hutschienenmontage vorgesehene Variante der hauseigenen Chips vor, die für den industriellen Einsatz vorgesehen ist. Weitere Spezifikationen zum in Hunderter-Stückzahlen rund € 53 kostenden Produkt finden sich in der Abbildung.

Bildquelle: Wiznet.
Rosenberger RoProxCon - 60 GHz-Funkmodul mit bis zu 3.125Gbit/s Übertragungsgeschwindigkeit.
Wer Daten über sehr kurze Strecken berührungslos und mit sehr hoher Geschwindigkeit übertragen muss, sollte sich die von Rosenberger entwickelte RoProxCon-Technologie näher ansehen.

Bildquelle: Rosenberger.
Hervorzuheben ist die sehr hohe Übertragungsgeschwindigkeit, die sich wie in der folgenden Abbildung gezeigt präsentiert.

Bildquelle: Rosenberger.
Für das in Hunderter-Stückzahlen rund € 90 kostende Funkmodul gibt es außerdem ein Evaluationsboard, das die „Inbetriebnahme“ erleichtert.
STMicroelectronics STEVAL-ROBKIT1-Evaluationssystem für Zweiradroboter.
Nachdem STMicroelectronics bereits seit einiger Zeit ein „Starter Kit“ für die Drohnenentwicklung anbietet, folgt nun eine Variante für „Tracked Vehicles“. Das auf einem STM32H basierende Board präsentiert sich dabei wie in der Abbildung gezeigt.

Bildquelle: STMicroelectronics.
Intention des Produkts ist - wie immer - die Befähigung von Roboterdesignern, noch während der Hardwareentwicklung mit dem Design der Software zu bedienen.
NXP FRDM i.MX 91-Evaluationsboard für Applikationsprozessor.
Im Hause NXP steht ein neues Evaluationsboard ante Portas, dass die Evaluation des i.MX 91-Prozessors ermöglichen soll.

Bildquelle: NXP.
Das in der von NXP forcierten Freedom Board-Familie angesiedelte Produkt bringt dabei ein GB RAM und acht GB Remanentspeicher mit-weitere Informationen finden sich bei den verschiedensten Distributoren.
STMicroelectronics STEVAL-BMS1T - Evaluationsboard für ISOSPI.
STMicroelectronics bietet mit ISOSPI seit längerer Zeit eine ISO SPI-Variante an, die mit nur zwei Pins auskommt. Unter der gezeigten SKU ist nun ein Evaluationsboard verfügbar, das - wie in der Abbildung gezeigt - die ersten Schritte mit der Technologie erleichtert.

Bildquelle: STMicroelectronics.
Sensirion SHT4x-AD1P-R2 - Feuchtigkeitssensoren mit Schutzfolie
Wer Feuchtigkeitssensor-enthaltende Platinen in die praktische Fertigung überführt, lernt über kurz oder lang mehrsprachiges Fluchen. Ursache dafür ist, dass Auftragsfertiger die diversen zum Schutz der exponierten Sensor-Elemente notwendigen Vorschriften oft nicht sonderlich streng umsetzen. Sensirion begegnet diesem Problem nun mit der in der Abbildung gezeigten „Sondervariante“ einiger Sensoren.

Bildquelle: Sensirion.
Geheimnis des Systems ist dabei ein mit einer Zange abziehbarer Schutzfilm, der nach dem Durchlaufen von Löt- und Montageprozess vom Sensor entfernt wird, um diesen gefechtsbereit zu machen.
Abracon AB-RTC-Tx-32.768kHz-2 - I2C-RTC-Module
Über die Lustigkeiten des Kampfes mit 32kHz-Oszillatoren muss man sich auf Mikrocontroller.net nicht im Detail auslassen. Abracon bietet nun eine Serie von RTC-Modulen an, die - wie in der Abbildung gezeigt - zwecks geringeren Gesamtkosten ohne Backup-Energieversorgung auskommen.

Bildquelle: Abracon.
Hervorzuheben ist, dass der Halbleiterhersteller mehrere Varianten der Produkte anbietet. Diese unterscheiden sich unter anderem darin, welche Optionen im Bereich der in der Abbildung gezeigten Taktausgabefunktion zur Verfügung gestellt werden.
Texas Instruments SN74AVCH8T245 - Bustransciever mit Fähigkeit zur Spannungsumsetzung
Im Hause Texas Instruments bietet man seit längerer Zeit verschiedenste Bausteine an, die neben der eigentlichen Funktion auch als Spannungsumsetzer fungieren. Mit dem steht nun ein acht Bit breiter Transciever zur Verfügung, dessen Spannungsumsetzer-Verhalten im Datenblatt folgendermaßen beschrieben wird:
1 |
The SN74AVCH8T245 is an 8-bit noninverting bus |
2 |
transceiver that uses two separate configurable |
3 |
power-supply rails. The A port is designed to track |
4 |
V CCA , which accepts any supply voltage from 1.2V |
5 |
to 3.6V. The B port is designed to track V CCB , which |
6 |
also accepts any supply voltage from 1.2V to 3.6V. |
7 |
This allows for universal low-voltage bidirectional |
8 |
translation between any of the 1.2-V, 1.5-V, 1.8-V, 2.5- |
9 |
V, and 3.3-V voltage nodes. |
Analog Devices AD8412A - Strommeßverstärker mit PWM-Ablehnung.
Im Bereich der „Strommesser“ gibt es immer wieder Neuigkeiten - Analog Devices schickt nun das in der Abbildung schematisch gezeigte Produkt ins Rennen.

Bildquelle: Analog Devices
Im Rahmen der Ankündigung des Produkts wird dabei vor allem die hohe Güte der bearbeiteten und zurückgelieferten analogen Signale betont.
BIVAR ZLB-DESIGNKIT-001 - Starter-Kit für Lightpipes
Die von Biwar angebotenen Lightpipes haben sich auf das Weiterleiten des von Leuchtdioden erzeugten Licht spezialisiert. Per se hatten wir diese Produkte schon öfters auf ucnet - unter der gezeigten SKU steht nun allerdings ein Evaluationskit zur Verfügung, das - siehe Abbildung - verschiedenste Lightpipes zusammenfasst.

Bildquelle: Bivar.
KYOCERA AVX SMT Capacitor Holders - IDC-basierte Halter für Elektrolytkondensatoren.
Im Hause Kyocera AVX steht ein höchst seltsames Produkt am Start - es ermöglicht, wie in der Abbildung gezeigt, die Installation von Elektrolytkondensatoren, ohne diese an der Platine anlöten zu müssen. Dies wird durch Nutzung eines IDC-Verbinders erreicht.

Bildquelle: Kyocera AVX.
Zu beachten ist, dass es zum Zeitpunkt der Drucklegung dieser News-Meldung verschiedene Varianten des Produkts gibt. Die folgende Tabelle informiert darüber, ob der gewünschte Kondensator bereits von den Montagelösungen abgedeckt wird.

Bildquelle: Kyocera AVX.
AirBorn TriMate - flexibler Stecker für anspruchsvolle Anwendungen
Quick-Insert-Systeme haben sich im Bereich der industriellen Vernetzung seit längerer Zeit gut etabliert. Die zu Molex gehörende Firma AirBorn bietet nun ein ähnliches System an, dass für Situationen mit hohen Zuverlässigkeitsansprüchen optimiert ist.

Bildquelle: Molex AirBorn
Interessant ist an diesem Design außerdem, dass die drei Arten von Steckverbinder mit einem gemeinsamen Rezeptakel Kontakt aufnehmen.
MPLAB PicKit Basic - Distributorverfügbarkeit beginnt.
Den per se bereits vor einiger Zeit besprochenen und extrem kostengünstigen Programmierer für alle Arten von Microchip-MCUs gibt es bald unter der SKU PG164110 bei den verschiedensten Distributoren. Die Abbildung zeigt die Preisstruktur.

Bildquelle: https://www.oemsecrets.com/compare/PG164110


















