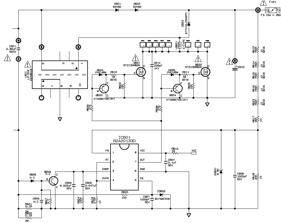
Ich vermute das ist defekt, IC601. Ein Bild mit Schutzlack oben drauf, eines ohne. Aus einem Schaltnetzteil eines Fernsehers. D3A3?
LG 47LA6208 Auf dem Netzteil steht: LD8LY628108017585(2.0) PCB:EAX64905501(2.2) REV2.0 2013.03.28
Also der PFC Controller: R2A20133D von Renesas. Aber da ist sicher noch mehr kaputt.
Welche Komponenten würdest du empfehlen noch anzusehen? Bei Transistoren habe keine Schlüsse gemessen bisher.
M. E. schrieb: > Welche Komponenten würdest du empfehlen noch anzusehen? Alle Halbleiter in der PFC.
H. H. schrieb: > M. E. schrieb: >> Welche Komponenten würdest du empfehlen noch anzusehen? > > Alle Halbleiter in der PFC. Danke für die Tipps. Es sah allerdings nur so aus, als wäre das Teil kaputt. Das war wohl doch nur eine Luftblase beim Lackieren. Ursache für den Ausfall des Geräts war eine defekte LED der Hintergrundbeleuchtung. Das Gerät hat einen Fehler erkannt, nur kurz geblitzt beim Einschalten und gleich wieder komplett ausgeschaltet. Kein Ton, kein Bild ohne Hintergrundbeleuchtung. Jetzt habe ich eine andere LED eingebaut und er läuft wieder. Fragt sich, wann die nächsten der Reihe nach kommen...
Bitte melde dich an um einen Beitrag zu schreiben. Anmeldung ist kostenlos und dauert nur eine Minute.
Bestehender Account
Schon ein Account bei Google/GoogleMail? Keine Anmeldung erforderlich!
Mit Google-Account einloggen
Mit Google-Account einloggen
Noch kein Account? Hier anmelden.



