Hallo, von einem Projekt übrig geblieben biete ich euch folgende Platine (siehe Bild) an. 4-Lagen Multilayer, für Schaltregler SY21102ABC, LDO MCP1804 und XMega256A3U. Größe 32x52mm. Nach dem Schaltregler verfügbar 5V/1.5Amax., LDO 3.3V 150mAmax. Eingang bis 40V. Programmieranschluss PDI MicroMatch 4polig. Preis 1,60€/Platine (leer!) + Versand (Brief 1,80€) Bei größeren Mengen evtl. angepaßte Versandkosten Den Schaltregler kann ich auch beilegen für zusätzlich 0.50€ Ich liefere später auch noch einen Preis für die voll bestückte Platine (jedoch OHNE Pfostenleisten) Verfügbar sind 58 Platinen Kontakt via PM 🙂 Achtung: Bauteile teilweise in 0402!
:
Bearbeitet durch User
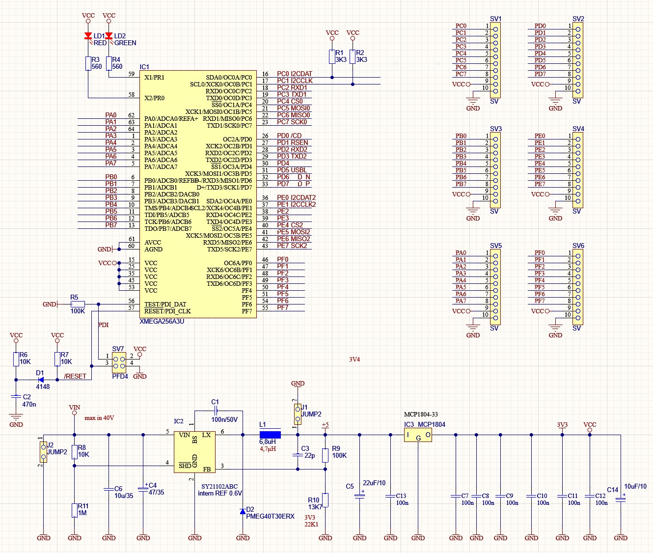
einige GND-Anschlüsse scheinen auch zu fehlen. Irgendwie passt der Schaltplan nicht.
:
Bearbeitet durch User
Angebot beendet. AVcc ist nicht aufgefallen, brauchten wir nicht. Platine wird entsorgt.
Ron-Hardy G. schrieb: > einige GND-Anschlüsse scheinen auch zu fehlen. Irgendwie passt der > Schaltplan nicht. Wo? Welche?
Crazy Harry schrieb: > Angebot beendet. AVcc ist nicht aufgefallen, brauchten wir nicht. > Platine wird entsorgt. Bevor Du die bestückten Platinen auch entsorgst, sag mal einen Preis.
Crazy Harry schrieb: > Wo? Welche? ich sehe die GND-Pins 14,24,34,44 und 52 nicht. Im bild von der Platine scheinen sie aber angeschlossen.
Michael G. schrieb: > Crazy Harry schrieb: >> Angebot beendet. AVcc ist nicht aufgefallen, brauchten wir nicht. >> Platine wird entsorgt. > > Bevor Du die bestückten Platinen auch entsorgst, sag mal einen Preis. Die bestückten sind alle im Einsatz
Ron-Hardy G. schrieb: > Crazy Harry schrieb: >> Wo? Welche? > > ich sehe die GND-Pins 14,24,34,44 und 52 nicht. Im bild von der Platine > scheinen sie aber angeschlossen. Die werden automatisch verbunden und im Schaltplan nicht dargestellt
Crazy Harry schrieb: > Ich liefere später auch noch einen Preis für die voll bestückte Platine > (jedoch OHNE Pfostenleisten) Michael G. schrieb: > Bevor Du die bestückten Platinen auch entsorgst, sag mal einen Preis. Crazy Harry schrieb: > Die bestückten sind alle im Einsatz Hallo, also sind keine Bestückten im Angebot? Hätte eventuell auch Interesse gehabt an 1 oder 2 Stück, oder sind die nun auch fehlerhaft. Schönen Abend noch.
Bei allen ist AVcc auf GND, ist uns nicht aufgefallen, da wir keine ADCs gebraucht haben. Wir hätten, wenn gewünscht, welche bestückt, denn bestückt wurden nur die, die wir gebraucht haben.
Hallo Crazy Harry, danke für die Info. Dann hat sich das ja leider erledigt. Schönen 2.Advent. Gruß bastler2022
Bitte melde dich an um einen Beitrag zu schreiben. Anmeldung ist kostenlos und dauert nur eine Minute.
Bestehender Account
Schon ein Account bei Google/GoogleMail? Keine Anmeldung erforderlich!
Mit Google-Account einloggen
Mit Google-Account einloggen
Noch kein Account? Hier anmelden.

