Kann man die Schaltung ohne Last betreiben bzw die Ausgangsspannung messen ? Bzw hat jemand einen Schaltplan dazu ?
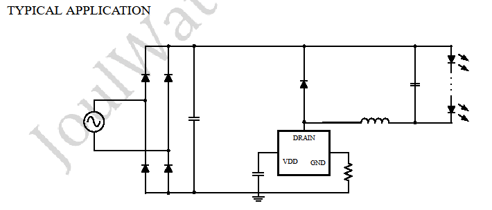
Was hälst Du davon, den Schaltplan einfach anhand der Dir vorliegenden Platine aufzunehmen? Der angehängte Plan kann als Orientierung dienen.
:
Bearbeitet durch User
Bitte melde dich an um einen Beitrag zu schreiben. Anmeldung ist kostenlos und dauert nur eine Minute.
Bestehender Account
Schon ein Account bei Google/GoogleMail? Keine Anmeldung erforderlich!
Mit Google-Account einloggen
Mit Google-Account einloggen
Noch kein Account? Hier anmelden.



