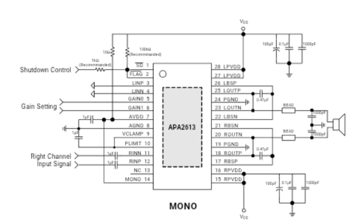
Dell Inspiron 17r 7720-0408 Notebook Diode PC126 29.6 Ohm Aufdruck: 150 2NEP6 Fehler: Subwoofer 4Ohm wird nicht angesteuert Was ist das für ein Diode ?
Michael K. schrieb: > Diode PC126 29.6 Ohm Im eingebauten Zustand - ist Mist, der hier möglicherweise gemessen wird, zumal noch nicht mal angegeben wird, ob in beiden Richtungen.
Michael K. schrieb: > Diode PC126 29.6 Ohm > Aufdruck: 150 2NEP6 Keine Diode, schon wegen P"C"126. Das ist ein Tantalelko.
Der 29.6 Ohm sind parallel zum Elko bzw. der Versorgung des Subwoofer IC. Natürlich hat der Elko keine 29.6 Ohm, hatte den ausgelötet. Jetzt muss ich nur noch wissen wie hoch die Versorgungsspannung des IC APA2613 ist. Natürlich 29.6 Ohm in beiden Richtungen, und C und ohne Lautsprecher.
:
Bearbeitet durch User
Das IC APA2613 hat min. 8V Versorgung. Das wären dann schon min. 2W Verlustleistung. IC könnte hinüber sein.
Das APA2613 hat 19.7V Versorgung, die LS-Ausgänge sind ca. Ub/2,anscheinend kein Defekt. Hab das Notebook zusammengebaut. Scheinbar ein fehlender Treiber für den Subwoofer. Wollte ursprünglich nur die CR2032 Batterie tauschen.
Das Problem mit dem Subwoofer des Dell 7720 ist das er unter Linux nicht richtig unterstützt wird. Man benötigt die ALSA Tools für Linux.
Bitte melde dich an um einen Beitrag zu schreiben. Anmeldung ist kostenlos und dauert nur eine Minute.
Bestehender Account
Schon ein Account bei Google/GoogleMail? Keine Anmeldung erforderlich!
Mit Google-Account einloggen
Mit Google-Account einloggen
Noch kein Account? Hier anmelden.

