Hallo in die Runde, kennt jemand eine passende Alternative für den LDO Spannungsregler AP2114DA-3.3TRG1, TO-252-2 (3) ? Den bekommt man leider nur bei Mouser/Digikey für (zu) viel Versandkosten. Oder aus China. Danke
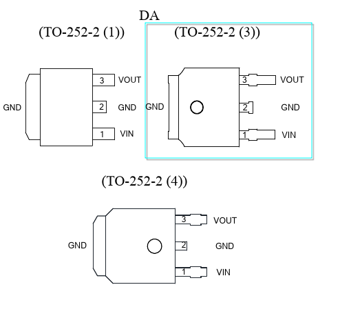
3.3V Spannungsregler in dem Pinout gibt's wie Sand am Meer. Welche für dich passen, hängt von deiner Anwendung ab. Edit: Du hast die "DA" (3)-Variante? Da schaut's dann doch etwas dünner aus...
:
Bearbeitet durch User
https://www.lcsc.com/product-detail/C5552990.html?s_z=n_AP2114DA-3.3TRG1 Ist nicht China, sondern Honkong. Ok, mag zwar spitzfindeig sein, aber LCSC ist quasi der asiatische Mouser. Nur mit dem Unterschied, das du ab 15 Euro Bestellwert keine Handling-Fee bezahlst und mit der Versandart Global Direct Standard Line bezahlst du mit 7-8 Euro auch nicht mehr Porto, als bei einem innerdeutschen Versender. Bei Abnahme von 10 Stck bist du mit 17 Euro schon aus dem Mindermengenzuschlag raus. Oder du kaufst noch was anderes dazu. Da findet sich bei mir immer was :-) Hab heute gerade erst eine Sendung aus dem Postshop geholt.
Εrnst B. schrieb: > Edit: Du hast die "DA" (3)-Variante? > Da schaut's dann doch etwas dünner aus... korrekt, die DA-Variante.
Danke euch. Werde es dann wohl bei LCSC probieren.
Franz schrieb: > Danke euch. Werde es dann wohl bei LCSC probieren. Dann beeile dich, die haben bald ihr chinesisches Neujahrsfest und das kommt einer Woche Shutdown gleich.
Bitte melde dich an um einen Beitrag zu schreiben. Anmeldung ist kostenlos und dauert nur eine Minute.
Bestehender Account
Schon ein Account bei Google/GoogleMail? Keine Anmeldung erforderlich!
Mit Google-Account einloggen
Mit Google-Account einloggen
Noch kein Account? Hier anmelden.
