Kann die ON VP30 SMD diode ersetzt werden mit ST GU ?
VP30 ist der Datecode. Es handelt sich um eine 1SMB5956BT3G, eine 200V Z-Diode von Onsemi. Das andere ist eine 200V TVS von ST: SM6T200A. Die kann durchaus passen, wenn es nicht um besondere Genauigkeit geht.
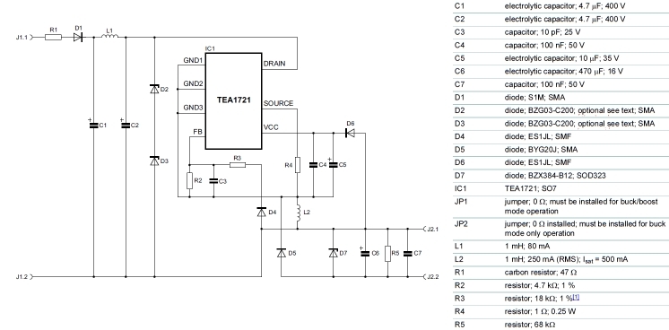
Kurt A. schrieb: > Hier die Schaltung in der diese verbaut sind. D2/D3 Auf besondere Genauigkeit kommts da natürlich nicht an, aber wenn das ans 230VAC Netz soll, dann ist das Murks, egal welche Diode.
:
Bearbeitet durch User
Ja, es ist am 230V Netz. Es ist die Spannungsversorgung für die Steuerung eines Philips Dampfbügeleisen.
Kurt A. schrieb: > Ja, es ist am 230V Netz. Es ist die Spannungsversorgung für die > Steuerung eines Philips Dampfbügeleisen. Und da waren original zwei 200V Z-Dioden in SMA verbaut? Naja, Philips Jubelelektronik halt...
Ja genau. Es ist genau so wie im Schaltbild. Nach dem Eingangssicherungswiderstand ist noch ein VDR eingebaut.
:
Bearbeitet durch User
Dann bau zwei von den TVS ein, ist zumindest etwas besser als original.
H. H. schrieb: > Dann bau zwei von den TVS ein, ist zumindest etwas besser als > original. Der TEA hält 700V aus, man ersetze C1 und C2 durch 680V Typen und nehme 330V Transils.
Michael B. schrieb: > Der TEA hält 700V aus, man ersetze C1 und C2 durch 680V Typen und nehme > 330V Transils. Aber dann verkauft man doch keine neuen Bügelstationen mehr...
H. H. schrieb: > Michael B. schrieb: >> Der TEA hält 700V aus, man ersetze C1 und C2 durch 680V Typen und nehme >> 330V Transils. > > Aber dann verkauft man doch keine neuen Bügelstationen mehr... Kurzes Feedback. Die Bügelstation funktioniert wieder. Die Ursache des Defektes war ein Nulleiter Unterbruch. Verursacht durch arbeiten des Elektrikers am Netz. Die Station war gegen der Empfehlung in der Anleitung noch unbeaufsichtigt mit dem Netz verbunden. Die Station hat 7 Jahre bis zu dem Tag einwandfrei funktioniert. Das war der kleinere Schaden. Gleichzeitig erlitt die Heizungssteuerung einen defekt.
:
Bearbeitet durch User
Bitte melde dich an um einen Beitrag zu schreiben. Anmeldung ist kostenlos und dauert nur eine Minute.
Bestehender Account
Schon ein Account bei Google/GoogleMail? Keine Anmeldung erforderlich!
Mit Google-Account einloggen
Mit Google-Account einloggen
Noch kein Account? Hier anmelden.


