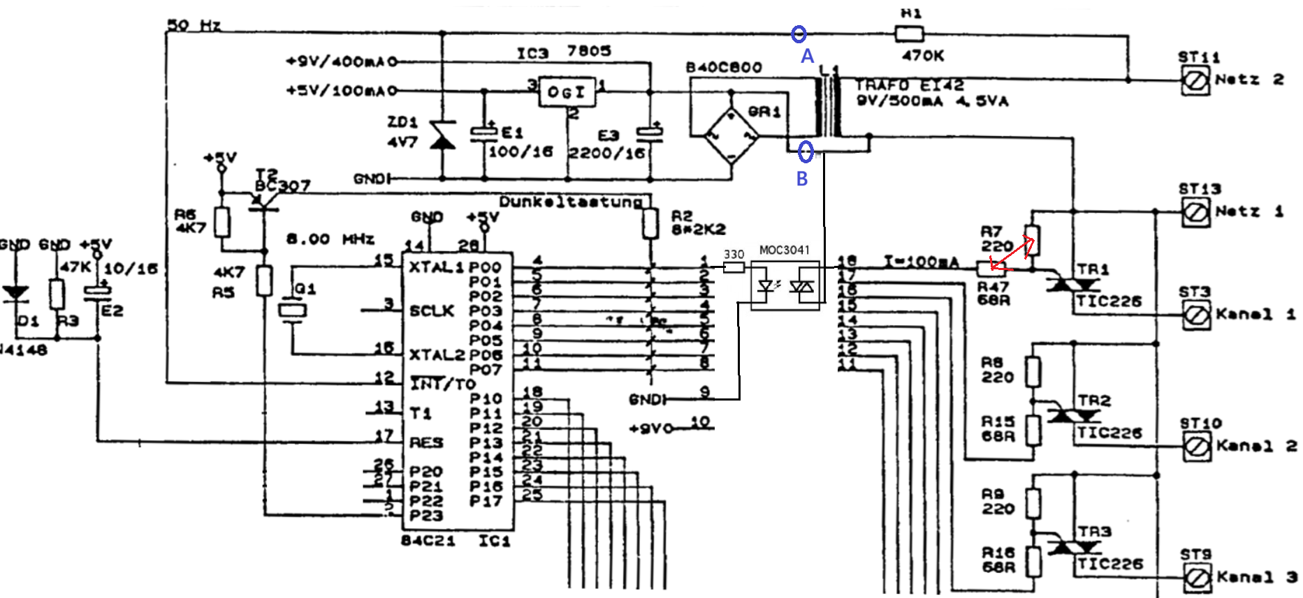
Diese Schaltung: https://www.mikrocontroller.net/attachment/679471/TriacSchaltung.png basiert darauf dass die Steuerseite mit dem uc nicht netzgetrennt ist. Ich würde gern das vorhandene Board soweit als möglich im originalzustand behalten, aber dennoch den Netzbezug dort aus der Steuerseite raus haben. Der ULN ist gesockelt, denkbar wäre eine kleine Platine die stattdessen auf den ULN Sockel adaptiert wird. Zudem R1 entfernen und die Verbindung Netz2 - GND. Ich denke der Prozessor wird Zündimpulse generieren, es wird nur "geschaltet" nicht gedimmt... Hat jemand der sich mit Triacs auskennt eine Idee wie die Schaltung aussehen kann? Danke
:
Bearbeitet durch User
Dafür gibt es schon lange Optotriacs, die bekanntesten sind MOC30xx.
...kleiner Fehler, es ist eine Brücke von Netz2 zu 9V DC. Also die Zündimpulse des uc werden über den ULN stromvertärkt und mit der Spannung der ungeregelten 9V werden die Triacs gezündet. Wenn dort nun ein Optoppler dazwischen kommt, muss ja irgendwo die Zündspannung her kommen... https://www.mikrocontroller.net/attachment/188821/230V_schalten.jpg https://www.mikrocontroller.net/attachment/101541/MOC3042.jpg
:
Bearbeitet durch User
Thorsten S. schrieb: > muss ja irgendwo die > Zündspannung her kommen... Strom! Und der kommt dann natürlich direkt aus dem Netz.
Thorsten S. schrieb: > Ich würde gern das vorhandene Board soweit als möglich im > originalzustand behalten, aber dennoch den Netzbezug dort aus der > Steuerseite raus haben. Ist halt aufwändig. 8 Optokoppler oder Steuertrafos. Man trennt lieber nur 1 x. Und wenn du wirklich trennen willst, brauchst du auch ausreichende Isolationsabstände, die die DIL Fassung des ULN nicht bietet.
Beitrag #8029151 wurde vom Autor gelöscht.
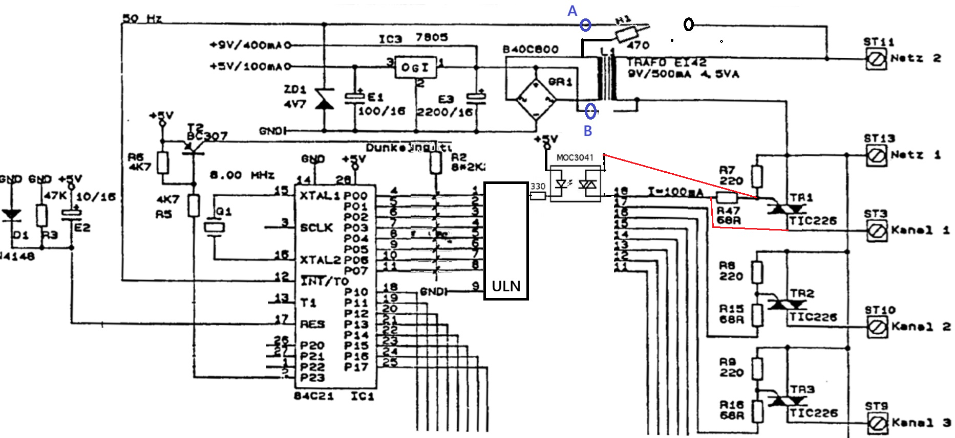
Würde das funktionieren, siehe Anhang? Michael B. schrieb: > die die DIL Fassung des ULN nicht bietet sind rund 10mm von einer Pinreihe zur anderen...
Thorsten S. schrieb: > Würde das funktionieren, siehe Anhang? Komplett idiotisch. https://www.mikrocontroller.net/attachment/188821/230V_schalten.jpg hast Du nicht verstanden und auch nicht, wie man eine LED (Eingang vom Optotriac) ansteuert.
Thorsten S. schrieb: > Würde das funktionieren, siehe Anhang? Nein, denn der Port 0 der MCS51 Reihe besteht aus Open Drain Outputs. Deswegen die 'Dunkeltastung', die die nötigen Pullups anschaltet. Die Ausgänge müssen also soweit verstärkt werden, das die LED im Optokoppler sicher leuchtet, wenn der Port auf high geht. Vermutlich macht man das am einfachsten mit einem nicht-invertierenden Buffer hinter den 2k2 Pullups. Das kann man mit ULN2003 machen, aber dazu müssen die Optokoppler-LED einseitig auf Plus und nicht auf Masse. Die 50Hz gewinnst du aus der Sekundärseite des Trafos mit einem deutlich kleineren Vorwiderstand für die 4V7 Z-Diode. Die Schaltung zwischen Optotriac und Triac entnimmst du dem Datenblatt.
Beitrag #8029168 wurde vom Autor gelöscht.
Manfred P. schrieb: > Du nicht verstanden Lies den letzten Satz meiner Anfrage, dann müsstest du doch selbst schnallen dass ich genau deswegen hier frage, weil ich mich mit Triacs NICHT! auskenne... Matthias S. schrieb: > deswegen die 'Dunkeltastung', die die nötigen Pullups anschaltet Darüber habe ich mich auch schon gewundert. Aber wie wirken die Pullups in dem Fall? Wenn also die 2k2 eingeschaltet werden, dann kann doch der ULN überhaupt erst durchschalten wenn drain nicht aktiv (also High), oder funktioniert die Dunkeltastung indem die Pullups abgeschaltet werden?
:
Bearbeitet durch User
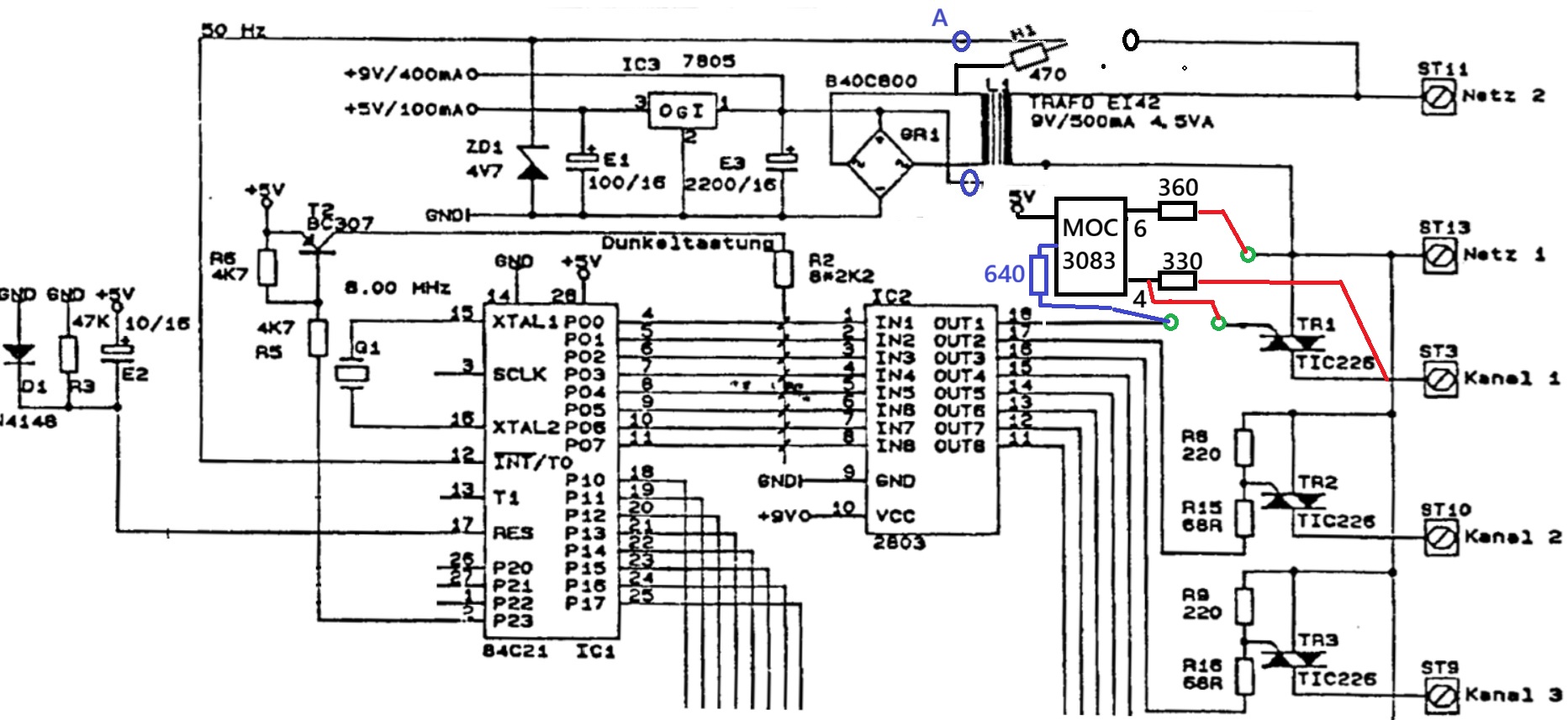
Thorsten S. schrieb: > Weniger Änderungen ... und neuer Schwachsinn. Vergleiche Dein Triac2.jpg gegen ein Datenblatt des MOC3083 und stelle fest, dass die so passen dürfte.
Manfred P. schrieb: > ... und neuer Schwachsinn. Manfred - selbst wenn das so ist, verschone mich bitte mit deinem Geseier.
:
Bearbeitet durch User
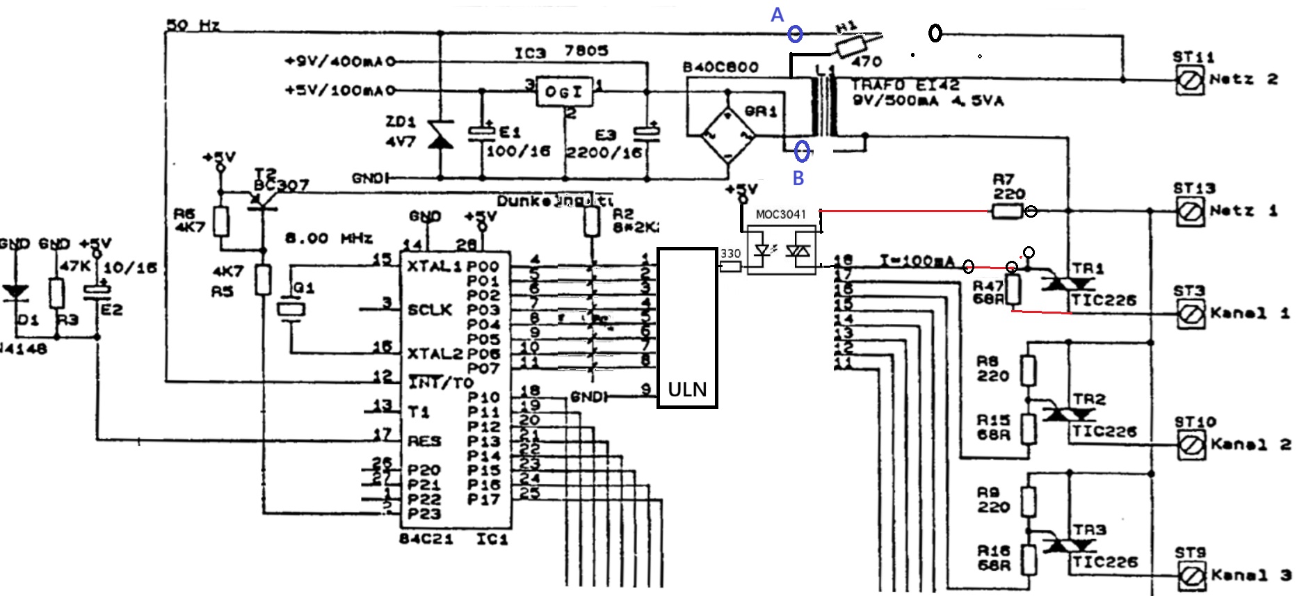
Ich habe mich dazu entschieden das direkt an den Triacs zu machen, wenn.
Beitrag #8029185 wurde vom Autor gelöscht.
Thorsten S. schrieb: > oder funktioniert die Dunkeltastung indem die Pullups abgeschaltet > werden? Genau. Der T2 wird mit einem Low vom Prozessor angeschaltet, um die Ausgänge aktiv zu machen. Richte dich für die Schaltung zwischen Optotriac und Triac nach dem Datenblatt des MOC. Den Strom durch die 4,7V Z-Diode für die 50Hz nicht übertreiben. Da sollte es auch ein 1k5 oder ein 2k2 tun. Thorsten S. schrieb: > verschone mich bitte Leider gibt es solche Leute, die völlig unangemessene Ausdrücke für kleine Fehler verwenden.
Thorsten S. schrieb: > Ich habe mich dazu entschieden das direkt an den Triacs zu machen, > wenn. Ist aber noch falsch am Triac angeschlossen. Und der Strom durch die LED des Optokopplers ist zu knapp bemessen.
Thorsten S. schrieb: > Lies den letzten Satz meiner Anfrage, dann müsstest du doch selbst > schnallen dass ich genau deswegen hier frage, weil ich mich mit Triacs > NICHT! auskenne... Dann lerne es. Es ist doch nicht so schwer. Ein Strom ins Gate steuert den Triac durch. Ähnlich wie ein Transistor, nur für AC. Abgesehen davon: Thorsten S. schrieb: > Ich würde gern das vorhandene Board soweit als möglich im > originalzustand behalten, aber dennoch den Netzbezug dort aus der > Steuerseite raus haben. Dafür muß man sich auch nicht "mit Triacs auskennen". Einfach den MOCxxxx (xxxx z.B. 3052) nach Datenblatt mit dem Triac verschalten. Die LED des MOC kommt an Stelle des Triacs an den Treiber. Und die Verbindung zwischen Netzseite und den 9V wird getrennt.
Strom durch die LED differiert je nach MOC Typ. MOC3081 ist bei 15mA, MOC3082 bei 10mA und der MOC3083 bei 5mA. Die solltest du etwa einhalten und dabei beachten, das die Ucesat des ULN bei etwa 1V liegt und die Uf der LED etwa bei 1,2-1,3V. Bleiben also etwa 2,8V für die Stromberechnung. Erfahrungsgemäß altern die Optokoppler ein wenig und werden 'tauber', also kannst du auch etwas mehr If ansetzen.
Thorsten S. schrieb: > Ich würde gern das vorhandene Board soweit als möglich im > originalzustand behalten, aber dennoch den Netzbezug dort aus der > Steuerseite raus haben. Also statt der MOCs Halbleiterrelais ansteuern und der Drops ist gelutscht
Bitte melde dich an um einen Beitrag zu schreiben. Anmeldung ist kostenlos und dauert nur eine Minute.
Bestehender Account
Schon ein Account bei Google/GoogleMail? Keine Anmeldung erforderlich!
Mit Google-Account einloggen
Mit Google-Account einloggen
Noch kein Account? Hier anmelden.




