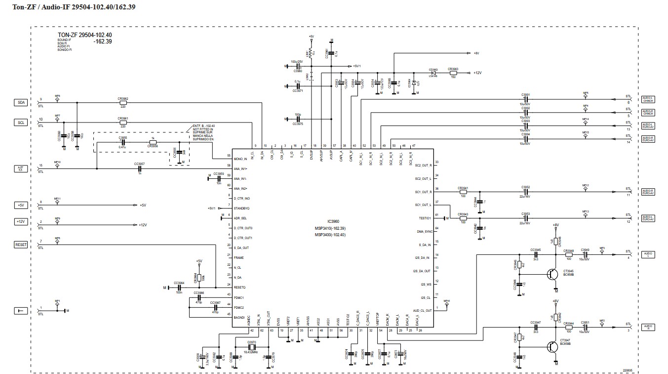
Hallo Auch ich habe mir wieder ein Projekt vorgenommen. Eher aus dem Bereich Secondlife-Electronic bei dem man aus etwas gebrauchten neues erstellt. Dismal ein paar alte Module sowie ein alter µC ATMEGA32-16PU. Das Soundmodul 29504-102.40 von Grundig, stammt aus einem Farbfernsehgerät Grundig CUC7350 und beinhaltet einen sehr guten Multinorm-Soundcontroller MSP3400C. Der IC bietet so allerlei, aber eben nur wenig aus dem Modul herausgeführt wurde. Man Könnte noch den 2. DAC sowie I2S-Leitungen mit 32kHz bei 16Bit pro kanal nutzen, aber auch die 2 Digitalports für Umschaltungen. Das Soundmodul sitzt auf dem Secondboard, wo auch der PCF8574 und TDA3810 sitzt. Auf dem Board ist auch die ganze STBY-Schaltung für Soundboard und Soundmodul eingebaut, welche zentral vom ATMEGA32 gesteuert wird (STBY, I²C). Zur Steuerung dient ein altes TV-Bedienteil von Philips (TV Philetta Super Selection KT4) das ausser den Bedientasten auch noch einen Hybrid-LED-Display mit SAA1061-ähnlichen Controller sowie einen Infrarotempfänger mit TDA3047 besitzt. Auch der Kontrastregler und AV-Umschalter wird genutzt. Der Kontrastregler dimmt Softwaremäßig den Display über den CBUS. Fernbedient kann das Teil mit einer alten SAT-IR-Ferndienung vom Thomson werden und arbeitet mit einen NEC-ähnlichen Code. Das Herz der Schaltung ist nun der ATMEGA32-16PU und der 74LS123. Der 74LS123 soll mir die richtigen Flanken vom IR-Empfänger liefern und auch am Bedienteil optisch anzeigen, das der Empfänger funktioniert. Der ATMEGA32 steuert und verarbeitet den Rest. Der Steuert über seine PORTs die STBY-Freischaltung, I²C für PCF8574 und MSP3400C, der CBUS den SAA1061 vom Display, zusammen mit dem Kontrastpoti am Bedienteil die LED-Helligkeitsregelung und das Einlesen der Tasten und Schalter. 4 Klangarten sind im Soundprofil hinterlegt: Stereo Bypass - Normales MONO/STEREO SONORAMA - MONO zu STEREO basierend auf T-Filter mit TDA3810 SONORAMA-HQ - wie oben mit DSP-Hall vom MSP3400C 3D-SPATIAL - aktiver Raumklang mit TDA3810 und MSP3400 16 Programmplätze sind mit 4 PINs herausgeführt 0=PROG1 ... 15=PROG16. 1 LOW-aktiver MEMORY AUSGANG 1 LOW-aktiver SUCHLAUF AUSGANG 1 LOW-aktiver STBY AUSGANG 1 LOW-aktiver EXT-AUDIO AUSGANG 1 NF-EINGANG und 1 NF-AUSGANG 1 ZF-EINGANG für 4,5 bis 8MHz-ZF FM Auch wenn es eine reine Spielerei ist, lernt man viel dazu.
Moin, <opa-erzaehlt-vom-krieg> Mit dem MSP3410 habbich vor Jahren auch mal zu tun gehabt. Der hat wirklich alles an Tonnormen gefressen, was damals weltweit "on air" war. Und das Datenblatt war auch recht gut, iirc. Da kann ich mir den Bastelspass damit gut vorstellen :-) </opa-erzaehlt-vom-krieg> Gruss WK
Dergute W. schrieb: > Moin, > <opa-erzaehlt-vom-krieg> > Mit dem MSP3410 habbich vor Jahren auch mal zu tun gehabt. Der hat > wirklich alles an Tonnormen gefressen, was damals weltweit "on air" war. > Und das Datenblatt war auch recht gut, iirc. > Da kann ich mir den Bastelspass damit gut vorstellen :-) > </opa-erzaehlt-vom-krieg> > > Gruss > WK Hier einmal eine Kostprobe vom MSP3400 und TDA3810: https://youtube.com/shorts/MnfqCB9qGwA?si=fNZXwt2IvfHWZ3IX Ich weiß nur noch nicht ob man, wenn die ZF vom Radiotuner auf 6,5MHz runtergemischt und den MSP3400C zugeführt wird, auch die Bandbreite bei SC1OUT breit genug ist, um Pilotton, MPX, etc ausgeben zu können und damit einen Stereodecoder betreiben kann. Im Datenblatt glaube ich gelesen zu haben dass der bis 280kHz kann oder ob es sich um die interne PLL handelt. Das muss ich weiter untersuchen. Da der auf jedenfall auch AM kann, sollte man die ZF vom AM-Tuner demodulieren können. Ich habe noch ein paar MSP34xx rumliegen und kann in aller Ruhe Test durchführen.
Bitte melde dich an um einen Beitrag zu schreiben. Anmeldung ist kostenlos und dauert nur eine Minute.
Bestehender Account
Schon ein Account bei Google/GoogleMail? Keine Anmeldung erforderlich!
Mit Google-Account einloggen
Mit Google-Account einloggen
Noch kein Account? Hier anmelden.



