Ein gesundes neues Jahr wunsch ich euch! Ich hab mein 1" Full-Color-OLED schon angeschlossen (prutal mit dem Lötkolben) und "in Betrieb" genommen und bin gerade darüber mein Proggi (ASM) zu schreiben. An ist es, Text kommt auch schon raus, nur hab ich mit Löschen und füllen ein Problem: Mein Display hängt an einem Atmel ATMega16, welcher derzeit mit 8MHz läuft. Das ist langsam genug um schön einzelne Pixel zu zeichnen. Befehle wie Löschen und Rect brauchen aber (displayseitig) etwas länger so dass, wenn ich den nächsten Befehl gebe, das Display noch nicht fertig ist und einfach den neuen Befehl abarbeitet. Das Ergebnis ist ein halb gelöschter Bildschirm. Das kann man auf dem Bild unten links gut sehen: Die Blaue Fläche und der Rote Rand ist eigentlich ein Rect über den ganzen Schirm. Der helle Bereich ist Grieß(RAM-Müll). Zweckmäßig wäre es das Status-Register auszulesen und zu warten bis alles fertig ist. Und genau das gelingt mir nicht. Möglich sollte es aber sein, wenn man dem Datenblatt glauben mag. Kann mir da jemand helfen? Irre ich mich? Ich verwende das 6800-Protokoll. Danke
vielleicht liegt es an der schaltung, dass ein einlesen nicht möglich ist? poste sie doch mal
Mein erster Versuch sah so aus:
OLED_BUSY:
push Temp
clr Temp
out OLED_DDR_Data,Temp ;Data-Port als Input
cbi OLED_Cntr,OLED_DC ;D/C auf Controll
sbi OLED_Cntr,OLED_RW ;RW auf Lesen
sbi OLED_Cntr,OLED_E
cbi OLED_Cntr,OLED_CS
nop ;tACC (Access Time) abwarten, so ca 140ns
OLED_BUSYloop:
in Temp,OLED_DataIn ;Status auslesen
sbrc Temp,7 ;wenn das "Command lock"-Bit 0 ist ist alles
fertig
rjmp OLED_BUSYloop
sbi OLED_Cntr,OLED_CS
ser Temp
out OLED_DDR_Data,Temp ;Data-Port wieder als Ausgang
pop Temp
ret
Nur klappt das nich. Hab schon alles Mögliche versucht.
> das Status-Register auszulesen und zu warten bis > alles fertig ist. Und genau das gelingt mir nicht der Assemblercode und die Schaltung wären hier für uns interessant, "dann werden ihnen geholfen" ;)
mal ne andere frage: ich habe auch das display,aber noch niht inbetriebgenommen. wie groß ist die stromaufnahme der 12V des displays??
Heißt »Klappt nich« jetzt a) das Programm bleibt dort hängen (Bit wird nie low) b) das Programm verhält sich wie ohne Abfrage (Bit ist immer low) c) das Programm verhält sich noch anders (nämlich?) Meist ist es in solchen Fällen ja irgendein Mist, daß man den Pin versehentlich irgendwie anders definiert hat, so daß er nicht als Eingang arbeitet.
Ich glaub, ich hab's
OLED_BUSYloop:
....
rjmp OLED_BUSYloop
Diese Rotine muss anders aufgebaut sein.
Das Busy wird nicht automatisch low!!!
Du musst es jedes mal neu anfordern.
Also:
Kommando senden
Enable
Ports auf Input
etwas warten
Status abfragen
Bin auch schon mal darüber gestolpert.
Bernhard
Wie heißt dieses Display eigentlich genau? Hab bei Reichelt nichts gefunden ????
für 30 Euro habe ich zwei 128x128 Full Color OLED bekommen. Das 96x64 1" OLED von Reichelt währe mir ein bisschen zu teuer. Gruss steffen
Danke! Wenn ich jetzt nur noch wüsste, wie/wo ich's effektvoll einsetzten könnte...
das weiß ich auch noch nicht, aber ich habs schon da, wills in nächster zeit mal testweise an nen MEGA128 klemmen, allerdings mit paralleleinblendung in den SRAM, entgegen oben geposteter schaltung..
Steffen schrieb:
> für 30 Euro habe ich zwei 128x128 Full Color OLED bekommen.
Das ist erfreulich für Dich, beantwortet die Frage »Wo kommt denn das
Teil überhaupt her?« nicht wirklich gut.
Vielleicht kannst Du noch Deine Quelle angeben, damit Dein Beitrag einen
Sinn bekommt? Danke.
meine Quelle ist eine Firma in China: http://www.litearray.com/products-oled.php Hier gab es mal einen Beitrag dazu: Beitrag "O-LED Display von SMI" Die Preise von damals haben sich aber gewaltig geändert. Die OLED 96x64 ähnlich die von Reichelt kostet etwa 10 EUR und die 96x96 etwa 12 EUR. Das 128x128 OLED liegt derzeit bei 15 EUR. Ich habe die letzte Bestellung im Dezember 2006 gemacht. Leider hatten damals nur wenige Interesse an den OLED. Von einigen habe ich noch was da , wenn Interesse besteht. Gruss Steffen
128x128 OLED hast du davon noch welche da und wenn ja für wie viel würdest du sie weitergeben?
ja, da habe ich noch einige da. der Typ ist LPST128128A00-T4. Da kostet eine 15,00 EUR ohne Versand. ( Eine kleine Adapter-LP habe ich mal dazu gemacht, bin aber leider nicht zum Testen gekommen. ) Die würde ich kostenlos mit beilegen. Gruss Steffen
Gut dann gib mir mal dien Mail adresse oder schreib mir an haukeradtki [ät] freenet . de
Steffen ich hätte gerne ein 128x128 display... vielleicht kannst du mir dazu auch die ansteuerungssoftware und schaltplan bereit stellen? Ich bin halt faul :)
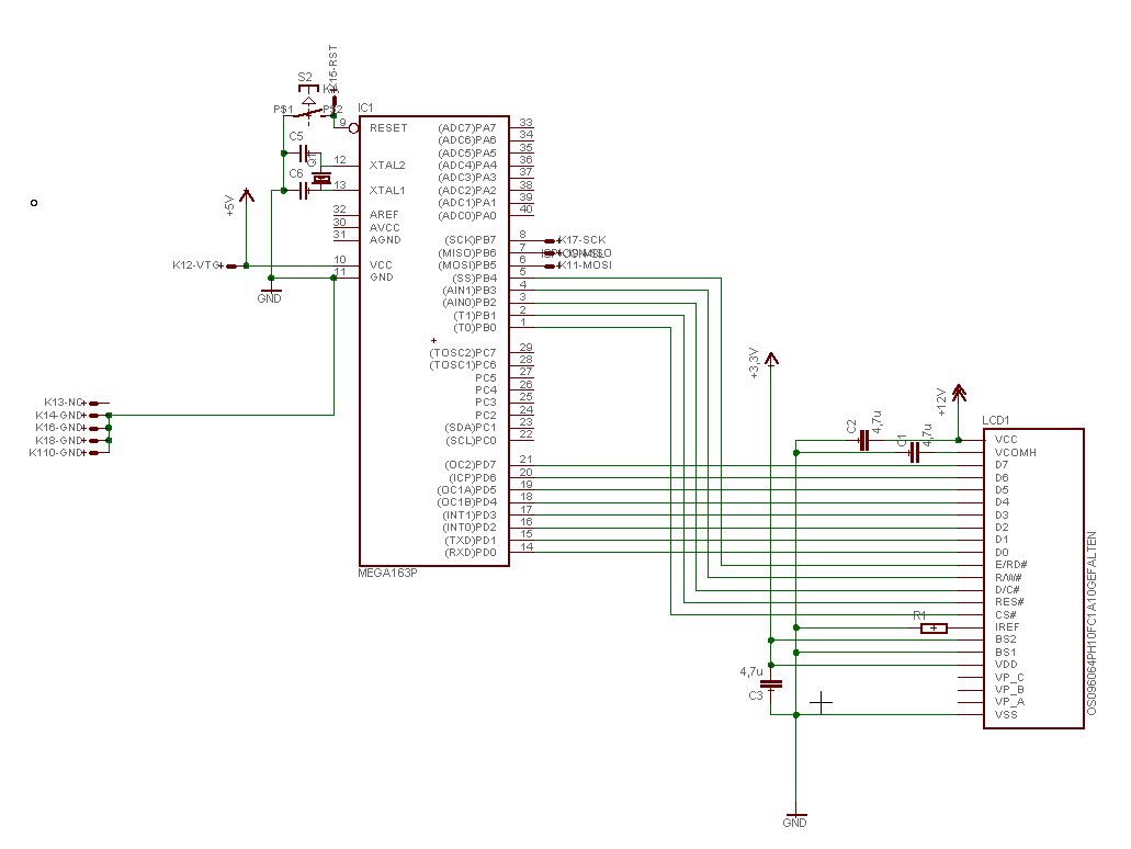
hier die Schaltung und LP für das OLED 128x128. Den Softwaretreiber habe ich gekauft ( RAMTEX ) und kann diesen leider nicht weitergeben. Gruss Steffen
@Steffen: Hast Du noch OLEDs? Bitte schreib mir eine Email an onlineking (AT) gmx (DOT) de Danke. Gruß Michael
@ Bernhard Schulz (bernhard) >OLED_BUSYloop: > .... > rjmp OLED_BUSYloop > >Diese Rotine muss anders aufgebaut sein. >Das Busy wird nicht automatisch low!!! >Du musst es jedes mal neu anfordern. >Also: > >Kommando senden >Enable >Ports auf Input >etwas warten >Status abfragen > >Bin auch schon mal darüber gestolpert. Konntest du das noch etwas präzisieren? Ich erkenne bei dir garkeine Schleife. Und wie immer "neu anfordern"? E Aus - E An - Kontrollieren - E Aus - E An - Kontrollieren oder wie? u.A. @ Philipp der Pin ist immer LOW. Es wird nicht gewartet. die internen Pullup sins nat. an!
@Harry
so habe ich's bei einem LCD 128x64 KS0108 gelöst,
ich hoffe, ich habe den Code ausreichend dokumentiert?
Bernhard
;#####################################################################
;erzeugt den Enable-Puls
LCD_ENABLE:
rcall wait_1us ; kurze Pause
rcall wait_1us ; kurze Pause
sbi PORTB,LCD_B_E ; Enable high
rcall wait_1us ; kurze Pause
rcall wait_1us ; kurze Pause
rcall wait_1us ; kurze Pause
rcall wait_1us ; kurze Pause
cbi PORTB,LCD_B_E ; Enable low
rcall wait_1us ; kurze Pause
rcall wait_1us ; kurze Pause
ret
; ####################################################################
LCD_STATUS_WAIT:
; PORT D auf Eingang
clr temp
out DDRD,temp
; PULL-UPs off
clr temp
out PORTD,temp
; LESEMODUS
sbi PORTB, LCD_B_RW ; RW=>READ (HIGH)
LCD_STATUS_WAIT_w:
rcall LCD_ENABLE ; Enable-Routine aufrufen
; EINLESEN
in temp, PIND
; Bitmuster (hier ggf. anpassen !!!!!!!!!!!!!!!!)
andi temp, 0b10000000
tst temp
brne LCD_STATUS_WAIT_w
; PORTB auf AUSGANG
ldi temp, 0b11111111
out DDRD,temp
ret
; ####################################################################
@ Bernhard Schulz (bernhard) Danke dein Code ist einwandfrei Dokumentiert und auch nachvollziehbar. Bitmuster passt so. Ich hab alles fast 1:1 übernommen. Ich hab noch... cbi PORTB, LCD_B_DC ; DC=>Command (LOW) ...hinzugefügt, aber gebracht hat es nix. Ich glaube ich gebe jetzt auf. Hattest du Probleme zw. den Protokollen zu wählen? Ich hatte mir gedacht, ich versuche es mal mit 8080, hab die Platine umgelötet und die Software umgeschrieben und es ging gar nix mehr. Erst die 6800er Software klappte wieder. Komisch. Dazu muss ich aber auch sagen dass vorher, als ich noch der Meinung war mich mit 6800 rumzuschlagen, mir das Verhalten auch schon spanisch vor kam. Ich hatte manchmal den Eindruck, dass ich mich im 8080-Modus befand. Kann es also sein dass im Datenblatt (siehe Anhang) die Angaben falsch? Mir geht das Ding langsam ganz schön auf die *****!
> Hattest du Probleme zw. den Protokollen zu wählen? Leider hatte mein LCD MODUL kein Protokoll. Was soll das für ein Protokoll sein? Dieses LCD habe ich verwendet http://www.reichelt.de/?SID=26rvF@hKwQARoAADQSKXM37af813bade174e8315735e5551d4655;ACTION=3;LA=2;GROUP=A522;GROUPID=3008;ARTICLE=31672;START=0;SORT=artnr;OFFSET=1000
Ja "Protokoll" war vieleicht schlecht gewählt. Du kannst auch "Interface" sagen. Oder "WannWoWasWielangAnliegenMussDamitEsGeht-Regeln" :) Das Interface-Timing-Diagram von deinem Display sieht doch schon etwas anders aus als meins. Bei dir ist klar: Ein HIGH an E und das Display nimmt die Daten an. Aus meinem Diagram (ich habe es oben schon mal gepostet) werd ich nicht schlau. Ich glauge eine Steigende Flanke an CS# sagt dem Diplay wann es die Daten aufsaugen kann. Und bei dem 8080-Interface giebt es garkein E-Bit mehr. Da giebt es dann ein RD (lesen) und ein WR (schreiben) Bit. Ich glaub wenn man das nicht studiert hat, hat man da keine Chance :)
> Ich glaub wenn man das nicht studiert hat, hat man da keine Chance :)
...und bei manchen Datenblättern noch eine Glaskugel dazu ;)
Es wäre sehr schön und hilfreich, wenn Du dieses Projekt mal
veröffentlichen könntest.
Wir bräuchten dann das Fahrrad nicht noch einmal zu erfinden
Bernhard
Meinen Schrott veröffentlichen? Hmm. Das trägt dann bestimmt nur zur Volksverdummung bei. Das ist doch alles schon recht laihenhaft, unansehnlich und nach all dem Rumprobiere sehr chaotisch geworden. Das müsste ich erst mal überarbeite und dokumentieren.
ok, hab den Code mal sortiert :) und dokumentiert. Im ZIP sind ASM-Code und noch ein Bild vom aktuellen Proggi. Auch hier wieder gut zu erkennen, dass der Bildschirm nur teilweise gelöscht wird. Unwichtig, aber der Vollständigkeit halber: jetzt hängt ein 6.5536MHz Quarz dran.
Darf ich als Laie fragen ob ich das Problem richtig verstanden hab wenn du einen Löschen befehl sendest braucht das Display länger als bei normalen befehlen und dann überschneidet sich das mit dem neuen Befehl und der wird dann übernommen ? Also das Löschen hört auf. Da ich leider keinerlei assambler kann kann ich dir bei deinem Problem mit der Abfrage nicht helfen aber wie wäre es wenn du einfach nach dem Löschbefehl einfach naja sagen wir ne par ms wartest ? Das löst zwar dein Abfrageproblem nicht aber das müsste zumindest mit dem Überschneiden helfen =) . Irgendwann muss ich mir auch mal so ein Display besorgen das sieht echt nice aus. Gruß Andreas ( der hofft das war da eben nicht zuviel Schrott )
Problem vollständig erkannt! Einfach ein wenig warten könnte man. 1.Nur wie lang? 2. Ein Rechteck/Löschen über den Halben Schirm dauert nicht so lange wie ein Rechteck/Löschen über den ganzen Schirm. Unnötig warten missfällt mir! 3. Ich versuche den Code wiederverwendbar zu schreiben. Wenn ich einfach warte, müsste ich das für jeden Prozessortakt neu "justieren". Das wäre einfach ne halbseitene Lösung, die mir nicht gefallen würde. Wenn sich das Ding aber weiterhin so sträubt, wird es wohl so werden.
Weil ich nur Elektriker bin. Wenn jeder "Kloppstock" zu Osram rennt, kommen die ja garnicht mehr zum Bearbeiten der Probleme von "richtigen" Entwicklern. Und für was giebt es denn ein solch spitzenmäßiges Forum. HIER trifft die Elite auf die kleinen Leute! HIER sitzen die Fachfräfte, die sich !freiwillig! mit den Wehwehchen der Anfänger beschäftigen. Und da die Anzahl und Größe der Threads über OLEDs nicht zu verachten ist, nahm ich an, dass mir einer der vielen Anwender weiterhelfen könnte. An dieser Stelle noch mal ein rießen Lob an www.mikrocontroller.net !!!! Es giebt NIX vergleichbares im I-Net! Nicht auf euerm Niveau! Weiter so!
Hallo Harry, danke für Deinen Programmcode ;) Wenn ich es jetzt richtig herausgelesen habe, dann wird das Status-Register jetzt korrekt eingelesen und das Programm arbeitet dann erst weiter, wenn der entsprechende Pin vom LCD den Richtigen H/L Pegel hat ? Also das funktioniert korrekt? > Löschen befehl sendest braucht das Display länger als bei > normalen befehlen und dann überschneidet sich das mit Andreas seine Bemerkung fand ich sehr interessant, stimmt das, dass sich Kommandos an das LCD überschneiden? Wenn dem so ist, dann wäre das doch die Ursache für das nicht korrekte Löschen, oder? Bernhard
>Wenn ich es jetzt richtig herausgelesen habe, dann >wird das Status-Register jetzt korrekt eingelesen und das >Programm arbeitet dann erst weiter, wenn der entsprechende Pin vom LCD >den Richtigen H/L Pegel hat ? >Also das funktioniert korrekt? Eben nicht! Das ist das Problem. Und Andreas Ausführung ist die direkte Folge. Hatte ich mich in meinem ersten Thread unklar ausgedrückt? >Mein Display hängt an ... 8MHz. >Das ist langsam genug um schön einzelne Pixel zu zeichnen. >Befehle wie Löschen und Rect brauchen aber (displayseitig) etwas länger >so dass, wenn ich den nächsten Befehl gebe, das Display noch nicht >fertig ist und einfach den neuen Befehl abarbeitet. Das Ergebnis ist >ein halb gelöschter Bildschirm. ... >Zweckmäßig wäre es das Status-Register auszulesen und zu warten bis >alles fertig ist. Und genau das gelingt mir nicht.
Harry ich würde trotzdem mal nachfragen. Ist ja nicht so als ob die täglich millionen von Anfragen von bastlern hätten und sowas deshalb generell ignorieren.
Hallo Harry, >wird das Status-Register jetzt korrekt eingelesen... ? .... >Eben nicht! ok, alle Klarheiten beseitigt ;) Also das Hauptproblem ist noch nicht gelöst. Nach meiner Meinung, kann der Staus noch jedem LCD-Kommando abgerfragt werden. Bsp. Ein Pixel setzen, anschließend Status abfragen Diesen Status, also die Pegel aller LCD-PINS kannst Du Dir ja separat anzeigen lassen. Notfalls wird das Programm testweise an dieser Stelle mal gestoppt, vorher alle µC Pins auf Eingang und PULL-UPS an bzw. aus schalteten. Dann mal hochohmig mit einem Multimeter nachmessen. Dann einen externen Pul-Up (10k...1M) anschließen und messen. Nicht das die Ausgangsiderstände des LCDs zu hochohmig sind, und deshalb bei einem µC Pull-up von 30k die Pins nicht gegen LOW ziehen können. Sollte das alles nicht zum gewünschten Erfolg führen, dannn gibt es immer noch eine Notlösung. Und zwar das definierte Warten des µC, bis das LCD sich endlich ausgemehrt hat. Ich übertreibe mal: Ein Pixel setzen 2 µs, LCD löschen 100ms Bernhard
Also das Datenblatt gibt echt nicht viel zum Statusregister her. Das ist das einzige was ich gefunden hab : Table 7 - Read Command Table (D/C=0, R/W (WR#)=1, E (RD#)=1 for 6800 or E (RD#)=0 for 8080) Bit Pattern Command Description D7D6D5D4D3D2D1D0 Status Register Read * D7 : “1” for Command lock D6 : “1” for display OFF / “0” for display ON D5 : Reserve D4 : Reserve D3 : Reserve D2 : Reserve D1 : Reserve D0 : Reserve Note: Patterns other than that given in Command Table are prohibited to enter to the chip as a command; otherwise, unexpected result will occur. Was wird denn da als Status ausgegeben ???? Doch nur ob Display On / Off und ob der letzte Befehl angekommen ist oder ? Auch zu den Zeiten vom Löschen steht echt nichts im Datenblatt aber an deiner Stelle würde ich einfach warten as ist wahrscheinlich die einfachste Lösung und versuchen ob man irgendwie herausfinden kann was die "längste" Dauer zum löschen hat und das halt als Wartezeit nehmen. Entweder Ausprobieren oder bei Osram halt anfragen ^^. Gruß Andreas
Jetzt sag mir bitte nicht, dass "Command-Lock" kein Bussy-Flag ist!
Command-Lock auf Deutsch = Befehl gespert. Also das Display ist für
weitere Befehle gesperrt, weil es noch arbeitet. Oder???
Ich habe mich nun doch dazu entschlossen erstmal eine Warte-Schleife zu
programmiern, auch wenn mir es nich so richtig passt. Aber wer weiß ob
ich sonst überhaupt noch zu meinem Schwarzen Bildschirm komme :(
Warten:
push Temp
push Temp2
clr Temp
ldi Temp2,3 ;Durch Probieren ermittelt
Warten_loop:
dec Temp
brne Warten_loop
dec Temp2
brne Warten_loop
pop Temp2
pop Temp
ret
Das müsste dann bei 6,5536MHz so ca. ...ähhh... 158μs sein.?.
Und da ich nun auch schon eine Funktion geschrieben hat die einfarbige
Icons anzeigen kann macht das Ding auch wieder Spaß!!!
> Jetzt sag mir bitte nicht, dass "Command-Lock" kein Bussy-Flag ist!
Ich würde sagen "Command-Lock" = Busy (gesperrt besetzt beschäftigt)
Ahh ok dann macht das auch als Status etwas her nur weil normalerweise Lock ja auch bedeuten kann das es "eingeloggt" bzw erhalten wurde aber ich habe mich vermutlich nur etwas in der Übersetzung bzw Interpretation geirrt. Gruß Andreas
Ich erlebe gerade eine Überraschung:
Wenn ich etwas zeichne, gehen entweder 2 Byte Pixelfarbe oder 2 Byte
0x00 für schwarz an das Display. Daher auch der Schwarze Rand um meinen
Text. Bei jedem Pixel was gezeichnet wird, wird der SRam-Pointer im
Display vollautomatisch incrementiert. d.h. das nächste übertragene
Pixel wird vollautomatisch daneben (oder darunter) gezeichnet.
Wenn ich aber garkeinen Schwarzen Rand haben möchte, müsste der
SRam-Pointer incrementiert werden ohne dass ich ein Pixel gezeichnet
hätte. Also habe ich ERSTMALS ein ReadData-Funktion aufgesetzt. Die
Daten interesieren mich nicht, nur der Pointer. Doch der incrementiert
einfach nicht, als ob ich garkeine Leseversuche machen würde :(
> Meist ist es in solchen Fällen ja irgendein Mist...
Evtl. hab ich ein einfach nur ein kaltes Lot am RW-Pin. Ich werde der
Sache heute nach der Arbeit mal auf den Grund gehen.
So, mir reicht es jetzt! Eine kalte Lötstelle konnte ich nicht finden. Ich habe dann so lange im Programmcode rumexperimentiert bis das gewünschte Ergebniss auftrat. OLED_Inc_Pointer: sbi OLED_Cntr,OLED_DC sbi OLED_Cntr,OLED_RW cbi OLED_Cntr,OLED_CS# sbi OLED_Cntr,OLED_E nop nop sbi OLED_Cntr,OLED_CS# cbi OLED_Cntr,OLED_E ret Aber mit dem Timing-Diagramm im Datenblatt hat das wirklich nur noch wenig zu tun. Noch mal zum Mitmeißeln: Das Display hat intern einen SRam-Zeiger. Dieser wird beim Lesen oder beim Schreiben (der Daten) automatisch erhöht. Um einzelne Pixel zu überspringen, ohne sie zu überschreiben, kann man es einfach auslesen. Die hier gezeigte Funktion sollte dies, mit dem Zusatz "in Temp,PINB", eigentlich tun. Praktisch empfange ich dann aber nur Nullen. Das Display hat auf jeden Fall begriffen, dass ich es auslese. Es erhöht ja seinen SRam-Zeiger. Weiteres, wie >Dann einen externen Pul-Up (10k...1M) anschließen und messen. >Nicht das die Ausgangswiderstände des LCDs zu hochohmig sind, und deshalb >bei einem µC Pull-up von 30k die Pins nicht gegen LOW ziehen können. ..halfen auch nichts. Ich möchte das jetzt auch nicht weiter ausführen. Denn wie gesagt: Mir reicht es jetzt! Ich werde keine weiteren Leseversuche unternehmen. Dieser Thread ist von meiner Seite her beendet. Danke an alle Beteiligten.
Bitte melde dich an um einen Beitrag zu schreiben. Anmeldung ist kostenlos und dauert nur eine Minute.
Bestehender Account
Schon ein Account bei Google/GoogleMail? Keine Anmeldung erforderlich!
Mit Google-Account einloggen
Mit Google-Account einloggen
Noch kein Account? Hier anmelden.



