Hi Ich habe einen USB Converter nachgebaut und das problem ist das Win XP den Controller einen Atmega8 nicht erkennt Könnt ihr mir bitte weiter helfen Danke Kurti
Da wirst Du schon mit mehr Informationen rüber kommen müssen: - wird Dein USB überhaupt von XP erkannt? Sonst Schaltplan, verwendeter USB-Controller,... - Welches Kommunikationsprogramm verwendest Du? Was ist da eingestellt? - Wie ist der Mega8 beschaltet? usw...
Ich habe nur eine Datei die habe ich mit Ponyprog2000 überspielt Ich habe aber ein kleines Programm schon auf diesen Atmega 8 getestet da war alles in ordnung aber ohne USB
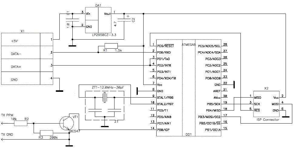
Handelt es sich um einen Mega8 (wie im Schaltplan eingezeichnet) oder einen Mega8L? Der Mega8 (4,5V-5,5V) könnte bei 3,3V Versorgungsspannung Probleme machen und der Mega8L geht zwar bis 2,7V runter, ist aber nur noch für Frequenzen bis 8Mhz gedacht (im Schaltplan 12Mhz wegen USB).
Als welche Art von Device soll sich der AtMega melden, Maus/Tastatur oder RS232 oder sowas ähnliches, wäre es ein Gerät, das ohne Zusatzsoftware von XP erkannt werden müßte?
Sind die Fuse-bits richtig gesetzt für einen externen Quarz ? Vergisst man schnell, vor allem weil die anderen Programme meiste gehen wie sie sollen.
Im Ponyprog ist kein Hackerl gesetzt Ich habe auch andere Programme getestet die haben funktioniert Grüße Kurti
Bitte melde dich an um einen Beitrag zu schreiben. Anmeldung ist kostenlos und dauert nur eine Minute.
Bestehender Account
Schon ein Account bei Google/GoogleMail? Keine Anmeldung erforderlich!
Mit Google-Account einloggen
Mit Google-Account einloggen
Noch kein Account? Hier anmelden.
