Hallo wer möchte sich 30 Euro verdienen!? Weil ich brauche dringend ein layout das lay Darf max 100x100 mm sein die leiste CN 5 Brauche ich nicht Danke. MFG Martin
Die Bauteile sind ja nichtmal durchnummeriert und nen Schaltplan, aus dem man die Netztliste und die Footprints ziehen kann, hast Du bestimmt auch nicht. Also ne, sowas ist unmöglich in 15min zu schaffen. Jede Putzfrau verdient ja mehr. Peter
Na weil irgendein Schaltplanformat deutlich einfacher zu handlen wäre... Ansonsten: Eagle gibt's doch als Freeware, und der Autorouter ist schon ganz OK... Woher soll jemand, der dir das machen soll, wissen, welche Gehäuseformen verwendet werden sollen etc?!
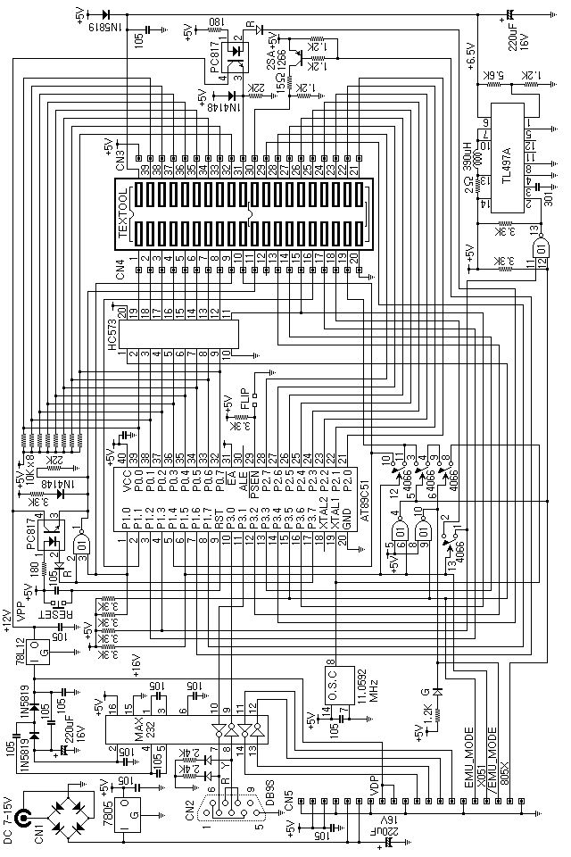
Hi da habe ich nur das original bild des programmers Mir währen die normalen bauteile lieb!
Mein Vorschlag nach wie vor: Eagle und selbermachen... Für 100 EUR findest Du sicherlich jemanden aber für 30?! Das bezweifel ich...
"Also ne, sowas ist unmöglich in 15min zu schaffen. Jede Putzfrau verdient ja mehr." naja, jetzt übertreibst du aber deutlich, rechnest 120€ Stundenlohn.... Wenn man mal bedenkt, dass Friseusen unter 4€ brutto verdienen... Ich würde das auch nicht für 30 Öcken machen, aber für einen geübten Jungspund, der sich sein Wochenendgeld sonst mit Zeitungsaustragen verdient, könnte das schon eine Alternative sein. Lassen wir doch einfach die Bewertung des Angebots, wer will, kann sich doch melden.
Ich habe sprint layout habe aber keine zeit ich bin selbstständig! Naja Trotzdem danke. MFG Martin
Hallo, bei den Koreanern kostet das Teil 66,00 Dollar (oder was auch immer, mein Firefox zeigt nur ein Fragezeichen an). Wenn Du denen eine email schickst, dann bekommst Du das Teil für ca. 50 Euronen + Versandkosten (ich schätze mal die liegen bei 10-12 Euronen). Du hast dann das Teil mit allen Bauelementen und der Software dazu. Das Layout kannst Du dann immer noch abmalen. Gruß Micha
Die 30 Euro sind eigentlich schon durch das Lesen des Thread weg. Realistisch gerechnet, die Bauteile erfassen, Fussabdruck zuweisen, Bauteile platzieren gemaess jpg, und den Autorouter anwerfen da sind selbst 300 euro knapp. T
Raeuber (Raeuberbande?) 30€ dafuer kommste gratis inn Knast!
Warum muss es eigentlich der sein es gibt doch viele im internet zum selber bauen
Wegelagerer, Pluenderer ... sogar die Koreaner wollen 50 Euro .. weshalb muss alles so teuer sein ?
> weshalb muss alles so teuer sein ?
Genau, Geiz ist geil !!
Bestimmt findet sich jemand, der das auch für 3,- Euro macht...
Na klar, da der Tarif so um die €8,- liegt (die Putzfirma rechnet sicher mehr ab), verdient die auf jeden fall mehr - nur bekommen tut sie halt weniger
Also ich bekomme beim Nacktputzen immer mindestens 200€ die Stunde, Sonderdienstleistungen gehen extra. Insofern hat Peter vollkommen Recht!
Vielleicht mal so'n indisches Straßen-CAD-Kind fragen?
Bitte melde dich an um einen Beitrag zu schreiben. Anmeldung ist kostenlos und dauert nur eine Minute.
Bestehender Account
Schon ein Account bei Google/GoogleMail? Keine Anmeldung erforderlich!
Mit Google-Account einloggen
Mit Google-Account einloggen
Noch kein Account? Hier anmelden.

