Gibt es einfache Bewegungsmelder für platinenmontage? Ich bin mir nicht ganz sicher wonach ich suche, eigentlich ein standard bewegungsmelder wie man ihn draußen benutzt, nur kleiner zum auf die Platine setzen (will meine Uhr damit ausstatten, so dass die Uhrzeit nur angezeigt wird wenn sich jemand im Raum bewegt)
Sicher, gibt es alles http://www.panasonic-electric-works.de/pewde/de/downloads/ds_61802_0002_de_napion.pdf ua. hab ich den hier verbaut: http://www.yatego.com/spezialhandys/p,45e9c0edeea49,442130394b4338_1,alarmsystem-zum-aufstecken-mobi-click-light http://www.bauen.de/um-ausbau-infocenter/das-intelligente-haus/single/artikel/alles-unter-kontrolle.html Geht gut, sehr klein. Gibt verschiede. Je nach Optik zwischen 5 und 12 Meter Reichweite. Das Ausgangssignal ist komplett fertig aufbereitet und liegt als CMOS PEGEL vor. Du brauchst also keinen Verstäker oder sowas bauen. Gruß AxelR.
>Aber wo bekommt man die her? :/ http://www.panasonic-electric-works.de/pewde/de/html/759.php daraus folgend: http://www.distrelec.com/ishopWebFront/catalog/product.do/para/node/is/acagacaealaa/and/highlightNode/is//and/id/is/01/and/series/is/1.html
kennt vielleicht noch jemand einen günstigeren sensor? 20 euro für so einen Bewegungsmelder finde ich schon recht viel. Ich hab irgendwo mal einen CY171 oder so ähnlich gesehen, war ein PIR in einem Metallgehäuse.
kc7783 schaut gut aus (bei alldatasheet gefunden), aber ich find wieder keinen deutschen lieferanten :/
http://www.conrad.de/script/passives_mini_ir.sap kostet 10Euro. Aber ob das un das NonPlusUltra ist? ich weiss nicht... Noch billiger wirds mit den Moduln, die keinen Verstärker integriert oder angesetzt haben. Hier musstDu das Signal selbst filtern und verstärken. Die Optik brauchst Du auf jeden Fall. 20Euro sind nicht gerade wenig. Da gebe ich Dir erstmal Recht. Aber wenn Du Dich noch mit dem Verstärker und dem Abglech rumärgern musst, na viel Spass. Ich nicht mehr ;-))
Kostet heute alles nur 10,21 Euro? Auf der Conrad-Seite sind drei Produkte zu dem Preis.
10 euro ist immernoch heftig, aber wenigstens etwas erträglicher. gibt wohl keine ultra-billig lösung für sowas.
ELV: PIR-SENSOR für 5Euro http://www.elv.de/output/controller.aspx?cid=74&detail=10&detail2=10541 Die Optik dazu für 4Euro http://www.elv.de/output/controller.aspx?cid=74&detail=10&detail2=10333 sind schon neune, und jetzt brauchsts noch eine Platine und die Auswertelektronik? Hättest Du 20 Euro überwiesen, wärst Du längst fertigmit deinem Projekt ;-))
In den PIR Nachtlichtern von TCM o. Aldi sind solche Teile verbaut. Ich habe eins von TCM geschlachtet, funktioniert super, 6,95 Euro, und ein bisschen Vogelfutter fällt auch noch ab.
Danke Lothar, ich werd gleich mal bei aldi schauen, bin mir aber sicher die werden jetzt keine mehr da haben. Axel: Ich brauch schon 10 Stück (also fast eine Kleinserie, heh ;)). Naja durch den Multiplikationsfaktor spürt man aber jeden Euro. Bei ELV bin ich mir nicht sicher worum es sich bei den beiden von dir gezeigten Artikeln handelt (mangels Foto oder Beschreibung). Ist der Sensor mit Schaltausgang? Wozu brauch ich die Linse (was passiert wenn man den ohne Linse betreibt?)? Irgendwie ist da nix ersichtlich. :(
http://www.elv.de/output/controller.aspx?cid=74&detail=10&detail2=9100 so ist evtl. besser zu sehen. Die Optik brauchst Du auf jeden Fall. Ohne gehts nicht. Hängt mit der Sprungtemperatur zusammen, die beim Überstreichen der einzelnen Sektoren entsteht.
@Lothar: Hast Du nähere Informationen über das TCM Teil? Ich bin nämlich auch gerade dabei, das TCM Teil für meine Zweck zu missbrauchen... Polli
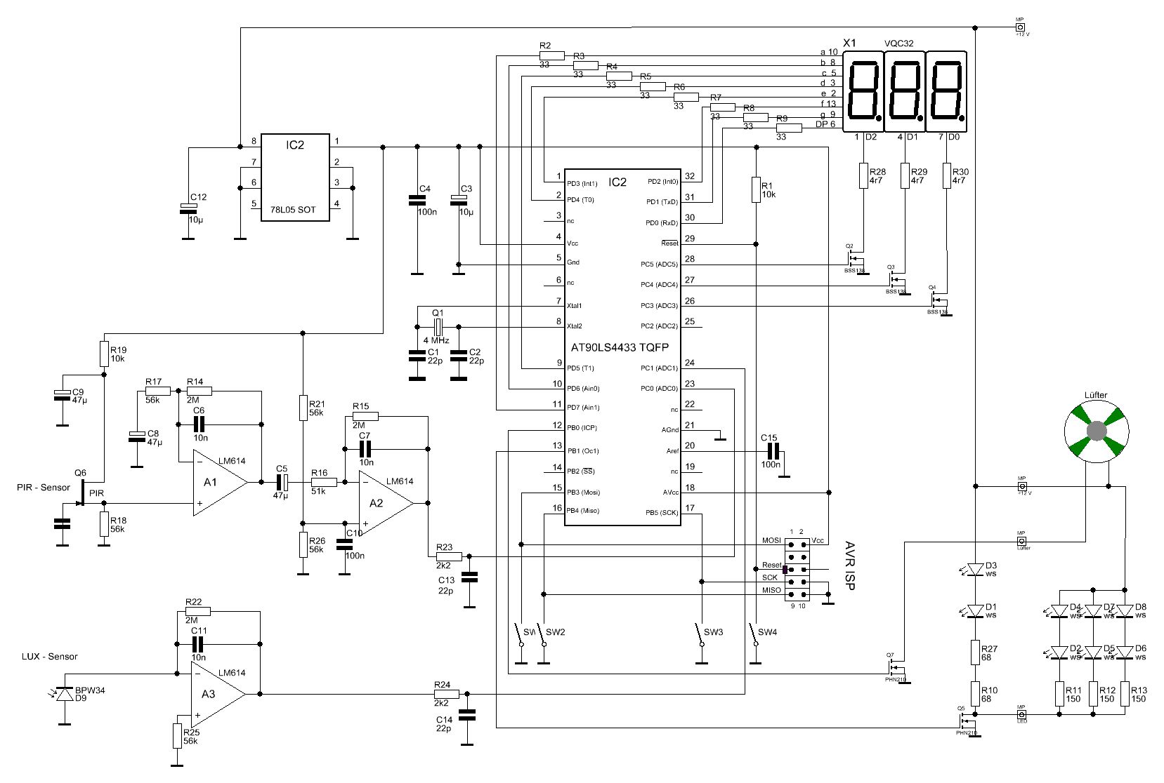
@Polli Ich habe nicht gesagt, dass es die Teile momentan gibt, habe sie aber immer wieder mal gesehen, die Tsch.. Stände sind ja fast in jedem Supermarkt. Das Aldi-Teil war sogar noch billiger 4,95, hat aber einen anderen PIR-Sensor. Geht sicher genauso, hat aber nicht in meine Leiterplatte gepasst. Ich poste heute Abend meine Schaltung. Findest Du aber auch bei ELV und "C". Ich nutze nur das Analogteil (2*OPV) und gebe den Ausgang auf einen ADC-Eingang eines MC. Per Software kannst Du dem Verhalten dann Intelligenz verleihen. Am Einfachsten ist es, wenn Du, so wie es die Nachtlichter machen, nur zwei Schwellen > 2/3 Ub und < 1/3 Ub auswertest. Bis heute Abend Lothar
Das Bewegungsmeldermodul PIR 13 von ELV ist übrigens ein Komplettbausatz 11,95 € Artikel-Nr.: 68-563-67 Einzelteile gibt's wie von AxelR. geschrieben. Die Läden lagen auf dem Rad-Weg. Ich bin ebenfalls an 6-10 solcher Module interessiert.
Je länger man einer Lösung sitz, um so billger wird sie am Markt (von anderen) zu bekommen sein. Deine Marge schwindet jeden Tag ein wenig! Du musst nichts erfinden, was es zu kaufen gibt. Wenn das Teil in einer kleinen Serie aufgelegt werden soll, dann leg doch die 10 Euro, die Du auf meine Empfehlung mehr zahlen sollst, auf den Gerätepreis um. Die Teile sind soo klein. Den 10er zahlt der Kunde bestimmt. Aber evtl. nur noch diese Woche ;-)) Gruß AxelR.
Andererseits waren Anfang der 90er diese Türgongs sehr beliebt, die man einfach in die Tür stellte. Dort war auch ein PIR verbaut. Als Optik allerdings nur ein Plastikröhrchen. Hat aber ausreichend funktioniert. Sowas sollte doch irgentwo als Restposten bekommen, wenns nun garnicht anders geht.
Bei pearl gibt es "Lunartec Nachtlicht (mit Infrarotsensor)" für 6.90, allerdings steht nicht ausdrücklich da, daß es sich um einen PIR-Sensor handelt.
Der Kunde bin ich, und die 100 Euro Mehrpreis bei 10 Geräten möchte ich nicht bezahlen. Da such ich lieber ne Stunde..
Also, hier mal ein Foto (auf 50% eingedampft), links der eingesetzte PIR Sensor mit abgenommener Linse, Mitte das Aldi Teil, rechts das von TCM.
.... und noch ein Datenblatt. Ich denke ich habs vom "C". Aus der Schaltung habe ich gekupfert. Grüßle Lothar
Kürzlich habe ich ein TCM-Modell erstanden. Mein Gedächtnis hat mir natürlich einen Streich gespielt, ich dachte, die PIR-Sensoren wären modular. Aber die Linse ist halt schön klein.. TCM 234778 Habe leider gerade nichts zur hand, um die Stromaufnahme zu messen.
Brauche immoment auch sowas (Schonung von nixieröhren). Gibts aktuell eine adäquate Quelle? Sonst kann man ja auch diese furchbaren Quakfrösche, Gartenzwerge o.Ä. die es in Restpostenläden gibt, schlachten.
Bitte melde dich an um einen Beitrag zu schreiben. Anmeldung ist kostenlos und dauert nur eine Minute.
Bestehender Account
Schon ein Account bei Google/GoogleMail? Keine Anmeldung erforderlich!
Mit Google-Account einloggen
Mit Google-Account einloggen
Noch kein Account? Hier anmelden.

