Ich schiebe mir gerade ein paar MP3's von einer Toshiba 4GB SDHC durchs Hirn. Controller ATMega32 und ein VS1001. Viel Spass damit ;)
Hallo Holger Ich habe schon einen MP3-Player von Phrozen gebaut. Deshalb interessiert mich dein Code. (Ich bin bei C noch nicht so fit) Was hast du für Hardware? Ich fand keine Schaltung in deinem Archiv Gruss Tobias
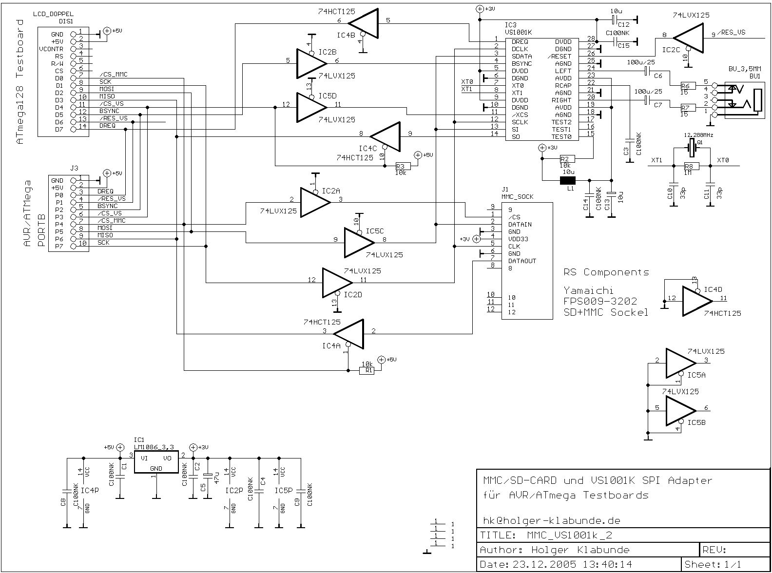
Es gibt keinen kompletten Schaltplan. Ist alles nur so zusammengefummelt. Hab mal den MMC/VS1001 Plan drangehängt. Das ist ein Modul zum anschliessen an mein selbstgebasteltes ATmega32 Testboard. Der ATMega läuft mit 5V und 16MHz. Ist also eher für stationären Betrieb gedacht. An Portd ist noch ein Standard Textlcd 2x40 dran. Im 8Bit Modus, was für eine Verschwendung ! Am Int0 Eingang hängt ein TSOP1736 zum empfangen von RC5 Codes. Als Fernbedienung tuts bei mir ne alte von einem kaputten Philips CD-Player. An Porta habe ich 8 Taster für die üblichen Playerknöpfe. Viele Funktionen hat der Player noch nicht. Einschalten und die Songs werden einer nach dem anderen abgedudelt bis man ihn abschaltet. Mit den Knöpfen/der Fernbedienung kann man dann auf den nächsten/vorherigen Song springen, Pause, Stop,Play und Lautstärke. Also das übliche. Das Programm merkt sich auch noch nichts. Weder den zuletzt gespielten Song noch die Lautstärke. Ich denke das die meisten Downloader auch eher das lesen/schreiben von einer SDHC Karte interessiert ;) So war der Thread auch gedacht. Ein einfacher MP3 Player als Beispiel ist doch nett.
Jo, wiedermal was Gutes von Holger. Der beste "Programmieradapterentwickler" of the world :-) Beste Grüße
Ach so ein Mist, da hab ich mir doch glatt die MMC's wegprogrammiert :( Sorry. Nur SD's funktionierten. Jetzt sind die MMC'S wieder mit drin. Nachtrag: Das LCD hängt an PORTC und PORTD. Siehe lcd.h . Die Belegung der Player Buttons steht logischerweise in buttons.h . Und an alle die sich einen schicken MP3 Player bauen wollen: Nehmt nicht diesen. Er ist nur ein einfaches Testprogramm !
Bis zu wieviel Kilobitsec geht den der? Funktioniert der auch mit dem VS1011e?
Soviel ich weis, sind die alle kompatibel Grüße Michelle nur das VS1053 Flagschiff verwendend
Kann mir jemand den code für ein 4*16 LCD umprogrammieren? Ich bin leider kein C Programmierer.
Ich habe leider keinen C compiler kann Jemand bitte den mp3 Player in ein Hex-file übersetzen?
Ich habs mit Avr Studio 4 mit avr GCC versucht bekomme allerdings 19 Errors und 8 Warnungen. Kann Jemand das bitte compilieren?
So, mal ein kleines Update. 2GB Karten wurden von der 2007 ;) Software nicht so gut erkannt. Das sollte jetzt behoben sein. Hex Dateien für ATMega32 @ 16MHz sind auch dabei.
Ja 2GB Karten funktionieren jetzt auch. Getestet mit: 2Gb SD Pannsonic 2Gb Sd Ultron Funktionieren beide.
Wäre es nicht möglich ein Multifunktions Soundmodul RC-Modelle zu bauen? Empfängersignale auswerten und dazu das richtige Geräusch abspielen. Kann leider kein C aber dafür Bascom. Meine lösung dafür währe Bascom Controller steuert Mp3 Player. Wäre eine echt coole Sache. Ambesten Mit UART anbindung.
Bitte melde dich an um einen Beitrag zu schreiben. Anmeldung ist kostenlos und dauert nur eine Minute.
Bestehender Account
Schon ein Account bei Google/GoogleMail? Keine Anmeldung erforderlich!
Mit Google-Account einloggen
Mit Google-Account einloggen
Noch kein Account? Hier anmelden.
