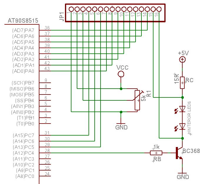
Hallo, wie im Schaltplan im Anhang hab' ich eine PWM gesteuerte Hintergrundbeleuchtung gebastelt. Problem: an der CE Strecke liegt 1,5 Volt Spannung an, obwohl mein Basis widerstand nur noch 270 Ohm hat. Ich verwende einen BC847 in SMD für die Sache - ist der zu klein??? AM Display liegen noch 3,5 Volt an aber es fließen nur 2 mA - dementsprechend finster ist die Hintergrundbeleuchtung auch.... Kann ich das Problem mit einem Mosfet lösen oder was soll ich jetzt machen?? Vielen Dank Christian
Wie sehen die Signal an der Basis vom Transitor aus? Nimm mal den MC aus seinem Sockel und gebe 5V auf pin 28 vom Sockel, leuchtet dein Display? Wenn nicht wird wohl der Transistor hinüber sein. Berechne mal den Basiswiderstand genau! 270Ohm ist zu groß! mfg
Hallo ihr netten "Schnellantworter", vielen Dank für eure Hinweise und Tips - das Problem ist, dass es sich um eine SMD Platine handelt, die ich selber entworfen habe - deshalb ist alles etwas unübersichtlich und ich bin nicht richtig an den transistor gekommen. Den hab' ich eigentlich bloß austauschen müssen, da der alte aus irgendeinem Grund kaputt gegangen ist..... jetzt funktionierts wunderbar :-)))) Vielen Dank nochmal für eure Bemühungen!! Christian
Bitte melde dich an um einen Beitrag zu schreiben. Anmeldung ist kostenlos und dauert nur eine Minute.
Bestehender Account
Schon ein Account bei Google/GoogleMail? Keine Anmeldung erforderlich!
Mit Google-Account einloggen
Mit Google-Account einloggen
Noch kein Account? Hier anmelden.
