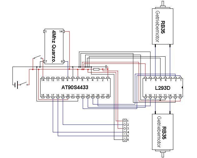
Hi! Mich würde interessieren, ob diese Schaltung funktionieren würde, wenn ich sie bauen würde?
Hi, kann es sein, daß du beim Quarzoszillator Pin 8 und Pin 14 vertauscht hast ? Pin 14 ist recht oben und muß mit VCC verbunden werden, Pin 8 ist rechts unten, dies ist der Ausgang des Oszillators. Thorsten
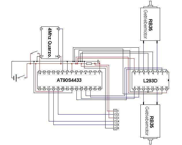
Oha, ja habe ich! Ich hoffe, dass das mein einziger Fehler war. Anbei habe ich die korrigierte Version! Die Schaltung müsste aber funktionieren, oder?
Hallo Benjamin, zum besseren Verständniss der Schaltung, solltest du die Pinfunktion mit an das Bauteil schreiben (VCC, GND, PORTB, etc.), damit man nicht das Datasheet zur Hand nehmen muss. Beim Überfliegen der Schaltung ist mir aufgefallen, dass der Schalter an PIN 14 nur mit VCC verbunden ist. Da ich jetzt nicht ins Datenblatt schauen will, kann ich nur sagen 1. Wenn es eine Port ist, dann fehlt das Bezugspotential, wenn der Schalter offen ist. -> spendieren noch einen Widerstand gegen Masse. 2. Ist es die Spannungsversorgung, solltest du diese mit einem Abblockkondensator versehen. -> die typischen 100nF sollten erstmal reichen. Vielleicht solltest du auch noch versuchen, dir ein Schematic Tool zu besorgen, damit du die Schaltung nicht mit Powerpoint zeichnen musst :-). Es gibt da kostenlose Software z.B. bei IBFreidrich http://www.ibfriedrich.com/vordownload.htm Viel Spaß
@Oliver Guter Vorschlag !!! Target hat mir so gut gefallen das ich mir die Light Version bestellt habe 54 mit Versand
Eagle von CADSOFT stellt eine "Light"-Version kostenlos zur Verfügung... Hat mir bislang immer gereicht.
Wie viele Lötaugen unterstützt Eagle? Welche einschränkungen gibt es? Target 3001 gibt es als download Testversion mit 100 Lötaugen und 2Seitigen Leiterbahn. http://www.ibfriedrich.com Und die light V10 für 54 inc P/V hat 400Lötaugen 2Kupferbahnen Platinenfläche 1,2 mal 1,2 METER Simulation von 75 Analogen und 75 Digitalen Knoten Alle Funktionen der Design Station. Sollte man sich mal anschauen.
Zu Eagle Light: - Nutzbare Platinenfläche auf 100x80mm beschränkt - Nur 2 Layer (Top & Bottom) - Schaltplaneditor kann nur eine Seite erzeugen Mir hat diese Version bis jetzt immer gereicht. MfG
Bitte melde dich an um einen Beitrag zu schreiben. Anmeldung ist kostenlos und dauert nur eine Minute.
Bestehender Account
Schon ein Account bei Google/GoogleMail? Keine Anmeldung erforderlich!
Mit Google-Account einloggen
Mit Google-Account einloggen
Noch kein Account? Hier anmelden.

