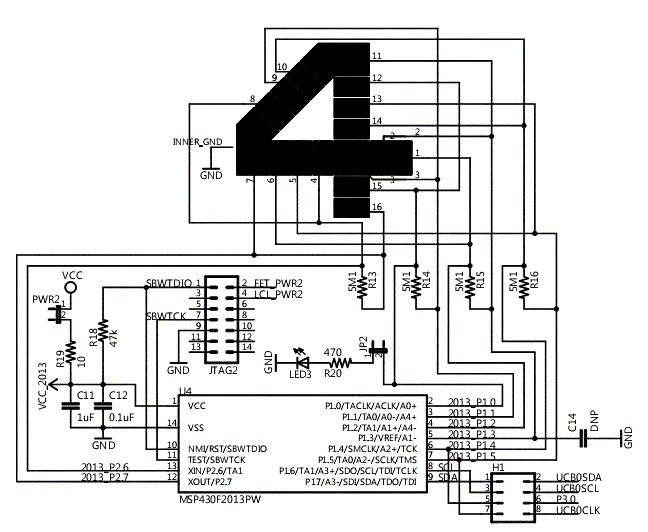
Hi, hat jemand schonmal mit diesem Board gearbeitet? http://focus.ti.com/docs/toolsw/folders/print/msp-exp430fg4618.html?DCMP=MSP430&HQS=Other+OT+430expboard Sehe ich das richtig (hab nur nen schaltplan und keine beispielcode), dass die kapazitiven tasten lediglich durch die aufladezeit der kondensatoren/touch-pads realisiert sind? Glaube kaum, dass das hinter ner plastik/glasscheibe noch funktioniert, oder?
Bitte melde dich an um einen Beitrag zu schreiben. Anmeldung ist kostenlos und dauert nur eine Minute.
Bestehender Account
Schon ein Account bei Google/GoogleMail? Keine Anmeldung erforderlich!
Mit Google-Account einloggen
Mit Google-Account einloggen
Noch kein Account? Hier anmelden.
