Hallo, ich versuche gerade ein SED1520 LCD an den atmel anzuschließen. das display wird im externen memory vom avr abgebildet. jetzt habe ich allerdings das problem dass die enablepins E1 und E2 (von den zwei SED kontrollern) hinter einem 74HCT04 (sechs inverter) liegen und damit an dem E1 und und dem E2 default high anliegt. wenn der kontroller dann ein reset bekommt (sei es durch power-on oder manueller reset) dann zieht er den datenbus auf 5V hoch. E1 und E2 soll jetzt aber beim power-on auf low liegen. ich habe mir überlegt, dies entweder über zwei AND gatter (allerdings kostet mich das dann wieder einen io pin vom atmel, der dann eigentlich nur beim reset auf low gesetzt wird) oder vllt könnte man das 74HCT04 zeitlich versetzt erst mit spannung versorgen, so dass beim power-on E1/E2 "in der luft hängen". also einmal vereinfacht ausgedrückt, sollte das ic erst seine aufgabe aufnehmen, wenn ein paar ms vergangen sind. mfg pacman
Wie wärs mit zwei Pullup Widerständen an den entsprechenden Eingängen des 74HCT04? Oder versteh ich da was falsch?
Warum machst Du das Reset nicht einfach nochmal, nachdem an E1/E2 die richtigen Pegel anliegen ? Peter
hallo, fino & peter: hm,imho habe ich dann das selbe problem wie nach peters vorschlag, ich kann beide leitungen nicht gleichzeitig auf low ziehen, ich kann nur E1 oder E2 auf low setzten, hängt dann vom zustand von A2 ab. und beim reset müssten beide auf low liegen.
Wenn Du das Conrad-Display: http://www1.conrad.de/scripts/wgate/ZCOP_B2C_NJS2eef090d/~flNlc3Npb249UDkwV0dBVEU6Q19BR0FURTA0OjAwMDAuMDFkNC5jZmY5OGZlYiZ+aHR0cF9jb250ZW50X2NoYXJzZXQ9aXNvLTg4NTktMSZ+U3RhdGU9MzMxOTM0ODAyNg==?~template=pcat_product_details_document&r3_matnr=000000000000181769&object_id=0000000000000000000000000000000000181769&object_guid=B2107B3B5FF4615AE10000000A010220&p_load_area=212040&text_ztab=Typ%40DIP122-5NLED+%7cAusf%fchrung%40grafisches+Modul%2c+Kontroller+SED1520+%7cZeichenformat%40122x32+Pixel+%7cZifferh%f6he+mm%40-&area=212040&page=5&price=Kein+Preis%21 meinst, das kannst Du nicht im Intel-Mode benutzen, sondern nur im Motorola-Mode. Und dazu must Du die E1/E2 so generieren, daß im Ruhezustand beide low sind. Und nur beim Lesen oder Schreiben, wird eins von Beiden auf high gezogen. Du must also Deine Schaltung entsprechend abändern. Peter
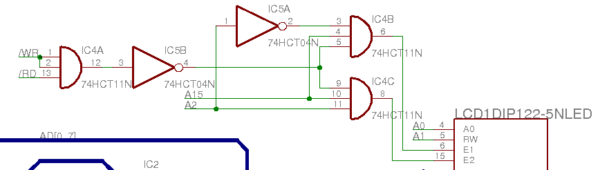
hallo, meinst du das DIP122-5NLED? (der link geht nicht) ja das habe ich, hab mir schon fast gedacht, dass die enable pins active high sind. so hatte ichs auch vorher, nur gings dann nicht, und dann hab ichs mal mit dem invertierten signal probiert. dann liegt es wohl am timing. die enable pulse hängen vom atmel memory management ab, siehe anhang (/RD /WR sind die entsprechenden pins am avr) Die schaltung zieht auch manchmal über 200mA. Kann das davon kommen dass der SED und der atmel auf den datenbus schreibt? also der sed zieht den hoch und der atmel versucht ihn runterzuziehn? mfg pacman
achso, der obige anhang ist die ursprüngliche schaltung ohne die inverter zw NAND und E1/E2.
Bitte melde dich an um einen Beitrag zu schreiben. Anmeldung ist kostenlos und dauert nur eine Minute.
Bestehender Account
Schon ein Account bei Google/GoogleMail? Keine Anmeldung erforderlich!
Mit Google-Account einloggen
Mit Google-Account einloggen
Noch kein Account? Hier anmelden.
