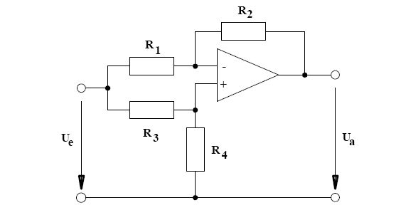
Hallo, ich bereite mich gerade auf eine Prüfung vor und versuche die Übertragungsfunktionen von OP Amp Schaltungen aufzustellen. Im Netz bin ich jedoch über eine sehr komische Schaltung gestoßen. Probleme macht mir vor allem Ue, dass gleichzeitig an zwei Anschlüsse des OP geht. Kann mir von euch jemand einen Tipp geben, wie ich so etwas am einfachsten angehen kann?
Lesen http: //www.mikrocontroller.net/articles/Operationsverst%C3%A4rker-Grundschalt ungen
Bitte melde dich an um einen Beitrag zu schreiben. Anmeldung ist kostenlos und dauert nur eine Minute.
Bestehender Account
Schon ein Account bei Google/GoogleMail? Keine Anmeldung erforderlich!
Mit Google-Account einloggen
Mit Google-Account einloggen
Noch kein Account? Hier anmelden.
