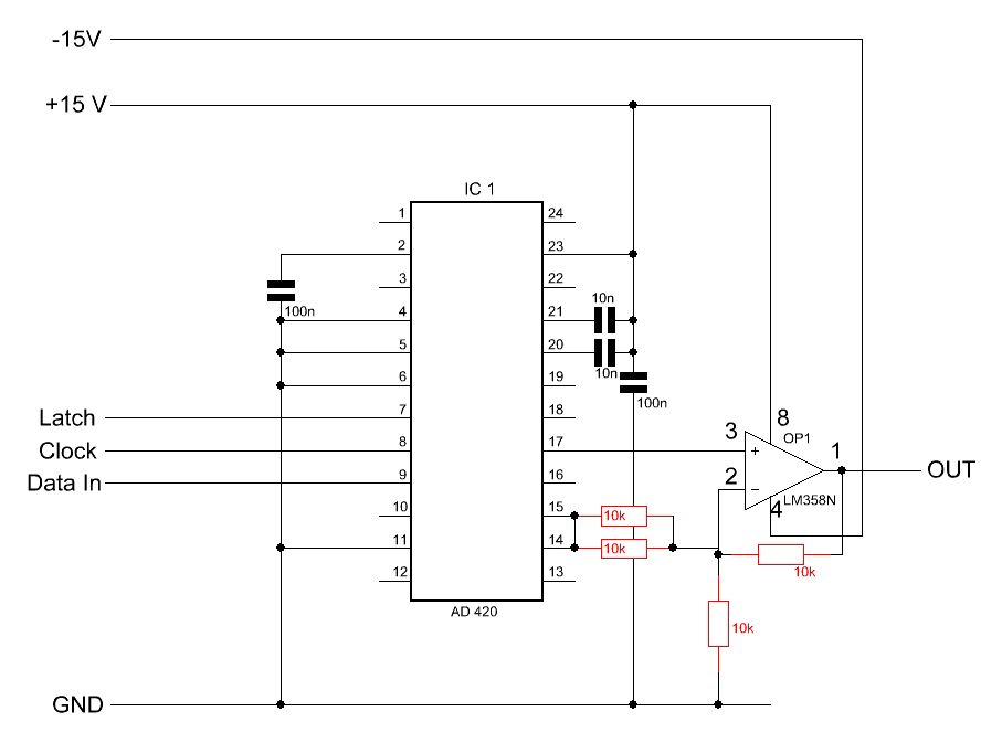
hallo leute, ich möchte einen externen AD420 an das Evaluationboard MCB2140 über SPI anschließen. Kann mir jemand erklären, wie ich das Ganze hardwaretechnisch am besten realisiere?!Wäre über jegliche Tipps dankbar....
Bitte melde dich an um einen Beitrag zu schreiben. Anmeldung ist kostenlos und dauert nur eine Minute.
  
  Bestehender Account
  
  
  
  Schon ein Account bei Google/GoogleMail? Keine Anmeldung erforderlich!
Mit Google-Account einloggen
Mit Google-Account einloggen
  Noch kein Account? Hier anmelden.

 Thread beobachten
 Thread beobachten Seitenaufteilung abschalten
 Seitenaufteilung abschalten