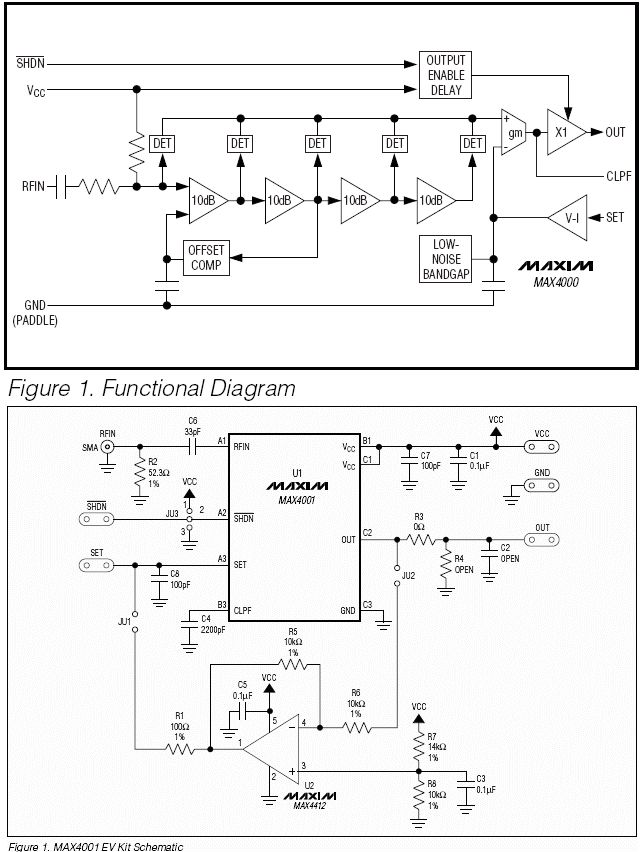
Hallo! Ich möchte den MAX4000 als HF-Detektor verwenden. Also am OUT-Anschluss eine Spannung haben, die der Eingangsleistung an RFIN entspricht. Reicht es dafür OUT und SET direkt zu verbinden? Ich verstehe nicht warum sich beim EVKIT zwischen OUT und SET ein Inverter befindet (Im Detektor-Modus sollen JU1 + JU2 gebrückt sein). Im Anhang sind MAX4000 Funktionsdiagramm und EVKIT-Schaltplan. Über ein paar Hinweise würde ich mich freuen. Michel
Dann beantworte ich einen Teil meiner Frage selbst: Da die MAX4000 Reihe hauptsächliche für die Regelung von Endstufen entwickelt wurde, wird bei geringer Eingangsleistung an OUT eine hohe Spannung ausgegeben. Deshalb geht ein einfaches verbinden von OUT und SET nicht und es muss ein Inverter dazwischen sein. Bei anderen Detektoren steigt die Augangsspannung mit steigender Eingangsleistung. Beim MAX 4000 ist es umgekehrt. Jetzt suche ich aber noch Infos darüber was eine "gm stage" ist, da mir die Funktion klarer wäre, wenn dort + und - Eingang vertauscht wären. Michel
Hallo Michael, gm steht für 'Transconductance', also die Steilheit eines Vierpols. Siehe hier: http://en.wikipedia.org/wiki/Transconductance Eine gm-Stage definiert die Steilheit (U_RF_IN / I_Detector_Out) einer Ausgangsstufe. Ich habe das Datenblatt nur kurz überflogen: Ich denke über 'SET' läst sich beim Max 4000 die Steilheit pro dB (logarithmic slope) verändern. Gruß Nils
Der MAX4000 ist im Bausatz "HF-Sniffer" der Aatis enthalten: http://www.bausatz.aatis.de/Tipps/AS644-Tipps_HF-Sniffer/AS644B_S-a.gif
Bitte melde dich an um einen Beitrag zu schreiben. Anmeldung ist kostenlos und dauert nur eine Minute.
Bestehender Account
Schon ein Account bei Google/GoogleMail? Keine Anmeldung erforderlich!
Mit Google-Account einloggen
Mit Google-Account einloggen
Noch kein Account? Hier anmelden.
