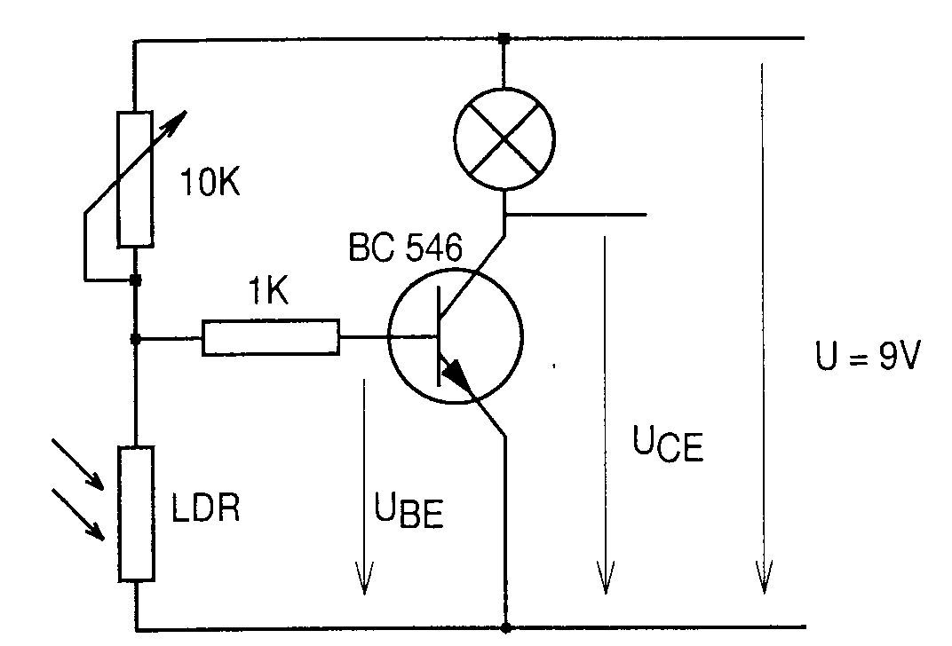
Hallo, Ich möchte einen einfachen Dämerungsschalter bauen, so wie in der Skizze (Anhang).Problem ist, dass ich nur eine Zelle (1,2V) habe. Dahinter soll dann ein einfacher Set-Up Wandler für die LED. Allerdings sollte der Transisotr die Elektronik wirklich möglichst Stromlos schalten so fern es dunkel wird, sonst entläd sich der Akku. Macht der Spannungsabfall vom Transistor nicht schon Probleme? Gruss Alex
@ Bernd (Gast) >Ich möchte einen einfachen Dämerungsschalter bauen, so wie in der Skizze >(Anhang).Problem ist, dass ich nur eine Zelle (1,2V) habe. Dahinter soll Dann nimm einfach zwei Zellen, entweder Lithium oder einfach zwei Microzellen. oder soll das wieder State of the Art HighTec werden? MfG Falk
Hallo, Das soll in Modellfahrzeuge die mit einer Nimh Zelle fahren! Mit einer Lipo müsste man die Spannung wegnehmen da die Kisten sonst zu schnell fahren.. das geht wieder auf den Wirkungsgrad. Gruss Alex
Bitte melde dich an um einen Beitrag zu schreiben. Anmeldung ist kostenlos und dauert nur eine Minute.
Bestehender Account
Schon ein Account bei Google/GoogleMail? Keine Anmeldung erforderlich!
Mit Google-Account einloggen
Mit Google-Account einloggen
Noch kein Account? Hier anmelden.
