Hi, kann mir jemand mit Eagle einen Schaltplan erstellen? Der Schaltplan ist derzei nur in einer gif verfügbar... Nun leider kenne ich mich noch nicht so besonderst mit Eagle aus!
Hier ist ein Link, der Dir beim "Auskennen" hilft. Muß aber Java-Skript aktiviert sein. MfG Paul
Was zahlst du? Vielleicht lernst du es einfach... So ein Schaltplan ist schnell gemacht, auch wenn man sich nicht auskennt. Ansonsten muss du halt zahlen... Umsonst ist heute ja nichts mehr.
Das immer nur umd Geld geht... Ist es nicht sinn und zweck einer Community sich gegenseitig zu helfen? Anscheind ist der wille zu helfen nicht mehr so wichtig wie das Geld.
Mir ist allerdings noch unklar, wie ich Wiederstände in den Schaltplan reinbekomme.
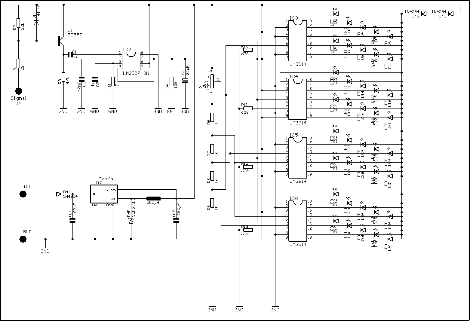
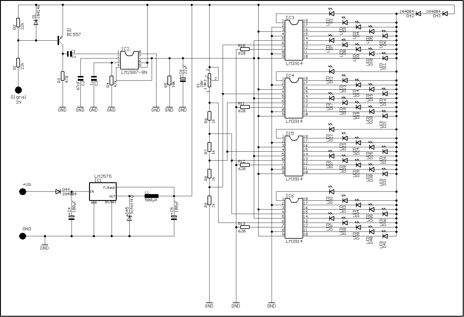
_Schaltplan fertig!_ So... ... den Rest der noch fehlt sofern was fehlt musst du dir halt mit einschlägigen Eagle-Tutorials selber durcharbeiten. Sooo schwierig wars auch net hat mal grad n paar Minuten gebraucht ;-) Grüßle, Unbekannter Schaltplanersteller
Kann mir wenigstens einer sagen was ein normaler Kohlewiderstand ist?
Mach mal BEARBEITEN->ADD In das Suchfeld gibst Du resis* ein. Da gelangst Du in die Bibliothek rcl. Dórt sitzen alle möglichen Sorten Widerstände drin. MfG Paul
Ja, das habe ich jetzt bereits rausgefunden. Ich suche allerdings noch die IC´s LM2575 LM2907 LM3914 auf nicht smd variante, wo sind die versteckt?
Die scheint es nicht in Eagle zu geben. Da kannst Du nur suchen, ob Du einen Kollegen mit dem gleichen Gehäuse findest, oder Du mußt ihn selbst malen. MfG Paul
Na dann kann ich lange suchen. Dann auch noch malen?! Kann das wenigstens einer machen?
Dirk wrote: > Das immer nur umd Geld geht... Ist es nicht sinn und zweck einer > Community sich gegenseitig zu helfen? Anscheind ist der wille zu helfen > nicht mehr so wichtig wie das Geld. Ich fasse mal zusammen: Du kommst hier rein, hast von Tuten und Blasen keine Ahnung, verteilst Arbeit, maulst rum, weil sich nicht sofort ein Idiot findet, der sie umsonst ableistet und zeigst darueber hinaus noch nichteinmal ansatzweise den Willen, auch nur selber einen Finger krumm zu machen, geschweige denn dass Du ueberhaupt Interesse an der Sache hast. Wuerde mich nicht wundern wenn Du selber fuer diese "Arbeit" noch Geld verlangst.
> Ist es nicht sinn und zweck einer > Community sich gegenseitig zu helfen? Helfen, ja, die Arbeit machen, nein. Hilfe zur Selbsthilfe ist das Stichwort: Die Community gibt dir Tipps und Anregungen, was du in deiner Situation tun könntest, und du musst dich dann selber reinknien, um die Tipps umzusetzen.
Ich fasse auch mal zusammen, ich habe mich durch sehr viele Websites im Internet gequällt bis ich dann zumindestens ansatzweise es geschafft habe mich etwas durch die Software durchzuarbeiten. Nun habe ich zumindestens ein paar Widerstände und Leiterbahnen auf dem Schaltplan! Für ein nicht PC-Freak schonmal ein großer Fortschritt... Ich arbeite nunmal mit größerem Werkzeug und bin daher nicht auf ein PC oder Lötkolben angewiesen!!! Ich habe mich gestern ganz ehrlich gesagt so gut wie den ganzen Tag durch dieses Software gequält und das einzige was ich jetzt noch benötige sind diese 3 doofen IC´s die ich nicht finde! Und da ich mich mit PC´s nicht auskennen war das anderst gemeint wie es rüber gekommen ist mit dem malen (ironie). Ich finde es sehr enttäuschend von diesem Forum und das nicht in diesem Beitrag, man braucht nur mal durch die Threads Blättern und lesen! Da sieht man einige fragende denen nicht geholfen wird und nur dumme kommetare zurückbekommt. Siehe z.B.: Unbekannter Schaltplanersteller diese aktion ist für mich unterste Schublate.... Und daher ohne weiteren kommentar. Nur noch zur Info, ich habe es nicht vor zu Verkaufen! Ich will es für mich privat nutzen und mehr nicht. Schönen abend noch
Dirk wrote: > Für ein nicht PC-Freak schonmal ein großer Fortschritt... Ich arbeite > nunmal mit größerem Werkzeug und bin daher nicht auf ein PC oder > Lötkolben angewiesen!!! Wie goldig... dann draengst sich mir nur die Frage auf, was Du die ganze Zeit an der Kiste machst und warum Du andere mit Deinen Belangen konfrontierst, wo Du doch ueberhaupt nicht auf den Mist angewiesen bist? Schalt ihn halt einfach aus, da haben wir alle mehr von. Nachtrag: Kennst Du eigentlich den Spruch "Wie man in den Wald hineinbruellt"?
Also gut: Notlösung:Für den LM2575 suchst Du Dir den TDA2030 aus, (der sieht genauso aus, hat aber eine völlig andere Funktion) Die anderen beiden haben DIL8 bzw. DIL 18 Gehäuse, da gibt es "leere" Gehäuse, die Du nehmen kannst. Die kannst Du so suchen, wie ich oben beschrieben habe. DIL* eingeben und Du hast sie. Bleib ruhig! Deine Antworten oben konnten, so wie sie waren, nur in den falschen Hals geraten. MfG Paul
Hi, hier mal was umsonst, ohne jegliche Gewähr. Hab ne halbe Stunde dazu gebraucht. Das Layout ist einseitig mit ein paar Brücken, passt auf 80x100mm Ciao Bernd
So eine Antwort wie von Paul Baumann hätte ich mir von anfang an gewünscht.... Das werde ich dann auch gleich versuchen und falls es dann doch nicht klappt, dann werde ich mal in die Datei von NochEinGast reinschauen.
Na schau doch dort erst mal rein. Der Mann hat sich doch nicht umsonst die Mühe gemacht. MfG Paul
Ja, hab ich auch schon reingeschaut. Da ist mir was im Platinenlayout aufgefallen! Ein paar Komponenten sind nicht ganz verbunden. Nach ein wenig hin und her sind dann die fehlenden Leiterbahnen ganz dünn mit einem gelben Strich verbunden! Wie kann ich diese Striche in eine Leiterbahn verwandeln? Geht das Überhaupt?
@ Dirk (Gast) >Da ist mir was im Platinenlayout aufgefallen! Ein paar Komponenten sind >nicht ganz verbunden. Nach ein wenig hin und her sind dann die fehlenden >Leiterbahnen ganz dünn mit einem gelben Strich verbunden! Wie kann ich >diese Striche in eine Leiterbahn verwandeln? Geht das Überhaupt? Das sind Luftlinien, noch nichtlayoutete Netze. Die kann man mit ROUTE maunell verlegen. MfG Falk
Hallo nochmal, das Layout habe ich bis zu Ende geroutet. Ich nehme an, Du hast die GND-Fläche unabsichtlich gelöscht, dann bekommt man diese Luftlinien (unrouted). Also die GND-Fläche nicht löschen. Nach Umplatzieren von Bauteilen muss man das grüne Icon "ratsnets" anklicken, die GND-Fläche wird danach neu berechnet. Ciao und weiterhin viel Spaß! Bernd
Dirk, was haeltst Du davon, Dir ersteinmal die Grundlagen anzueignen und dann zu posten? Das waere eine sehr gute Idee.
Bitte melde dich an um einen Beitrag zu schreiben. Anmeldung ist kostenlos und dauert nur eine Minute.
Bestehender Account
Schon ein Account bei Google/GoogleMail? Keine Anmeldung erforderlich!
Mit Google-Account einloggen
Mit Google-Account einloggen
Noch kein Account? Hier anmelden.
