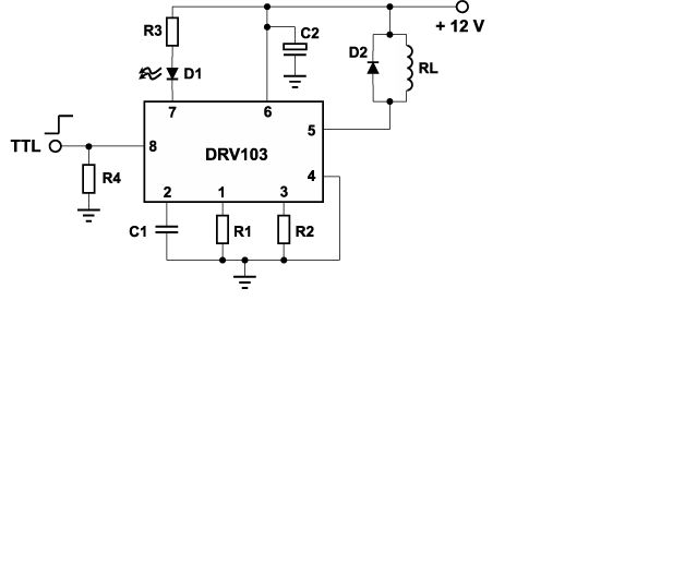
Was für ein schönes Wetter! da kriegt Man Lust zu bateln!!! Ich habe einen Problem und bin mir sicher dass ich hier Hilfe Kriege :) Im Anhang ist meine Schaltung. Laut Daten Blatt vom DRV103U soll 3V ausgangspannung(Pin5) möglich sein. Ich messe aber nur 0,5V egal wie ich an meine Widerstände am Pin 1 und Pin 3 rumdrehe. Was mache ich hier falsch.Bitte korrigiert mich. Mein Lehrer besteht darauf diesen IC zu nutzen ( wegen PWM ). Danke euch für jede Hilfe
@ Hans Bedowilski (gassensor) >Laut Daten Blatt vom DRV103U soll 3V ausgangspannung(Pin5) möglich sein. Nöö, das ist ein Open Drain Ausgang. Praktisch das gleiche wie ein Open Collector, siehe Ausgangsstufen Logik-ICs. Dort kommt keine Sapnnung raus, dort kann man nur die Sättigungsspannung des geschlossenen Schalters (MOSFET) messen. >Ich messe aber nur 0,5V egal wie ich an meine Widerstände am Pin 1 und >Pin 3 rumdrehe. Was nur allzu normal ist. >Was mache ich hier falsch. Bitte korrigiert mich. Du hast die Funktion des ICs noch nicht verstanden. Nochmal genau das Datenblatt studieren. MfG Falk
Danke Falk. Noch ne kleine Frage. Wenn ich meinen Ausgang Strom ( am Pin 5) einstellen möchte, wo muss ich was ändern? Danke
@ Hans Bedowilski (gassensor) >Noch ne kleine Frage. Wenn ich meinen Ausgang Strom ( am Pin 5) >einstellen möchte, wo muss ich was ändern? Der IC arbeitet mit PWM. Das Tastverhältnis stellt den mittleren Strom ein. Das kann bei diesem IC über R_PWM an Pin 1 eingestellt werden. MfG Falk
Bitte melde dich an um einen Beitrag zu schreiben. Anmeldung ist kostenlos und dauert nur eine Minute.
Bestehender Account
Schon ein Account bei Google/GoogleMail? Keine Anmeldung erforderlich!
Mit Google-Account einloggen
Mit Google-Account einloggen
Noch kein Account? Hier anmelden.
