Hi, ich habe ein kleines und bestimmt nicht unlösbares Problem. in meiner Firma werden des öfteren vergessen die Lifttüren abzuschliessen. Nun möchte ich diese mit einem alarmsystem versehen. Dieses darf allerdings nicht gleich losgehen da es sich um Warenlifte handelt und es währe saudof wenn während des beladens des Liftes sofort der Alarm losgeht. meine Idee ist folgende: Ich habe die möglichkeit am verrieglungssystem einen taster anzubringen der erkennt wenn die türe aufgeschlossen wird. dieser sollte an einer kleinen batteriegespiesenen verzögerungsschaltung angeschlossen werden die mir nach sagen wir 2 minuten einen kleinen piepser ablässt um zu sagen: achtung türe aufgeschlossen. eine blitzlampe sollte ev. auch anfangen zu blitzen. der piepser sollte dann so alle 2 minuten wiederholt werden. allu oft sollte es auch nicht sein da der lift ja auch mal länger im dauereinsatz ist und während der zeit nicht verschlossen werden muss. Hat jemand eine zute Idee wie ich diese elektronik realisieren könnte? sollte nicht allzu teuer sein da es sich insgesamt um etwa 25 türen handelt. denke da z.b. an einen winzig kleinen uC der erst nach dem aufschliessen eingeschlatet wird oder so.... Vorschläge??? LG Holgi
- Man holt sich ein kleines Gehäuse aus Plastik - Unterbringt in diesem ein Board Ihrer Wahl mit einem uC. - Schliesst an dieses Board irgendwas leuchtendes und piepsendes - Programmiert den uC so, dass er 2 Min. nach dem Einschalten (Schalter am Gehäuse) Warnsignal abgibt (stellt dessen Dauer ein usw.) Denke mit 50 Euro (reine Materialkosten) kommen Sie schon zu einer guten Lösung.
Warum kompliziert mit einem Mikroprofessor, wenn es nur um eine einfache Verzögerungsschaltung für 5 Euro geht.
Ja, im Prinzip geht es natürlich auch ohne uC, würde aber wegen Holgi Gross wrote: > meine Idee ist folgende: > Ich habe die möglichkeit am verrieglungssystem einen taster anzubringen > der erkennt wenn die türe aufgeschlossen wird. dieser sollte an einer > kleinen batteriegespiesenen verzögerungsschaltung angeschlossen werden > die mir nach sagen wir 2 minuten einen kleinen piepser ablässt um zu > sagen: achtung türe aufgeschlossen. eine blitzlampe sollte ev. auch > anfangen zu blitzen. der piepser sollte dann so alle 2 minuten > wiederholt werden. allu oft sollte es auch nicht sein da der lift ja > auch mal länger im dauereinsatz ist und während der zeit nicht > verschlossen werden muss. zu sowas tendieren http://de.wikipedia.org/wiki/Multivibrator damit der piepser abwechselt an- und ausgeschaltet wird bei offenen Türen.
oder einfach ohne zu rumzulöten verzögerungsrelais nehmen,
Denis wrote:
> oder einfach ohne zu rumzulöten verzögerungsrelais nehmen,
Sehr gut, und dann nimmt man noch einen Intervall-Piezo-Lautsprecher,
damit wir uns den Multivibrator auch noch sparen können.
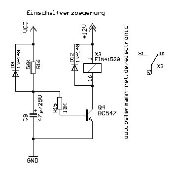
Ja klar, warum so einfach wenn es auch kompliziert geht... muhahaha, Ich habe mal wieder viel zu weit gedacht... denke das werde ich machen, kleine verzögerungsschaltung, intervall signalgeber, zusätzlichen taster der mir bei türöffnung die verzögerungsschaltung zurücksetzt und gut ist.... kostenpunkt: weniger als 20 Euro ;) ich danke euch vielmals für eure hilfe, werde gleich mal schauen was es da schönes gibt. LG Holgi
Bitte melde dich an um einen Beitrag zu schreiben. Anmeldung ist kostenlos und dauert nur eine Minute.
Bestehender Account
Schon ein Account bei Google/GoogleMail? Keine Anmeldung erforderlich!
Mit Google-Account einloggen
Mit Google-Account einloggen
Noch kein Account? Hier anmelden.
