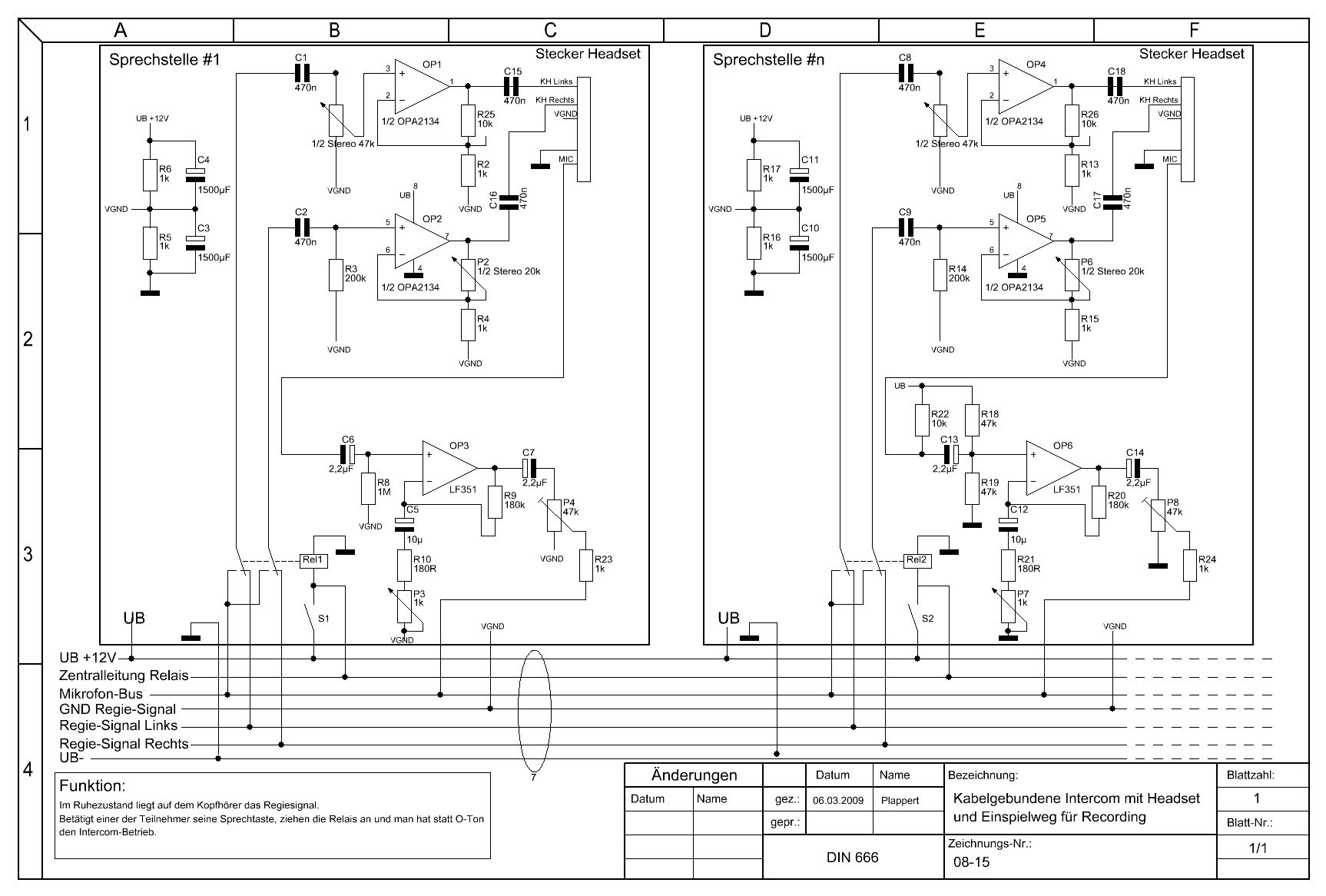
Hallo Leute! Ich habe bereits in diesem Thread: Beitrag "Bitte um kurzes Feedback für mein Design." mein PCB zur Diskussion gestellt. Vielleicht fällt auch noch jemandem an der Schaltung selbst was auf? Wäre Nett wenn jemand kurz was dazu sagen könnte. Hier ist der Schaltplan: http://www.mikrocontroller.net/attachment/47785/Intercom_schem.GIF Grüßle, Jens
Wenn eh immer alle das Gleiche an die Ohren kriegen warum dann nicht Zentral schalten? Mach ne richtige Symetrische Spannungsversorgung so ist das Murks. Kannst ja die eingesparten Relais in Netzteil Investieren.
Um welche Leitungslängen geht es? Bei mehr als 20m würde ich über eine differenzielle Signalübertragung nachdenken.
Sind wohl eher größen bis 8m. Fürs Zentralschalten brächte ich ja dennoch genausoviele Adern. Hast zwar recht damit, aber da das ganze wohl 3-4 mal gebaut wird und ich die Relais grad haufenweise hier ab werde ich dieses Kleine Fehldesign drin lassen. Das lohnt nicht umzurouten (find ich jetzt). Den Kopfhöreramp hab ich übrigens mit gleicher Pseudosymmetrierung schon einmal aufgebaut. Geht überraschend gut.
Jens Plappert wrote: > Vielleicht fällt auch noch jemandem an der Schaltung selbst was auf? > Wäre Nett wenn jemand kurz was dazu sagen könnte. > Du hast die Auskoppelkondensatoren für das Headset vergessen. So liegt immer etwas Gleichspannung am Kopfhörer an und der mag das bestimmt nicht. Grüße Björn
> So liegt immer etwas Gleichspannung am Kopfhörer an..
Etwas ist beschönigt: es liegt die halbe Versorgungsspannung an. :-o
Das sind bei 12V/2 und einem 30Ohm Kopfhörer immerhin 200mA.
Fazit: Die Auskoppelkondensatoren sind zwingend nötig.
EDIT:
Ich würde die Verstärkung der Endstufe fest einstellen, und die
Lautstärke über ein Poti vor dem Verstärker ändern.
Also die Entkoppelkondis hatte ich natürlich vergessen. Schande über mein Haupt. Die Überlegung mit dem "Erst in der Endstufe regeln" kam dadurch zustande, dass alle Parallel an einer Quelle hängen und ich nicht alles so weit runterziehen wollte, dass sich die Sprechstellen gegenseitig beeinflussen. Weiteren Puffer wollt ich mir halt sparen.
>EDIT: >Ich würde die Verstärkung der Endstufe fest einstellen, und die >Lautstärke über ein Poti vor dem Verstärker ändern. >...ich nicht alles so weit runterziehen wollte, dass sich die Sprechstellen >gegenseitig beeinflussen... Was hat Deine Antwort mit dem Vorschlag zu tun?
Äääh, ich hab mich grad "selbst verwirrt" natürlich ist es geschickter vorher zu regeln. Mannmann, Ich hätte mehr schlafen sollen...
Du darfst natürlich nicht deine Kurzschluss -Potibeschaltung verwenden.
1 | In >-----. |
2 | | |
3 | - 20klog |
4 | | | |
5 | | |<--- zum Verstärker |
6 | | | |
7 | - |
8 | | |
9 | GND-----o----- |
Jau, genau damit habe ich mich selbst rausgehauen. Manchmal könnte man wirklich an seiner eigenen Intelligenz zweifeln....
So, ich hab jetzt mal den Schaltplan geändert und das neue Zeug auch im PCB mit eingebaut (Bild im anderen Thread) http://www.mikrocontroller.net/attachment/47794/Intercom_PCB_mit_Best.Druck.GIF
Jens Plappert wrote:
> So, ich hab jetzt mal den Schaltplan geändert ...
Das linke Ohr wird sich freuen, das Rechte weniger... ;-)
Warum hast du zur Auskopplung auf den Mikrofonbus zwei Arten der
Pegelanpassung vorgesehen? P3/P4 bzw. P7/P8?
Dein R24 ist ziemlich niederohmig im Vergleich mit P8.
Lass das P8 raus, und mach die Pegelanpassung nur über P7.
Warum ist P3 auf VCC/2 bezogen und P7 auf GND?
EDIT:
Die Auskoppel-Cs sind mit 470nF sogar für Sprache zu klein. Da sollte
schon was im 100uF-Bereich drin sein
Meinst du nicht das deine Koppelkondensatoren etwas klein sind mit 470nF. Da ergibt bei 30 Ohm Kopfhoerer eine untere Grenzfrequenz von 10.5KHz Gruss Helmi
Was war an der ersten schaltung denn verkehrt? Die Ausgangsspannung des Verstärkers sollte im "Leerlauf" doch annährend VGND betragen, der GND des Kopfhörers ist auch mit VGND verbunden - wo fließt da ein Strom?
Okay, die Auskoppel-C's müssen größer. P7 war ein versehen. Mit P7 wollte ich mich auf verschiedene Mikros anpassen können. PS: Da ich die Niederohmigkeit der KH nicht beachtet habe Stelle ich mir grad die ähnliche Frage. Dürfte der Offset-Unterschied wirklich so weit ins Gewicht fallen? UB/2 liegt ja da in Ruhe sicherlich nicht an. In welchen größenordnungen dürfte denn bei so einer Schaltung der Fehler des OPs liegen?
> GND des Kopfhörers ist auch mit VGND verbunden Ah, richtig, das muß auch noch geändert werden. Der andere Anschluss des Kopfhörers muß auf GND. Die Impedanz von VGND ist so dermaßen hochohmig im Vergleich zu der des Kopfhörers, das geht garantiert schief. EDIT: > UB/2 liegt ja da in Ruhe sicherlich nicht an. Doch, im Ruhezustand liegt da am Ausgang genau Vcc/2 an. Denn du gibst das mit deinem VGND am +Eingang der OP ja vor.
@Lothar: das mit der UB/2 war jetzt mit dem bezug auf VGND gedacht. Da fallen halt keine 6V über den KH ab. Meinst du wirklich dass das mit VGND so schief geht? Gut, Leistungsanpassung ist sicherlich anders, aber wieso kommen die bei der Originalschaltung dann auf sowas? http://www.loetstelle.net/projekte/opa2134dil/opa2134dil.php Ich habe so einen Verstärker schon einmal nach genau dieser Platine gehört und es ging gut. EDIT.... Wäre es möglich dass hier von Hochohmigen (z.B. Studio) -KH ausgegangen wird? gruss, Jens
> aber wieso kommen die bei der Originalschaltung dann auf sowas? > Ich habe so einen Verstärker schon einmal nach genau dieser Platine > gehört und es ging gut. Ja, eigentlich sind hier die Koppelkondensatoren in die Spannungshalbierung gewandert. In der Originalschaltung ist die Massethematik elegant umschifft worden, indem die Eingangssignale einfach auf diese Vcc/2 bezogen werden (das heißt dort GND). In deiner Schaltung hast du einen ganz anderen Massebezug :-o
Das würd ich jetzt aber nicht so sagen. Schau mal unten, die Leitung Regie GND geht auf VGND. Ich habe sogar beim Mikrofon daran gedacht es pseudosymmetrisch zu machen, damits ned ganz so arg schlecht klingt. Aber das Mit den Entkoppelkondis im Spannungsteiler müsstest du mir nochmal erklären. Ich dachte das wären "ganz normale" Stützkondensatoren für VGND. Gruß, Jens
Jetzt nur mal so als Verständnisfrage: müsste durch die großen Elkos eigentlich bei "Impulsbelastung" der Innenwiderstand sehr gering sein?
> Ich dachte das wären "ganz normale" Stützkondensatoren für VGND. Richtig, diese Kondensatoren sorgen dafür, dass auch wirklich Vcc/2 durch den Spannungsteiler generiert werden, und halten die Impedanz für Wechselspannung niedrig. Durch die Ankopplung aller dieser Stützpunkte an die Regie_GND schaffst du eine Art "schwebende" Masse über alle Teilnehmer. diese Masse ist wechselspannungsmäßig recht stabil, aber eigentlich nur über die 1k-Spannungsteiler gleichstrommäßig definiert. Richtig: die Entkoppelkondensatoren am KH-Ausgang kannst du dir auf diese Art sparen (das hat Lupin auch schon angemerkt). > Ich habe sogar beim Mikrofon daran gedacht es pseudosymmetrisch zu > machen, damits ned ganz so arg schlecht klingt. Du hast das Mikrofonsignal "mono" angeschlossen, mit "symmetrisch" hat das nicht viel zu tun.
Das war ungeschickt ausgedrückt. Mit symmetrisch meinte ich, dass ich den Mikrofonverstärker auch mit der Pseudomasse als bezugspunkt aufgebaut habe (ja, ich weiss, is ja eigentlich keine erwähnenswerte Glanzleistung :-) ) Habe ich es also richtig verstanden dass ich, wenn alle Audio-Signale auf die Virtuelle masse bezogen werden, die zwei Entkoppelkondis wieder rauschmeissen kann und das ansonsten so funktioniert? PS: Danke für deine vielen Gedanke bisher! Gruß, Jens
> ... die zwei Entkoppelkondis wieder rauschmeissen kann ...
Ja.
Okay, vielen Dank nochmals für deine (eure) Bemühungen! Grüße aus der Pfalz, Jens
Bitte melde dich an um einen Beitrag zu schreiben. Anmeldung ist kostenlos und dauert nur eine Minute.
Bestehender Account
Schon ein Account bei Google/GoogleMail? Keine Anmeldung erforderlich!
Mit Google-Account einloggen
Mit Google-Account einloggen
Noch kein Account? Hier anmelden.
