Hi Leute, dann stell ich mich mal der Kritik :-) Ich wäre euch sehr dankbar wenn Ihr mal schnell einen Blick auf mein Design eines einfachen Intercom-Systems werfen könntet. Vielen Dank schon mal im Voraus. Grüße, Jens
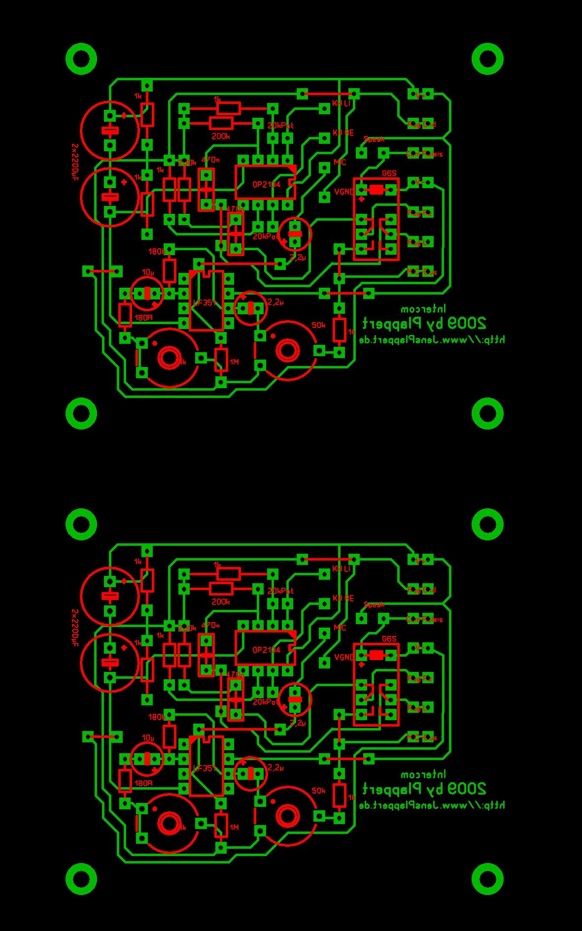
massefläche wäre nicht verkehrt alle vcc und gnd Leitungen dicker vlt.
Du meinst jetzt die Freiräume auf Masse? Hab ich hier jetzt mal weggelassen, soll als Prototyp gefräst werden.
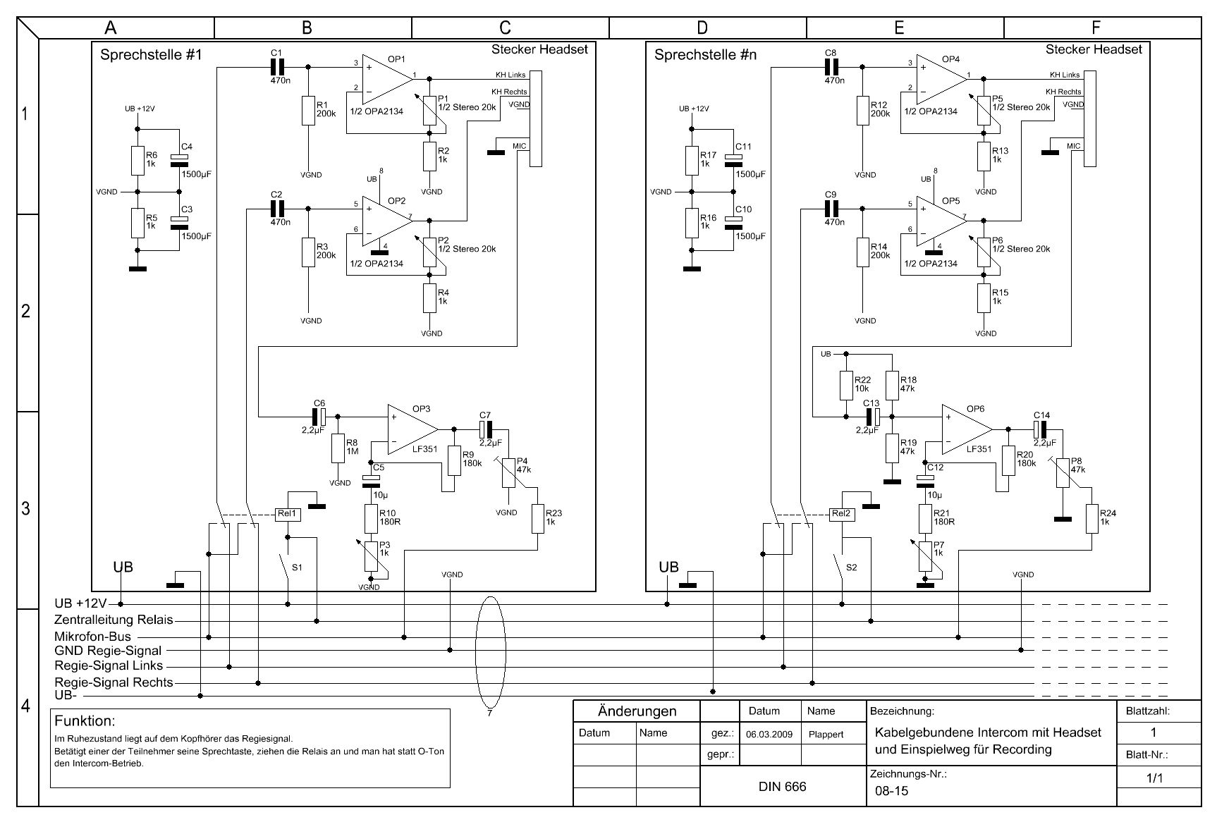
Habe jetzt auf ein paar gute Anregungen aus dem analogforum hin das ganze nochmal etwas bearbeitet. Es sind jetzt noch Entkoppel-C's für die KH-Ausgänge mit drin und die OP's sind nun Fix auf Verstärkung 10. Volume wird nun vor dem Verstärker geregelt. Neuer Schaltplan ist hier: http://www.mikrocontroller.net/attachment/47795/Intercom_schem.GIF
Die viereckigen Pads sehen so unfiligran und grobschlächtig aus ;) Geschmackssache.
Mir gefallen sie auch nicht besonders. Sechseckig oder Oval-Sechseckig gefallen mir besser. Aber zum Fräsen gehts halt mit den Quadratischen am besten. :-)
> Sechseckig oder Oval-Sechseckig gefallen mir besser. Komisch, ich hab bisher immer nur Achteckige gesehen.... > Aber zum Fräsen gehts halt mit den Quadratischen am besten. Halte ich für ein Gerücht. Früher in der Steinzeit waren mal runde Lötaugen etwas problematisch wegen der Zeit (nee, nicht weil sie das Rad noch nicht erfunden hatten..)
Dochdoch, und zwar habe ich keinen Gravurtiefenregler, meine Fräse macht die PCBs "frei schwebend" da hab ich mit den quadratischen einfach etwas mehr "Luft" (material) verstehste? Ansonsten geb ich dir schon recht, rund fräst sich genauso schön wie eckig. EDIT: Welche Software benutzt du? Sprint bietet z.B. standardmässig Octagon und Octagon quer an.
Jens Plappert wrote: > EDIT: Welche Software benutzt du? Sprint bietet z.B. standardmässig > Octagon und Octagon quer an. Ja, aber ein Octagon ist ein Achteck, das ist schon richtig :D
Sag mal, ist das absicht, links oben? Die Leiterbahn überlappt sich,oder ist doppelt. @Rest: Was für eine sinnlose Diskussion, ob Pads oval, eckig oder sonst wie sind....
Octa= 8, nicht mein Tag..... Das oben ist ausversehen aus einem älteren Routing "stehen geblieben". Danke für den Hinweis!
@Jens Plappert Hat deine Leiterplatte keine Kontur? Wo soll man denn da schneiden? Ansonsten eine schöne Arbeit.
@Jens Plappert Soweit ich sehe hast du in den Freiräumen nur potentialfreie Flächen eingefügt, aber keine Masseflächen. Fräst du nur die Konturen oder auch Roboutflächen? Denn beim reinen Konturfräsen bleiben solche potentialfreie Flächen sowieso stehen.
Ich mache nur Isolationsfräsen, von daher ist es ja wurschd ob mit oder ohne, da hast du Recht. Ich erstell solche Files gelegentlich falls es mal jemand nachätzen will (Solche Sachen landen auch auf meiner HP). @ AC/DC: Danke für dein Lob! Die Platine hat deshalb "keine" Kontur, weil sie von der größe her einer Eurokarte entspricht und in die Gehäuse die ich habe halbes Euroformat sowieso perfekt rein passt :-). Gruß, Jens
Du bist auch nicht der Erste, der ein Intecom konstruiert... - http://www.pa-forum.de/phpBB/viewtopic.php?f=42&t=35652 - http://www.rcrowley.com/comclone/ - http://www.call-n-deal.de/uwe/elrad/live-line/
Hach ja, aber ihr kennt doch sicherlich auch dieses schöne "hab ich gemacht" gefühl, oder?
Bitte melde dich an um einen Beitrag zu schreiben. Anmeldung ist kostenlos und dauert nur eine Minute.
Bestehender Account
Schon ein Account bei Google/GoogleMail? Keine Anmeldung erforderlich!
Mit Google-Account einloggen
Mit Google-Account einloggen
Noch kein Account? Hier anmelden.



