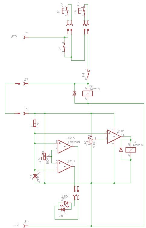
Hey, ich hab die angehängte Schaltung aufgebaut, und beide Schaltungsteile (oben: An- und Ausschalten, unten: Anzeige der Spannung und Abschaltung bei Unterspannung) funktionieren für sich einwandfrei. Sobald ich aber P2 mit P3 verbinde, zieht das Relais K4 nicht mehr an, es scheint zu schwingen! Erst hab ich gedacht, es liegt an ner unsauberen Gleichsspannung, aber auch an einer Autobatterie funktioniert es nicht. Zum Prinzip: Einschalten über einen Taster S1, Ausschalten über S2, über 11,5V leuchtet die LED grün, unter 11,5V umschalten auf rot (IC1A und IC1B), und bei unter 11V soll das Relais K4 die komplette Schaltung abschalten. An was könnte es liegen?
Lösung: An IC1D Eingang+ einen Kondensator von 10uF nach Masse.
Danke für die Antwort! Ich hab grad leider nur einen 1uF da, würde das auch gehn oder ist der zu klein?
so, ich habs jetzt mit 1uF und 4,7 uF ausprobiert, leider keine Auswirkungen! woran könnts noch liegen?
wenn das relais "flattert" heißt es eigentlich, dass es sich beim einschalten selbst die versorgungsspannung klaut (durch den öffner). ist es dann aus, schließt sich der öffner wieder und das relais zieht wieder an, das ganze endet dann in einem lustigen geklapper
Aber wenn sich der Öffner öffnet, ist doch dann die komplette Schaltung von der Spannung getrennt! Das komische ist ja, wenn ich den P3 mit 12 V verbinde, um das Relais zu testen, schaltet es wunderbar ab! Ich dreh am Rad!!!
Bei Relais 3 steht 12V/ 1 A. Verbraucht es echt 1 Ampère ? Vielleicht fällt durch Anziehen von Relais 3 die Spannung kurz unter die 11 Volt und Relais 4 versucht alles abzuschalten. Die Spannung steigt wieder an, Relais 3 ist aber träge und ist noch im Ein-Zustand. Sind noch Kondensatoren im System, die nicht gezeichnet sind?
hey, 12V / 1A heißt, es braucht 12V Spannung zum anziehen und kann 1A schalten. Verbrauchen tut es ein paar mA! Das mit dem träge kann sein, aber ich bin der spannung auch bis auf 7 V runter, gleiches problem! Unter 7 V schalten die Relais nicht mehr... Die Schaltung ist so aufgebaut wie gezeichnet, keine weiteren Kondensatoren!
leg mal 12V an P3 und miss den schaltkontakt von Rel4 während du die spannung langsam runterdrehst. eigentlich sollte der kontakt ja öffnen wenn du unter deine schwellspannung sinkst
jo, 12 V an P3 gelegt, bei 11,5 V schaltet die LED um und bei 11 V schaltet das Relais K4 und der Öffner ist auch geöffnet!
der öffner öffnet wenn du unter 11v absinkst, oder öffnet wenn du über 11v steigst?
der Öffner öffnet, wenn ich unter 11V geh, und schließt wieder, wenn ich über 11V geh.
mach ma nen 500k zwischen pin 14 und 13 des OPV, so bauste ne hysterese ein. beobachte dann mal deine schaltpunkte und die funktion der gesamten schaltung. der widerstand muss dann später noch angepasst werden
danke nochmal für die Antwort, das probier ich morgen gleich mal aus! muss jetzt ins bett, bin saumüde und hab morgen auch noch Prüfung :( also, schönen abend noch :)
Ich vermute, dass im Einschaltmoment die Schaltung Unterspannung erkennt. Dadurch zieht K4 an und schaltet die Versorgung wieder ab. Dann fällt K4 wieder ab und wir haben wieder den Einschaltmoment. Ich würde versuchen durch einen Kondensator parallel zur Z-Diode (Zeitkonstante ergibt sich durch R1 und dem Kondensator) im Einschaltmoment ein "Spannung in Ordnung" zu erzeugen. Die Idee mit der Hysterese ist sicher nicht falsch. Die muss aber nicht als Gegenkopplung zwischen Pin 13 und Pin 14, sondern als Mitkopplung zwischen zwischen Pin 12 und Pin 14. Die Mitkopplung funktioniert aber erst richtig wenn zwischen der Z-Diode und Pin 12 auch ein Widerstand eingebaut wird. Ich würde für einen 1. Versuch den Widerstand zwischen Z-Diode und Pin 12 mit 10K wählen und den Widerstand zwischen Pin 14 und Pin 12 mit 270K. Eine Hysterese für die Leds würde ich mit einem Widerstand von 470K zwischen Pin 7 und Pin 5 einbauen. Zu guter letzt schadet ein Kondensator über die Versorgungsspannung der Operationsverstärker auch nicht. Gruss Jens
JensM schrieb: > Ich vermute, dass im Einschaltmoment die Schaltung Unterspannung > erkennt. Dadurch zieht K4 an und schaltet die Versorgung wieder ab. > Dann fällt K4 wieder ab und wir haben wieder den Einschaltmoment. Das dachte ich auch zunächst, der Kondensator blieb aber scheinbar wirkunsglos. Beitrag "Re: Probleme mit Batterieüberwachung, Relais macht Probleme" > ich habs jetzt mit 1uF und 4,7 uF ausprobiert, keine Auswirkungen!
Bitte melde dich an um einen Beitrag zu schreiben. Anmeldung ist kostenlos und dauert nur eine Minute.
Bestehender Account
Schon ein Account bei Google/GoogleMail? Keine Anmeldung erforderlich!
Mit Google-Account einloggen
Mit Google-Account einloggen
Noch kein Account? Hier anmelden.

