Hallo, ich möchte 10x10 LEDs ansprechen. Das ganze sind DUO-LEDs, 2 pins, antiparallel.. Wenn ich dich mittels Multiplexing ansprechen möchte, wie mach ich das am besten? Das ganze is mit antiparallelen DUO-LEDs ganz schön tricky ^^ Ich zerbrech mir grad den Kopf dran.. Einfacher wärs natürlich 3-beinige DUO-LEDs zu nehmen.. Erfahrungen? Ideen? Vorschläge? Tipps? Dankeschön
Gast schrieb:
> Erfahrungen? Ideen? Vorschläge? Tipps?
Warum muss es denn immer Multiplexing sein? Multiplexing ist scheisse.
Gast schrieb:
> Vielleicht, weil ich grade keine 100 Pins frei hab?
Vielleicht gibt es auch noch andere Loesungen?
> Vielleicht gibt es auch noch andere Loesungen?
dann sag doch vielleicht mal an?
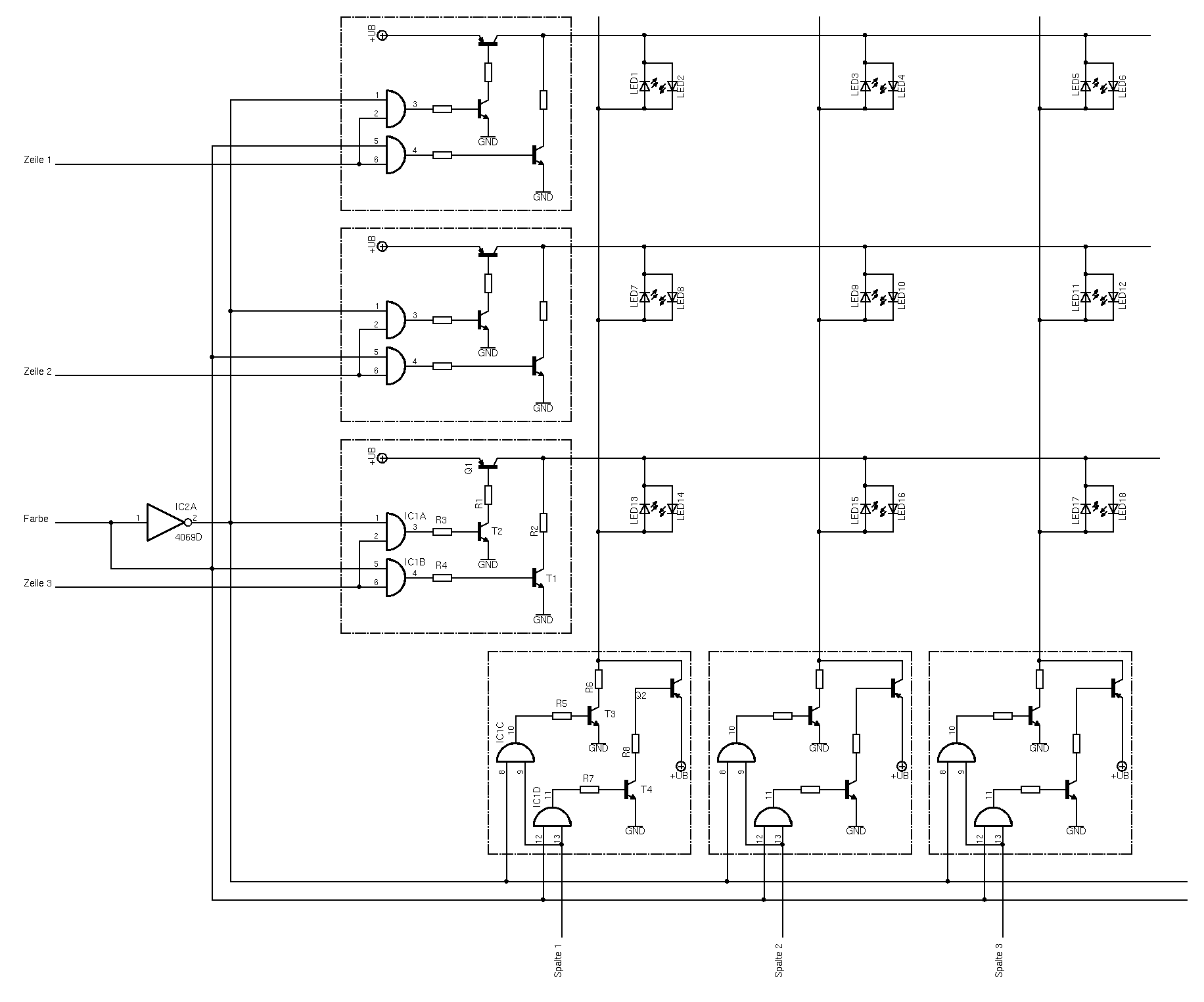
Ich hab mich dazu entschlossen doch DUO-LEDs mit 3 Pins zu nutzen, da ich dann ja die beiden Farben auch mischen kann und das ned schlecht is.. Das ganze mit Schieberegistern würde die doppelte Anzahl an Spalten bedeuten. Also brauch ich 20 Pins Spalten und 10 Pins Zeilen. Das wären dann 4 Schieberegister. Schieberegister A, B und 1/2C für die Spalten und 1/4C und D für die Reihen. Bei Schieberegistern, die 70mA leiten können, müsst ich den Strom dann auf 8mA pro LED begrenzen.. Leben die Schieberegister bei 8x8mA=64mA lange oder sollte ich das ganze anders wählen? Sollte ich das eine Schieberegister lieber nicht teilen und dafür 5 Schieberegister verwenden? Ob die LEDs bei 8mA hell genug leuchten, muss ich vorher noch testen..
Es gibt Schieberegister mit integrierten Konstantstromquellen, 12bit PWM fuer jeden Kanal und 24 Kanaelen...
Wie wärs mit transostoren als Treiber? Dann musste dir um die 70mA vom Schieber keine gedanken machen.... Gruß Tobi
So, ich mehm doch 5 Schieberegister, das ist softwartetechnisch einfacher zu handlen.. Die Helligkeit konnt ich noch nicht prüfen, ich hab heute ein paar Muster bestellt, wird ein paar Tage dauern. Ansonsten muss ich halt doch zu einer Transistorlösung greifen. Da ich jetz doch DUO-LEDs mit 3 Pins verwende, kann ich das "Display" ja als 20x10 Display nutzen. Das wären pro Bild (der Einfachkeit halber rechne ich mit ganzen Schieberegistern) 384 Bit, 48 Byte. Wie kann ich anhand der Baud errechnen, wieviele Byte in einer Sekunde übertragen werden?
Ich sitze hier gerade an einer ähnlichen Sache: Ebenfalls Duo-Leds mit 2 Pins (rot / grün), 16 Stück in einer Matrix, die dann 8 Pins benötigt. Die Frage ist: Kann ich mit so einer Matrix nur zwischen rot grün aus wechseln oder durch schnelles hin und her polen der LED auch gelb erhalten?
@ Gast (Gast) >Die Frage ist: Kann ich mit so einer Matrix nur zwischen rot grün >aus wechseln oder durch schnelles hin und her polen der LED auch gelb >erhalten? Das "schnelles hin und her polen" wird in der Matrix sowieso gemacht, also kann man auch ganz normal gelb anzeigen, denn die Matrix wird effektiv als 10x20 betrieben. MFG Falk
Bitte melde dich an um einen Beitrag zu schreiben. Anmeldung ist kostenlos und dauert nur eine Minute.
Bestehender Account
Schon ein Account bei Google/GoogleMail? Keine Anmeldung erforderlich!
Mit Google-Account einloggen
Mit Google-Account einloggen
Noch kein Account? Hier anmelden.
