Hallo zusammen, ich versuche, das Display Grafik-Display DataVision DG-16080-11 von Pollin (gerade gekauft) an einem AtMega32 zum Laufen zu bringen... der Erfolg hält sich allerdings sehr in Grenzen. Für den AtMega habe ich den Treiber von http://www.frozeneskimo.com/electronics/2007/03/30/lc7981hd61830-driver-for-el-backlit-samsung-lcd/ genommen und erstmal das Standardbeispiel davon (leicht angepasst) aufgespielt. Das beste, was ich jedoch hinbekomme, ist ein kurzes schwarzes Aufblitzen nach Anschließen der Spannung und dann Ruhe. (Ist der µC nur auf Programm while(1) geschaltet, bleibt der Bildschirm meistens schwarz oder es gibt horizontale Linien. Meistens.) Angeschlossen ist das Display folgendermaßen: Pin 1 = GND 2 = 5V 3 = Pin 17 4 = D1 am µC - RS 5 = D2 am µC - R/W 6 = D4 am µC = E 7-14 = PORTA am µC 15 = GND 16 = 5V 17 = Pin 3 18 = 5V 19 = nicht verbunden 20 = GND Hat jemand eine Idee für mich? Kann ich irgendwie herausfinden, an welcher Stelle das Problem liegt? Danke!
Hi, check mal deine Anschlüsse. Hier mal die Pin Belegung die mir vorliegt: Pin Funktion 1 GND 2 VDD Power Supply for logic (5V) 3 VEE Operation voltage for LC driving (input) 4 RS 5 R/W 6 E 7..14 D0--D7 15 Chip Select 16 DOFF 17 RST 18 VOUT 19/20 Hintergrundbeleuchtung Du hast ja den Pin 15 auf Ground gelegt. Das solltest du lieber nicht machen. Servus Andreas
Hmm, wo soll Pin 15 denn dann hin? Ich habe schließlich nur ein Display, das kann ja ruhig immer aktiv sein. (Der genannte Treiber sieht auch gar nicht vor, dass man CS ändert) Das Datenblatt bei Pollin (http://www.pollin.de/shop/downloads/D120346D.PDF) Pin 16 als Reset, 17 als VOUT und 18 als DisplayOff an. Zumindest VOUT stimmt auch (liegt wirklich auf Pin 17), die anderen beiden sind ohnehin beide mit VCC verbunden (ich glaube auch, dass ich das Display, wenn es mal schwarz bleibt, mit Doff=GND ausschalten kann).
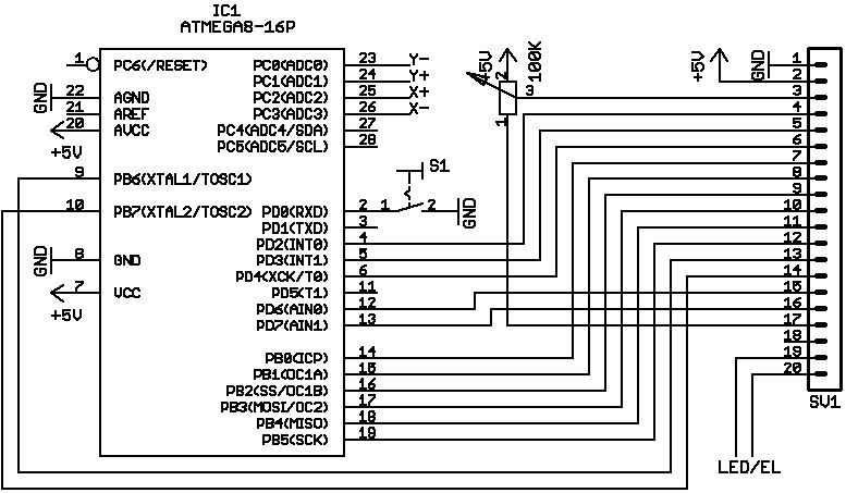
mmm, ok. Ich habe ein sehr ähnliches Display angeschaut. Sorry. Als Anhang findest du mal die Beschaltung deines Display's mit einen Atmega8. Hier ist der Touchscreen auch noch mit angeschlossen. Diesen Aufbau habe ich bereits bei mir erfolgreich getestet. Übrigens stammt diese Beschaltung von Benedikt ist also definitiv richtig.:)
Hmmja, den Plan habe ich hier auch schon gefunden. Meine Verschaltung entspricht der allerdings ja auch (bis auf die Tatsache, dass CS und Display Reset dauerhaft an bzw. aus sind). Ich habe noch einmal jeden einzelnen Anschluss durchgemessen, offene Stellen gibt es also (scheinbar) nicht. Ich bin mir nicht sicher, ob es hilft, das ganze noch einmal an einen Atmega8 neu anzuschließen ^^ Zumal das Programm ja das gleiche bleibt. Weißt du irgendeine Möglichkeit, herauszufinden, welcher Teil nicht funktioniert? Gibt es vielleicht eine fertige, definitiv funktionierende .hex (um Probleme mit dem Programm auszuschließen)?
@nightlight ... ohne das display zu kennen ... cs dauerhaft auf nen pegel halten ist u.u. keine gute idee, da ich mir vorstellen kann das der interne display-controller gerne mal ein ende eines kommandos sehen möchte welches durch cs bewerkstelligt werden kann. wie gesagt ich kenne das display nicht, aber cs auf nen festen pegel kommt mir komisch vor. vllt das damit auch die umschaltung zw. daten und kommando-register gemacht wird. würd ich vllt mal genauer prüfen. edith: ich seh gerade ... du hast reset auf einen festen pegel gelegt ? keine gute idee. die display-controller wollen wohl definiert resettet werden, sonst kannst du daten/instruktionen reinschreiben bis du schwarz wirst, da tut sich dann goa nüscht.
Habe gerade des Problems Lösung gefunden: die Initialisierungskommandos wurden in der falschen Reihenfolge geschrieben in dem Treiber den ich benutzt habe... glücklicherweise habe ich eine andere Quelle gefunden mit einem zwar deutlich weniger performanten Code (viel zu lange Wartezeiten), dafür aber korrekter Initialisierung :) CS dauerhaft auf low und Reset auf high scheint also doch zu funktionieren. Ist zu überlegen, ob ich die CS-Steuerung noch mit einbaue zur Sicherheit... mal sehen. Trotzdem danke für eure Mühe!
Wäre nett wenn du oder jemand anderes hier den Fehler in der initialisierung posten könnte. Ich stehe nämlich vor dem selben Problem mit dieser Lib und finde den Fehler nicht.
Ja, das wäre toll. Ich hab ein ähnliches Problem! Auch ATMEAG32 nur dass bei mir die linke Seite gar nicht verwendet wird und auf der rechten nur senkrechte Streifen auftauchen... hab gelesen, dass wenn man beim 32er den Port C verwenden will, man die JTAG Fuses deaktivieren soll. Hab ich getan. Vorher ging gar nix, jetzt immerhin die Streifen aber trozdem geht es noch nicht wirklich.
Bitte melde dich an um einen Beitrag zu schreiben. Anmeldung ist kostenlos und dauert nur eine Minute.
Bestehender Account
Schon ein Account bei Google/GoogleMail? Keine Anmeldung erforderlich!
Mit Google-Account einloggen
Mit Google-Account einloggen
Noch kein Account? Hier anmelden.
