Forum: Mikrocontroller und Digitale Elektronik LCD an PortC


von mr-unbekannt (Gast)


Angehängte Dateien:

Lesenswert?

Hallo!

Ich habe ein Problem einem standard LC-Display, das an einem PortC eines 
AtMega32 angeschlossen ist (außer E ist auf PD7)

Ich verwende die Library von Peter Fleury.

Die Leitungen zum Display sind OK.

JTAG ist per Fuse-Bit deaktiviert.

Trotzdem ist auf dem 2-zeiligen Display nur die 1.Zeile voll mit 
schwarzen Kästchen besetzt, und es wird kein Text ausgegeben...
Hat jemand vl noch eine Idee was der Fehler sein könnte?

Danke

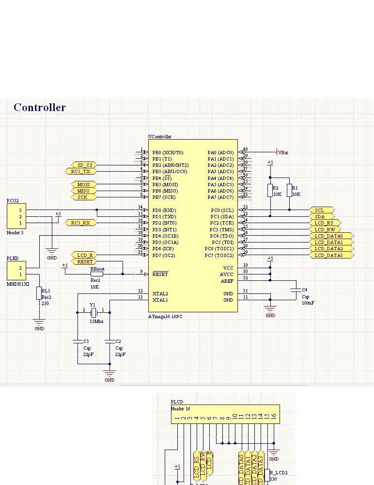
Im Anhang die Schematic und
hier der Quellcode:
1
#include "main.h"
2
#include "lcd.h"
3
4
5
//====================================
6
//         Main
7
//====================================
8
int main ()
9
{
10
// ==== Initialisierungen ============
11
12
lcd_init(LCD_DISP_ON);
13
lcd_clrscr();
14
lcd_puts("Testtext");
15
16
17
// ==== Endlosschleife ===============
18
  while(1)
19
  {
20
  
21
  
22
  }      
23
24
return 0;
25
}

und die lcd.h:
1
#ifndef LCD_H
2
#define LCD_H
3
/*************************************************************************
4
 Title  :   C include file for the HD44780U LCD library (lcd.c)
5
 Author:    Peter Fleury <pfleury@gmx.ch>  http://jump.to/fleury
6
 File:      $Id: lcd.h,v 1.13.2.2 2006/01/30 19:51:33 peter Exp $
7
 Software:  AVR-GCC 3.3
8
 Hardware:  any AVR device, memory mapped mode only for AT90S4414/8515/Mega
9
***************************************************************************/
10
11
/**
12
 @defgroup pfleury_lcd LCD library
13
 @code #include <lcd.h> @endcode
14
 
15
 @brief Basic routines for interfacing a HD44780U-based text LCD display
16
17
 Originally based on Volker Oth's LCD library,
18
 changed lcd_init(), added additional constants for lcd_command(), 
19
 added 4-bit I/O mode, improved and optimized code.
20
       
21
 Library can be operated in memory mapped mode (LCD_IO_MODE=0) or in 
22
 4-bit IO port mode (LCD_IO_MODE=1). 8-bit IO port mode not supported.
23
24
 Memory mapped mode compatible with Kanda STK200, but supports also 
25
 generation of R/W signal through A8 address line.
26
       
27
 @author Peter Fleury pfleury@gmx.ch http://jump.to/fleury
28
29
30
31
*/
32
33
/*@{*/
34
35
#if (__GNUC__ * 100 + __GNUC_MINOR__) < 303
36
#error "This library requires AVR-GCC 3.3 or later, update to newer AVR-GCC compiler !"
37
#endif
38
39
#include <inttypes.h>
40
#include <avr/pgmspace.h>
41
42
/** 
43
 *  @name  Definitions for MCU Clock Frequency
44
 *  Adapt the MCU clock frequency in Hz to your target. 
45
 */
46
#define XTAL 15000000             /**< clock frequency in Hz, used to calculate delay timer */
47
      
48
49
/**
50
 * @name  Definition for LCD controller type
51
 * Use 0 for HD44780 controller, change to 1 for displays with KS0073 controller.
52
 */
53
#define LCD_CONTROLLER_KS0073 0  /**< Use 0 for HD44780 controller, 1 for KS0073 controller */
54
55
/** 
56
 *  @name  Definitions for Display Size 
57
 *  Change these definitions to adapt setting to your display
58
 */
59
#define LCD_LINES           2     /**< number of visible lines of the display */
60
#define LCD_DISP_LENGTH    16     /**< visibles characters per line of the display */
61
#define LCD_LINE_LENGTH  0x40     /**< internal line length of the display    */
62
#define LCD_START_LINE1  0x00     /**< DDRAM address of first char of line 1 */
63
#define LCD_START_LINE2  0x40     /**< DDRAM address of first char of line 2 */
64
#define LCD_START_LINE3  0x14     /**< DDRAM address of first char of line 3 */
65
#define LCD_START_LINE4  0x54     /**< DDRAM address of first char of line 4 */
66
#define LCD_WRAP_LINES      0     /**< 0: no wrap, 1: wrap at end of visibile line */
67
68
69
#define LCD_IO_MODE      1         /**< 0: memory mapped mode, 1: IO port mode */
70
#if LCD_IO_MODE
71
/**
72
 *  @name Definitions for 4-bit IO mode
73
 *  Change LCD_PORT if you want to use a different port for the LCD pins.
74
 *
75
 *  The four LCD data lines and the three control lines RS, RW, E can be on the 
76
 *  same port or on different ports. 
77
 *  Change LCD_RS_PORT, LCD_RW_PORT, LCD_E_PORT if you want the control lines on
78
 *  different ports. 
79
 *
80
 *  Normally the four data lines should be mapped to bit 0..3 on one port, but it
81
 *  is possible to connect these data lines in different order or even on different
82
 *  ports by adapting the LCD_DATAx_PORT and LCD_DATAx_PIN definitions.
83
 *  
84
 */
85
#define LCD_PORT         PORTA        /**< port for the LCD lines   */
86
#define LCD_DATA0_PORT   LCD_PORT     /**< port for 4bit data bit 0 */
87
#define LCD_DATA1_PORT   LCD_PORT     /**< port for 4bit data bit 1 */
88
#define LCD_DATA2_PORT   LCD_PORT     /**< port for 4bit data bit 2 */
89
#define LCD_DATA3_PORT   LCD_PORT     /**< port for 4bit data bit 3 */
90
#define LCD_DATA0_PIN    4            /**< pin for 4bit data bit 0  */
91
#define LCD_DATA1_PIN    5            /**< pin for 4bit data bit 1  */
92
#define LCD_DATA2_PIN    6            /**< pin for 4bit data bit 2  */
93
#define LCD_DATA3_PIN    7            /**< pin for 4bit data bit 3  */
94
#define LCD_RS_PORT      LCD_PORT     /**< port for RS line         */
95
#define LCD_RS_PIN       2            /**< pin  for RS line         */
96
#define LCD_RW_PORT      LCD_PORT     /**< port for RW line         */
97
#define LCD_RW_PIN       3            /**< pin  for RW line         */
98
#define LCD_E_PORT       LCD_PORT     /**< port for Enable line     */
99
#define LCD_E_PIN        1            /**< pin  for Enable line     */
100
101
#elif defined(__AVR_AT90S4414__) || defined(__AVR_AT90S8515__) || defined(__AVR_ATmega64__) || \
102
      defined(__AVR_ATmega8515__)|| defined(__AVR_ATmega103__) || defined(__AVR_ATmega128__) || \
103
      defined(__AVR_ATmega161__) || defined(__AVR_ATmega162__)
104
/*
105
 *  memory mapped mode is only supported when the device has an external data memory interface
106
 */
107
#define LCD_IO_DATA      0xC000    /* A15=E=1, A14=RS=1                 */
108
#define LCD_IO_FUNCTION  0x8000    /* A15=E=1, A14=RS=0                 */
109
#define LCD_IO_READ      0x0100    /* A8 =R/W=1 (R/W: 1=Read, 0=Write   */
110
#else
111
#error "external data memory interface not available for this device, use 4-bit IO port mode"
112
113
#endif
114
115
116
/**
117
 *  @name Definitions for LCD command instructions
118
 *  The constants define the various LCD controller instructions which can be passed to the 
119
 *  function lcd_command(), see HD44780 data sheet for a complete description.
120
 */
121
122
/* instruction register bit positions, see HD44780U data sheet */
123
#define LCD_CLR               0      /* DB0: clear display                  */
124
#define LCD_HOME              1      /* DB1: return to home position        */
125
#define LCD_ENTRY_MODE        2      /* DB2: set entry mode                 */
126
#define LCD_ENTRY_INC         1      /*   DB1: 1=increment, 0=decrement     */
127
#define LCD_ENTRY_SHIFT       0      /*   DB2: 1=display shift on           */
128
#define LCD_ON                3      /* DB3: turn lcd/cursor on             */
129
#define LCD_ON_DISPLAY        2      /*   DB2: turn display on              */
130
#define LCD_ON_CURSOR         1      /*   DB1: turn cursor on               */
131
#define LCD_ON_BLINK          0      /*     DB0: blinking cursor ?          */
132
#define LCD_MOVE              4      /* DB4: move cursor/display            */
133
#define LCD_MOVE_DISP         3      /*   DB3: move display (0-> cursor) ?  */
134
#define LCD_MOVE_RIGHT        2      /*   DB2: move right (0-> left) ?      */
135
#define LCD_FUNCTION          5      /* DB5: function set                   */
136
#define LCD_FUNCTION_8BIT     4      /*   DB4: set 8BIT mode (0->4BIT mode) */
137
#define LCD_FUNCTION_2LINES   3      /*   DB3: two lines (0->one line)      */
138
#define LCD_FUNCTION_10DOTS   2      /*   DB2: 5x10 font (0->5x7 font)      */
139
#define LCD_CGRAM             6      /* DB6: set CG RAM address             */
140
#define LCD_DDRAM             7      /* DB7: set DD RAM address             */
141
#define LCD_BUSY              7      /* DB7: LCD is busy                    */
142
143
/* set entry mode: display shift on/off, dec/inc cursor move direction */
144
#define LCD_ENTRY_DEC            0x04   /* display shift off, dec cursor move dir */
145
#define LCD_ENTRY_DEC_SHIFT      0x05   /* display shift on,  dec cursor move dir */
146
#define LCD_ENTRY_INC_           0x06   /* display shift off, inc cursor move dir */
147
#define LCD_ENTRY_INC_SHIFT      0x07   /* display shift on,  inc cursor move dir */
148
149
/* display on/off, cursor on/off, blinking char at cursor position */
150
#define LCD_DISP_OFF             0x08   /* display off                            */
151
#define LCD_DISP_ON              0x0C   /* display on, cursor off                 */
152
#define LCD_DISP_ON_BLINK        0x0D   /* display on, cursor off, blink char     */
153
#define LCD_DISP_ON_CURSOR       0x0E   /* display on, cursor on                  */
154
#define LCD_DISP_ON_CURSOR_BLINK 0x0F   /* display on, cursor on, blink char      */
155
156
/* move cursor/shift display */
157
#define LCD_MOVE_CURSOR_LEFT     0x10   /* move cursor left  (decrement)          */
158
#define LCD_MOVE_CURSOR_RIGHT    0x14   /* move cursor right (increment)          */
159
#define LCD_MOVE_DISP_LEFT       0x18   /* shift display left                     */
160
#define LCD_MOVE_DISP_RIGHT      0x1C   /* shift display right                    */
161
162
/* function set: set interface data length and number of display lines */
163
#define LCD_FUNCTION_4BIT_1LINE  0x20   /* 4-bit interface, single line, 5x7 dots */
164
#define LCD_FUNCTION_4BIT_2LINES 0x28   /* 4-bit interface, dual line,   5x7 dots */
165
#define LCD_FUNCTION_8BIT_1LINE  0x30   /* 8-bit interface, single line, 5x7 dots */
166
#define LCD_FUNCTION_8BIT_2LINES 0x38   /* 8-bit interface, dual line,   5x7 dots */
167
168
169
#define LCD_MODE_DEFAULT     ((1<<LCD_ENTRY_MODE) | (1<<LCD_ENTRY_INC) )
170
171
172
173
/** 
174
 *  @name Functions
175
 */
176
177
178
/**
179
 @brief    Initialize display and select type of cursor
180
 @param    dispAttr \b LCD_DISP_OFF display off\n
181
                    \b LCD_DISP_ON display on, cursor off\n
182
                    \b LCD_DISP_ON_CURSOR display on, cursor on\n
183
                    \b LCD_DISP_ON_CURSOR_BLINK display on, cursor on flashing             
184
 @return  none
185
*/
186
extern void lcd_init(uint8_t dispAttr);
187
188
189
/**
190
 @brief    Clear display and set cursor to home position
191
 @param    void                                        
192
 @return   none
193
*/
194
extern void lcd_clrscr(void);
195
196
197
/**
198
 @brief    Set cursor to home position
199
 @param    void                                        
200
 @return   none
201
*/
202
extern void lcd_home(void);
203
204
205
/**
206
 @brief    Set cursor to specified position
207
 
208
 @param    x horizontal position\n (0: left most position)
209
 @param    y vertical position\n   (0: first line)
210
 @return   none
211
*/
212
extern void lcd_gotoxy(uint8_t x, uint8_t y);
213
214
215
/**
216
 @brief    Display character at current cursor position
217
 @param    c character to be displayed                                       
218
 @return   none
219
*/
220
extern void lcd_putc(char c);
221
222
223
/**
224
 @brief    Display string without auto linefeed
225
 @param    s string to be displayed                                        
226
 @return   none
227
*/
228
extern void lcd_puts(const char *s);
229
230
231
/**
232
 @brief    Display string from program memory without auto linefeed
233
 @param    s string from program memory be be displayed                                        
234
 @return   none
235
 @see      lcd_puts_P
236
*/
237
extern void lcd_puts_p(const char *progmem_s);
238
239
240
/**
241
 @brief    Send LCD controller instruction command
242
 @param    cmd instruction to send to LCD controller, see HD44780 data sheet
243
 @return   none
244
*/
245
extern void lcd_command(uint8_t cmd);
246
247
248
/**
249
 @brief    Send data byte to LCD controller 
250
 
251
 Similar to lcd_putc(), but without interpreting LF
252
 @param    data byte to send to LCD controller, see HD44780 data sheet
253
 @return   none
254
*/
255
extern void lcd_data(uint8_t data);
256
257
258
/**
259
 @brief macros for automatically storing string constant in program memory
260
*/
261
#define lcd_puts_P(__s)         lcd_puts_p(PSTR(__s))
262
263
/*@}*/
264
#endif //LCD_H

die avr-includes sind in der main.h

von Vlad T. (vlad_tepesch)


Lesenswert?

du solltest die defines (LCD_PORT ff) in der lcd.h anpassen.
Dort steht immer noch PORTA

von mr-unbekannt (Gast)


Lesenswert?

sorry habs schon gelöst...
lcd.h war nicht angepasst an die PORTS

von ... .. (docean) Benutzerseite


Lesenswert?

1
#define XTAL 15000000             /**< clock frequency in Hz, used to calculate delay timer */

solltest du auch anpassen...oder ist das deine frequenz?

von Thomas K. (muetze1)


Lesenswert?

Und auf deinem Schaltplan wird ein ATMega16 verwendet, du schreibst aber 
was von einem ATMega32.

von Marius W. (mw1987)


Lesenswert?

Thomas K. schrieb:
> Und auf deinem Schaltplan wird ein ATMega16 verwendet, du schreibst aber
> was von einem ATMega32.

Absolut irrelevant da Mega32 und Mega16 Pinkompatibel sind.

Mfg
Marius

von mr-unbekannt (Gast)


Lesenswert?

ja, verwende 15 Mhz und übertakte damit einen Mega32L ;-)

stimmt, zw. Mega16 und 32 ist nur ein relevanter unterschied und der 
besteht aus der interrupt-vektor-tabelle und natürlich dem flash

von Karl H. (kbuchegg)


Lesenswert?

Marius Wensing schrieb:
> Thomas K. schrieb:
>> Und auf deinem Schaltplan wird ein ATMega16 verwendet, du schreibst aber
>> was von einem ATMega32.
>
> Absolut irrelevant da Mega32 und Mega16 Pinkompatibel sind.

Schon richtig.
Allerdings ist es für den Fragesteller nicht gerade schmeichelhaft, wenn 
er seine Hardware nicht gut genug kennt um den Prozessortyp zu wissen. 
Wenn es schon daran hapert, fragt man sich sofort, was sonst noch so 
alles in der Fragestellung nicht stimmt.

Bitte melde dich an um einen Beitrag zu schreiben. Anmeldung ist kostenlos und dauert nur eine Minute.
Bestehender Account
Schon ein Account bei Google/GoogleMail? Keine Anmeldung erforderlich!
Mit Google-Account einloggen
Noch kein Account? Hier anmelden.