Hallo. Evtl. hat ja jemand eine Idee dazu.. Es geht darum das IC 8701 im C64 zu ersetzen. Dort werden aus einem Quarz (17,7344 MHz) 2 Clocks mit 50% Tastverhältnis erzeugt. Zum einen das Color-Signal mit der Quarzfrequenz (17,7344 MHz) und dann noch ein DotClock Signal mit 7,882 MHz (Quarzfrequenz geteilt durch 9 und multipliziert mit 4). Versorgt wird das ganze mit +5V. Gesucht ist eine möglichst günstige und einfache Ersatzschaltung.. AVR und PIC sind natürlich auch gerne dabei gesehen.. Danke, Peter
Hallo, dumme Frage meinerseits: lohnt das irgendwie? Die Signale sollten vermutlich auch noch phasenstarr verkoppelt sein, sonst dürfte die PAL-Erzeugung im VIC Probleme bekommen. Gruß aus Berlin Michael der zwar einen SID am Mega162 mit Software-6510-Emulation laufen hat, aber immernoch nur ein SID-File richtig abspielen kann... ;-))
Schau mal bei ebay. Da hat einer noch solche IC...
Hallo, ich befürchte das durch diese ungewöhnlichen Werte für den Takt, Dir nichts anderes übrig bleibt als PLL-Bausteine zu verwenden. Den kleineren Takt kannst vielleicht noch mit Hilfe eines Controllers erzeugen und dann ein PLL-IC gleichzeit ansteuern.... Gruß
Hallo,
hp-freund schrieb:
> Schau mal bei ebay. Da hat einer noch solche IC...
hmmm, Dein Link führt ins Leere?
Ein 8701 kann ich sicher noch aus einem meiner alten 64er pflücken oder
habe ihn sogar in der Schachtel.
Aber das war ja nicht seine Frage. ;-)
Gruß aus Berlin
Michael
Ich wollte damit andeuten das ich nicht der Verkäufer bin :) aber ok: http://cgi.ebay.de/MOS-8701-Timing-Chip-fuer-Commodore-C64-C_W0QQitemZ150345143529QQ
Das ganze sollte sich mit einem Teiler /9 dann eine 74HC4046 PLL und 2 D-Flipflop als Teiler /4 geschaltet erledigen lassen. Also rund 3 ICs und etwas Huehnerfutter (R,C)
@alle: Danke ersteinmal für die Antworten. Das ich einen 8701 sonstwoher noch bekommen kann.. ist klar.. aber darum ging es ja nicht.. hier soll es darum gehen, eine Ersatzschaltung zu bekommen.. Das kann alles sein, was funktioniert.. Tiny2313, PLL etc. Ich bin kein Elektroniker ;-) D.h Schaltung sollte direkt zum Nachbauen und testen sein.. Peter
In diesem Fall, schau Dir doch mal die diversen C64 Nachbau Seiten an. Da ist sicher etwas dabei.
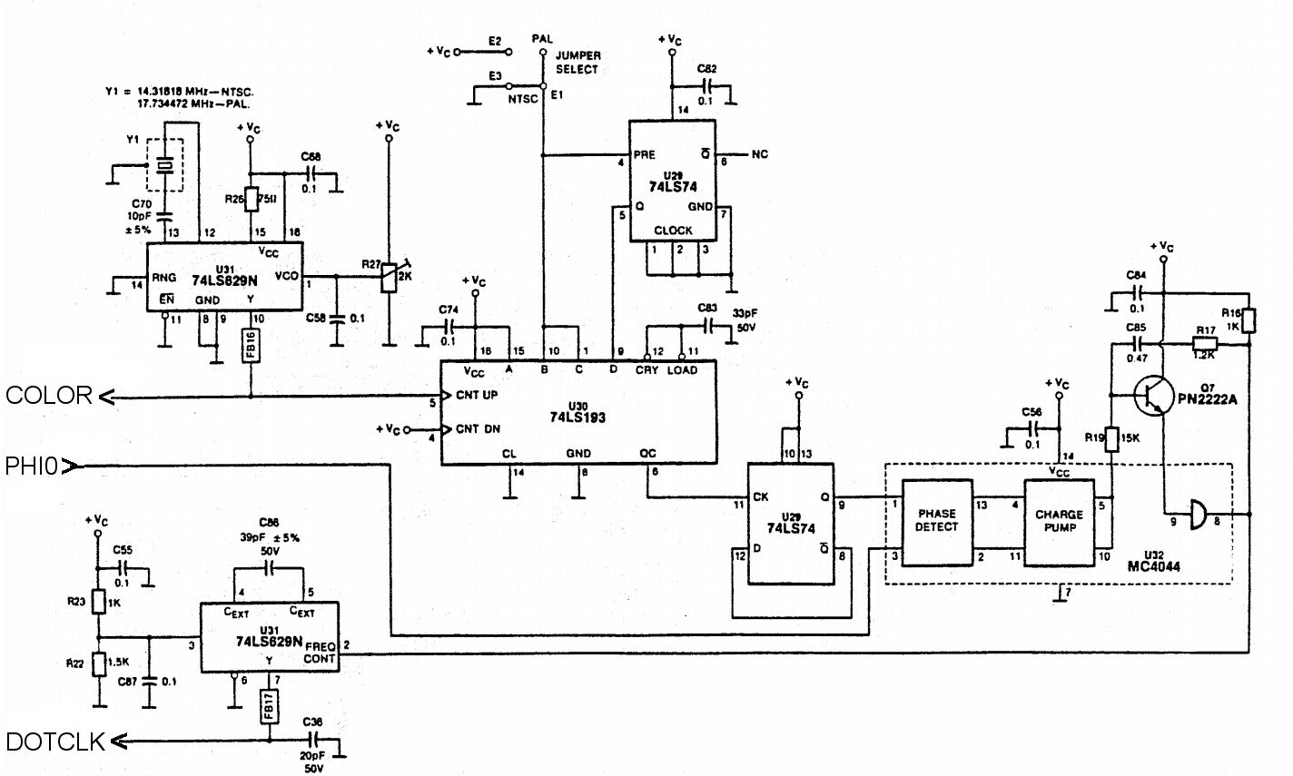
Hallo, hast Du Dir die ursprüngliche Schaltung der ersten Generation ohne 8701 mal angeschaut? http://www.zimmers.net/anonftp/pub/cbm/schematics/computers/c64/251138-2of2.gif Gruß aus Berlin Michael
Die hat nur das Problem das es den MC4044 fast nicht mehr gibt. Auch sollte man aufpassen ihn nicht mit einem CMOS 4044 zu verwechseln.
Hallo, Helmut Lenzen schrieb: > Die hat nur das Problem das es den MC4044 fast nicht mehr gibt. > Auch sollte man aufpassen ihn nicht mit einem CMOS 4044 zu verwechseln. sollte sich ein 74HC4046 reinstricken lassen? Zumindest sollte man das Prinzip von C= nehmen können, das hat ja mal gespielt bevor sie es in einen 8701 gegossen haben. Gruß aus Berlin Michael
Hier mal der orig. Schaltplanauszug (vor dem 8701). Ziel ist aber ja, ein möglichst einfacher uns günstiger Nachbau einer Ersatzschaltung.. da mit 3-4 IC's und ein paar R+C's plus Platine wird man da sicher nicht ans Ziel kommen.. Ideal wäre 1-2 IC's, wenig Verdrahtung.. Kann man dafür nicht auch einen AVR/PIC/CPLD programmieren..? Peter
cpld währe sicher machbar (alles in einem IC) uC eher nicht, da 17,... MHz doch etwas hoch scheint. müsste mal rechnen ob ein AVR mit 20MHz das hinkriegt ... gruss Claudio
Michael U. schrieb: > sollte sich ein 74HC4046 reinstricken lassen? Das wuerde gehen. Petersieg schrieb: > da mit 3-4 IC's und ein paar R+C's plus Platine wird > man da sicher nicht ans Ziel kommen.. Drunter wirst du diskret aber nicht kommen gastlich schrieb: > cpld währe sicher machbar (alles in einem IC) > uC eher nicht, da 17,... MHz doch etwas hoch scheint. müsste mal rechnen > ob ein AVR mit 20MHz das hinkriegt ... CPLD wuerde gehen. Wie will ein mit 20MHz Prozessor 17MHz erzeugen ?
Hallo, Tiny mit den 17,xx MHz takten, Timer per PLL mit 4x 17,x laufen lassen und dann durch 9 teilen. 4* 17,xxMHz ist zwar etwas mehr als die 64MHz vom AVR-Datenblatt für die PLL, sollte aber gehen. Tiny25 mit dem 17,xxMHz Quarz dran. PLL auf *4, Timer0 CTC-Mode mit 3 müßte am Output dann die 17MHz abliefern und Timer1 mit 8 an seinem die 7,xxMHz. Wenn ich mich jetzt nicht verrechnet habe oder die Einstellung mit der PLL so nicht geht. Gruß aus Berlin Michael
Hmm. Wäre schön, wenn da mal ein funktionierender Prototyp bei rauskommen würde ;-) Peter
Bitte melde dich an um einen Beitrag zu schreiben. Anmeldung ist kostenlos und dauert nur eine Minute.
Bestehender Account
Schon ein Account bei Google/GoogleMail? Keine Anmeldung erforderlich!
Mit Google-Account einloggen
Mit Google-Account einloggen
Noch kein Account? Hier anmelden.
