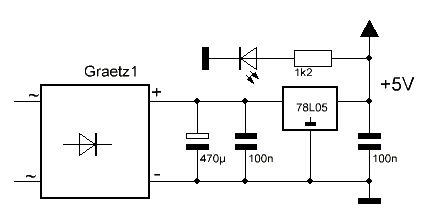
Hallo, ich habe die im Anhang dargestellte Stromversorgung aufgebaut, eigentlich nix dramatisches... Die Kontroll-LED `pumpt` jedoch, leuchtet also mal hell, dann wieder dunkel, hell, dunkel usw. Ich vermute, es liegt an der Eingangsspannung von 11,5 V Wechselspannung ?? Welchen 7805 muß ich nehmen, damit die Schaltung sowohl mit einer Eingangsspannung von 11,5 V AC als auch mit 9 V DC immer eine stabilisierte Ausgangsspannung von 5 V liefert ?
Das sieht alles gesund aus. Hast du die Anschlußbeine am 78L05 vertauscht? Manchmal gibt es in den Datenblättern Untenansicht oder Draufsicht, das muß man unbedingt beachten...
Hi
>Hinter dem 78L05 fehlt noch ein Elektrolytkondensator.
Nein.
@ Stephan
Sieh dir das Datenblatt von dem Hersteller deines 78L05 an. Die Dinger
sind nicht alle gleich. Anschlussbelegung überprüfen.
MfG Spess
Hinter der Schaltung hängt ein Mega8 und ein XBee-Board, die ziehen zusammen aber sicher weniger als 1A ;-) Habe diesen Teil mal abgetrennt und messe jetzt bei angelegter 11,5V-Wechselspannung am Ausgang 8,4V, das Pumpen ist weg. Schließe ich die 9V-Gleichspannung an den Eingang erhalte ich je nach angelegter Polarität entweder die gewünschten 5V oder aber 8,0V als Ausgangsspannung. Also am besten nochmal aufbauen, geht schneller als die Fehlersuche.
Ach so, grundsätzlich wäre der 78L05 schon für die 11,5V AC geeignet ? Nach dem Brückengleichrichter liegen erwartungsgemäß 16V DC an, was für den 78L05 doch eigentlich zuviel ist, oder ?
Stephan Giesinger schrieb: > Hinter der Schaltung hängt ein Mega8 und ein XBee-Board, die ziehen > zusammen aber sicher weniger als 1A ;-) Der 78L05 hält nur 100mA aus :P
Stephan Giesinger schrieb: > Hinter der Schaltung hängt ein Mega8 und ein XBee-Board, die ziehen > zusammen aber sicher weniger als 1A ;-) 11,5 rein, 5V/100mA raus ergibt 0,65W, was thermisch bereits jenseits der Grenze eines 78L05 ist.
> Welchen Spannungsregler sollte ich alternativ nehmen ? Kommt drauf an. Ein 7805 mit einem (großen) Kühlkörper sollte das packen. Wenns mehr Strom braucht (als der 7805 mit Kühlkörper an Verlustleistung verträgt), dann einen kleinen Stepdown-Wandler à la LM2576.
Man nimmt doch da z.B. einen 7805 oder 78S05 im TO220-Gehäuse. Und Kühlkörper. Das ist doch nicht so viel teurer. Wärme verkürzt extrem die Lebensdauer von Halbleitern, auch von anderen Bauelementen.
Vielleicht liegt es auch daran, dass die Wechselspannung zu langsam ist, d.h zu lange liegt eine zu niedrige Spannung an, als dass die Elkos das Abfedern könnten. Entweder du verwendest größere Elkos oder du veränderst die Wechselspannung. MfG
Wär vielleicht ganz praktisch, den tatsächlichen Stromverbrauch zu erfahren, bevor wild weiterspekuliert wird.
Gute Frage... Also hinter dem Spannungsregler hängt wie gesagt ein Mega8, der den Zustand eines Poti abfragt und dessen Wert über UART an ein XBee-Modul schickt. Also nix großartiges, wobei ich nicht weiß wie hoch der gesamte Stromverbrauch ist. Außerdem fragt der Mega8 noch ab, ob ein Schalter an PB2 auf Masse oder auf +5V liegt. Im Falle, daß der Schalter auf +5V steht, liegt zwischen PB2 und +5 ein 10k-Widerstand (http://www.mikrocontroller.net/articles/AVR-Tutorial:_IO-Grundlagen#Hardware) Aber nach I=U/R wären das auch 5V/10k=0,5A ?? A. K. schrieb: > Wär vielleicht ganz praktisch, den tatsächlichen Stromverbrauch zu > erfahren, bevor wild weiterspekuliert wird.
> [..] wobei ich nicht weiß wie hoch der gesamte Stromverbrauch ist. Einfach mal messen :-) Entweder direkt ein Mulimeter reinhängen oder einen Shunt und dann vom Spannungsabfall auf den Strom schließen. > Aber nach I=U/R wären das auch 5V/10k=0,5A ?? ^ ich spendiere ein 'm' ;-)
Stephan Giesinger schrieb: > Aber nach I=U/R wären das auch 5V/10k=0,5A ?? lol den großteil des stroms will das xbee-modul. und - oh wunder - es gibt dazu ein datenblatt, das sich darüber auslässt.
Michael H. schrieb: >Wilhelm Ferkes schrieb: >>Wärme verkürzt extrem die Lebensdauer von Halbleitern >naja... Na ja, der Beschleunigungsfaktor der Alterung in Folge der Temperatur folgt einer e-Funktion. Und die ist mächtig.
Messen ist nur gut, wenn man das XBee im aktiven Zustand mit maximalem Verbrauch misst, und nicht etwa im Ruhezustand. Daher ist eine Peilung übers Datasheet des Moduls einfacher.
g457 schrieb: > Einfach mal messen :-) Entweder direkt ein Mulimeter reinhängen oder > einen Shunt und dann vom Spannungsabfall auf den Strom schließen. Man könnte auch den 78L05 anfassen und die Grösse der entstehenden Brandblase messen.
Ohforf Sake schrieb: > Man könnte auch den 78L05 anfassen und die Grösse der entstehenden > Brandblase messen. Oder das Ding als Tauchsieder benutzen und messen, wie lange es dauert, bis 1 l (destilliertes) Wasser kocht. ;)
Werf das 78L05-Ding in die Tonne, und kauf nen anständigen 7805 mit Kühlmöglichkeit. Es gab zeitweise mal die 78M05, hatten 500mA und TO39-Gehäuse, für nen Kühlstern, sowas wäre auch noch eine Lösung. Aber, lange nicht mehr gesehen.
>Werf das 78L05-Ding in die Tonne, und kauf nen anständigen 7805 mit >Kühlmöglichkeit. Ein 78L05 ist nicht weniger anständig als ein 7805 und die Ausgangsstrombegrenzung von rund 100mA, bzw. das thermische Herunterregeln ist für viele Anwendungen ein echter Segen. Kai Klaas
Stephan Giesinger schrieb: > Schließe ich die 9V-Gleichspannung an den Eingang erhalte ich je nach > angelegter Polarität entweder die gewünschten 5V oder aber 8,0V als > Ausgangsspannung. = Brückengleichrichter im Eimer oder falsch verdrahtet.
Klaus2m5 schrieb: > = Brückengleichrichter im Eimer oder falsch verdrahtet. Gut erkannt. Wenn man an den "~" Anschlüssen eine Gleichspannung anlegt, ist der Brückengleichrichter ein perfekter Verpolungsschutz. Da muss jedesmal das gleiche rauskommen, egal wie man die Spannung anlegt.
Kai Klaas schrieb: >Ein 78L05 ist nicht weniger anständig als ein 7805 und die >Ausgangsstrombegrenzung von rund 100mA, bzw. das thermische >Herunterregeln ist für viele Anwendungen ein echter Segen. Der 78L05 ist im Grunde der selbe Chip wie der 78M05 oder 7805 oder 78S05. Die haben im wesentlichen nur unterschiedliche Gehäuseformen und Wärmeableitung. Mag sein, daß ein einzelner Ausgangstransistor in der Größe angepaßt ist. Das thermische Herunterregeln, verhindert doch nur den sofortigen Tod. Ist aber trotzdem gut, sowas. Für Anwendungen mit z.B. 10mA Laststrom, verwende ich selbst auch 78L05.
Wilhelm Ferkes schrieb: > Der 78L05 ist im Grunde der selbe Chip wie der 78M05 oder 7805 oder > 78S05. Die haben im wesentlichen nur unterschiedliche Gehäuseformen und > Wärmeableitung. Nicht derselbe. Ähnlich aufgebaut aber intern anders dimensioniert und das nicht nur im Längstransistor.
Genau, der 7805er regelt bei Übertemperatur automatisch runter, schau dir mal die Kurven im Datenblatt an. Nimm einen 7805er im TO220-Gehäuse, der geht ohne Kühlkörper bis 1A, mit Kühlkörper bis 2-3A. Die 78er-Serie ist uralt und eine recht simple Schaltung (ist in manchen Datenblättern sogar komplett abgedruckt). Es ist immer wieder faszinierend, wofür man die Dinger alles verwenden kann...
Armin schrieb: > der geht ohne Kühlkörper bis 1A, mit Kühlkörper bis 2-3A. ahja? 30V Eingang, 5V Ausgang, macht 25V und damit bei 1A genau 25W Differenz. Das will ich ohne Kühlkörper mal sehen. Auch sind 2-3A vollkommen falsch! Die Bahnen oder pn-Strukturen können durchauch bei solchen Strömen von 300% durchlegieren. > Die 78er-Serie ist uralt und eine recht simple Schaltung (ist in manchen > Datenblättern sogar komplett abgedruckt). Es ist immer wieder Nein, sicherlich nicht komplett. Und verstanden hast du sie auch nicht. Das hast du klar gemacht. > faszinierend, wofür man die Dinger alles verwenden kann... und für was sie manche missbrauchen.
Nun, von 30V Eingang hat ja niemand geredet... Aber du hast Recht: Ich habe nur wenig Ahnung von dem, was ich sage. Das sage ich meinen Studenten auch immer. ;-)
Armin schrieb: > Nun, von 30V Eingang hat ja niemand geredet... > > Aber du hast Recht: Ich habe nur wenig Ahnung von dem, was ich sage. Das > sage ich meinen Studenten auch immer. ;-) Du entwickelst nicht zufällig Schaltnetzteile für chinesische Billighersteller ? Bei der kurzen Lebensdauer dieser Geräte würde mich das nicht wundern ;)
>Diese Unterstellung bewerte ich als Frechheit.
Nun, wenn jemand behauptet, daß man einen Standard-78xx mit 2-3A
belasten kann, und ohne KK noch mit 1A (würde max. 2V Diff erlauben
(2W), also bereits unterste Sättigungsspannung, also nutzlos - da
brauchen wir also gar nicht erst von 30V Differenz sprechen), dann
drängen sich solche Vermutungen schon auf ...
Naja, Armin hatte nicht so ganz unrecht, zumindest wenn er den Peak Current meinte. Kai Klaas
Kai Klaas schrieb: > Naja, Armin hatte nicht so ganz unrecht, zumindest wenn er den Peak > Current meinte. OK... aber das ist keine Grundlage für den Bau eines Netzteils. Wie hält man den armen 7805 bei der Verlustleistung auf 0-25 C ? Bei dem Wetter heute wäre flüssiger Stickstoff nötig, oder zumindest eine Kompressorkühlung nach Art des Kühlschranks. Welche Umgebungstemperatur braucht man für den Betrieb bei 1A ohne Kühlkörper - und wie lange hält das ? Braucht man Flüssigkühlung oder Druckluft ? Da muss ein fauler Trick dabei sein.
Da ist kein fauler Trick dabei, sondern man kann den Peak-Strom/Leistung nicht mal so nebenbei als Dauerstrom uminterpretieren (bzw. das implizit so in dieser Richtung lenken). Wenn Du willst, hält ein TO220iger Mosfet je nach Type ja auch ohne KK gut und gerne 1kW aus - aber eben nur Peak. Ein TO220 ohne KK hat seine absolute Grenze bei rund 2W Dauerlast bei 25°C Umgebung, und 150°C Chip-Temperatur.
Bitte melde dich an um einen Beitrag zu schreiben. Anmeldung ist kostenlos und dauert nur eine Minute.
Bestehender Account
Schon ein Account bei Google/GoogleMail? Keine Anmeldung erforderlich!
Mit Google-Account einloggen
Mit Google-Account einloggen
Noch kein Account? Hier anmelden.

