Guten Abend Forum! Ich habe einen Integrator mit einem TS912 realisiert, invertierend (http://www.elektronik-kompendium.de/sites/slt/0412061.htm) sowie nicht-invertierend (http://www.krucker.ch/Skripten-Uebungen/AnSys/ELA5-OpAmp.pdf -> Seite 12). Versorgungsspannung ist 5V, Single Supply. Lege ich am (z.B.) nicht-invertierenden Integrator ein Eingangssignal an, geht der Pegel 'langsam' nach oben. Das Problem ist jz aber, dass der Pegel nicht nach unten gehen will, selbst wenn ich den Eingang auf Masse hänge. Ich schätze dies passiert durch den Offset des OP's oder der Widerstandstoleranzen. Wie kann ich dieses Problem beheben? Ich dachte da an einem künstlichen Offset, habe aber keine Ahnung wo ich was an der Schaltung verändern soll. Hoffe ihr versteht mein Anliegen! Danke schonmal! Mfg
Moin, wo haste deine virtuelle Masse hingelegt? Wenn die auf GND liegt haste deinen Fehler. Du solltest es man mit UB/2 versuchen. Wenns immer noch nicht klappt => Stromaufplan posten Gruß Knut
So, dankesehr für den Tipp! Im Prinzip funktioniert die Schaltung, leider nicht 100% selbstständig. Von High auf Low funktioniert die Schaltung ohne "Hilfe". =) Nur von Low auf High braucht sie einen kleinen Schups bzw. ich berühre R1 oder R2. Was mich stutzig macht: Der nichtinvertierende Inegrator gehört ja auch vom invertierenden Eingang rückgekopppelt oder? Trotzdem funktioniert die Schaltung so einigermaßen, anders aber nicht. Mfg
Dein Schaltplan paßt nicht zu dem Schaltplan im Script. Hinweis: Wie ist der invertierende Eingang beschaltet? Wie viele Rückkopplungspfade gibt es insgesamt? Bernhard
Bernhard R. schrieb: > Dein Schaltplan paßt nicht zu dem Schaltplan im Script. > > Hinweis: > Wie ist der invertierende Eingang beschaltet? > Wie viele Rückkopplungspfade gibt es insgesamt? > > Bernhard Ich weiß dass die Schaltung nicht mit dem Script übereinstimmt, doch baue ich sie richtig auf -> siehe ganz oben bei meinem ersten Eintrag. Ich habe sie nur deswegen so aufgebaut, weil Ingo gesagt hat ich soll den inv. Eingang auf Ub/2 legen, doch er hatte anscheinend die invertierende Schaltung gemeint. Bei einem invertierenden Inegrator muss ich anscheinend nur die virtuelle Masse (nichtinv. Eingang) auf UB/2 legen. (was ja auch logisch ist) Wie mache ich das bei dieser Schaltung aus dem Script?
Das was du da gebaut hast, is alles Andere als ein Integrator. Der Aufbau des Integrators ändert sich nicht, die Rückkopplung findet immer am invertierenden Eingang statt. Du hast ein Mitkopplung gebaut. Schaltplan überarbeiten! Gruß Knut
Ich hoffe ich hab jetzt selber auf die Schnelle keinen Fehler reingebaut ;-) Gru Knut
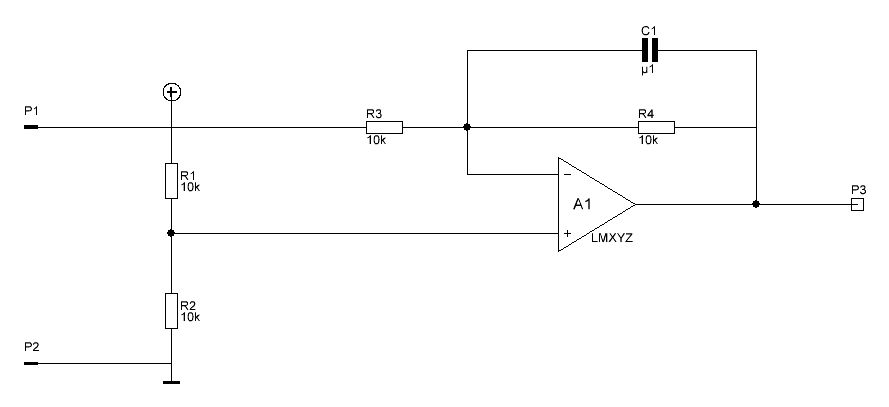
Auch beim Deboo-Integrierer kann man die Bezugsspannung durch einen Spannungsteiler auf einen Wert >0V festlegen:
Im Beispiel ist R1a=R1b und damit die Bezugsspannung die halbe Versorgungsspannung.
Nur leider hat er keinen deboo gezeichnet sondern irgendwas anderes Gruß Knut
Yalu X. schrieb: > Auch beim Deboo-Integrierer kann man die Bezugsspannung durch einen > Spannungsteiler auf einen Wert >0V festlegen: > >
>
>> > Im Beispiel ist R1a=R1b und damit die Bezugsspannung die halbe > Versorgungsspannung. Vielen Dank! Nach genaudem habe ich gesucht! Werde die Schaltung mal in der Praxis probieren =) Mfg
Bitte melde dich an um einen Beitrag zu schreiben. Anmeldung ist kostenlos und dauert nur eine Minute.
Bestehender Account
Schon ein Account bei Google/GoogleMail? Keine Anmeldung erforderlich!
Mit Google-Account einloggen
Mit Google-Account einloggen
Noch kein Account? Hier anmelden.


