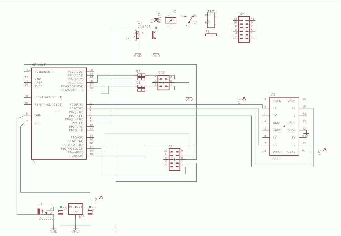
Moin moin, vor einigen Wochen ist mir eine Idee zu einem kleinen Projekt gekommen. Das wurde dann auch fix gebaut. PCB gebügelt und geäzt. Program raufgespielt. Die einzelnen Komponenten, also das Relay und der Treiber funktionieren. (Auch wenn in der Schaltung im Anhang die Versorgungsleitungen Fehlen, die habe ich später nachgelötet aus Sorge um einen etwas zu hohen Strom bei zu schmalen Leitungen.) Rein Funktional wäre das Board bereit zum Einsatz, allerdings kann ich es nicht über den ISP programmieren. Das wird/würde die Entwicklungszeit (abgesehen davon das es übel nervt wenn man den Kontroller andauernd raus und wieder reinstecken muss) enorm erhöhen. Ich benutzte den usbprog (http://www.embedded-projects.net/usbprog/) Die Pinbelegung (Website oder Anhang) habe ich schon mehrfach auf Richtigkeit und Durchgang überprüft. Die Versorgungsspannung ist glatt (gemessen direkt an den beiden Versorgungspins des atmega8, hab das Glück ein Oszilloskop zu besitzen) Der Kontroller lässt sich wunderbar auf meinem Breadboard programmieren (Minimalbelegung: MISO MOSI SCK RST, Versorgung: kleines Computernetzteil). Wenns dann aber ans PCB geht (richtig rum eingesteckt, TreiberIC entfernt) bekomme ich folgende Fehlermeldung: ------------- C:\>avrdude -p m8 -P usb -c avrispmkII avrdude: stk500v2_command(): command failed avrdude: stk500v2_recv_mk2: error in USB receive avrdude: stk500v2_program_enable(): bad STK600 connection status: Unknown (0x64) avrdude: initialization failed, rc=-1 Double check connections and try again, or use -F to override this check. avrdude done. Thank you. -------------- Das ist nicht das erste mal das ich so eine Fehlermeldung sehe, aber mitlerweile hab ich alle Fehlerquellen die mir eingefallen sind abgearbeitet. Jemand ne Idee?
hmm hast du auch den GND verbunden mit deinem ISP stecker? Sehe ich im Schaltplan jetzt nicht heraus.
chris schrieb: > hmm hast du auch den GND verbunden mit deinem ISP stecker? Sehe ich im > Schaltplan jetzt nicht heraus. Die hatte ich komplett übersehen ... auf meinem Breadboard ist sie dann natürlich vorhanden >_>... und siehe da, es geht. Einer der größeren Vorteile wenn man in nem Büro arbeitet... es funktioniert nicht! es geht nicht! zu stönen ... und dann kommt ein Kollege vorbei guckt dir eben über die Schulter und sagt : Haste auch GND verbunden ^__^... (Erstmal bloated alles andere durchmessen au man ... ~_~) Dankeschön!!! Es geht...es geht ^__^
Bitte melde dich an um einen Beitrag zu schreiben. Anmeldung ist kostenlos und dauert nur eine Minute.
Bestehender Account
Schon ein Account bei Google/GoogleMail? Keine Anmeldung erforderlich!
Mit Google-Account einloggen
Mit Google-Account einloggen
Noch kein Account? Hier anmelden.

