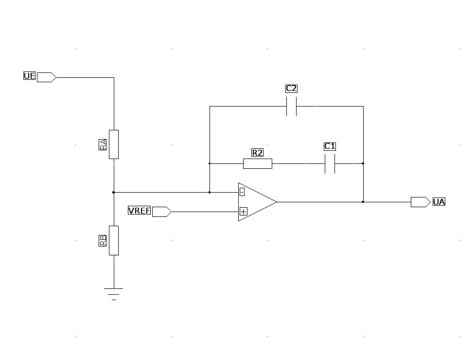
Hi, ich versuche den Angehängten Regler zu verstehen um in anschließend für eine andere Anwendung entsprechend dimensionieren zu können. Zum Hintergrund: an diesen Regler ist ein PLL Erzeuger angeschlossen und dieses bewirkt dann die Ausgangsspannungsregelung eines Isolierten Schaltnetzteiles mit sekundärseitigem Schaltregler. (Um vorneweg Diskussionen zu vermeiden, ja diese Schaltung funktioniert und wird in meiner Firma auch schon für andere Netzteile eingesetzt, nur leider wurde der Regler sehr langwierig immer per Try and Error ausgelegt, also nicht mathematisch. Weiterhin kann ich die Schaltung nicht ändern, da das Layout schon fertig ist und mit Pfädelschaltungen möchte ich bei In 230VAC und Out 300VDC 1A nicht anfangen, da allein der Trafo schon genug Störungen verursacht) Meine Fragen sind: Wie dimensioniere ich das ganze richtig? Wenn ich das ganze zuerst als P Regler sehen möchte, also C2 weglassen und C1 als 0R annehme, dann stört mich immer noch, das Ue nicht wie in der Literatur üblich über einen einzelnen R1 sondern über einen Spannungsteiler Ra/Rb angeschlossen ist. Und schon komme ich mit sämtlichen Faustregelansätzen nicht weiter. Mein Kollege meint mal irgendwann gelesen zu haben, das R1= Ra (parallel) Rb sei, das konnte ich aber in meinen Berechnungsversuchen noch nicht nachvollziehen. Ich wäre wirklich sehr dankbar, wenn mir wer einen "Schupps" in die richtige Richtung, also einen Rechenansatz geben könnte. Vielen Dank im voraus Stephan
Stephan schrieb: > das Ue nicht wie in > der Literatur üblich über einen einzelnen R1 sondern über einen > Spannungsteiler Ra/Rb angeschlossen ist. Dein Ue erniederigt sich durch den Teilerfaktor der beiden Widerstaende und der Ersatzwiderstand ergibt sich aus der Parallelschaltung der beiden Widerstaende. So machst du da auch nur eine Spannungsquelle und ein Widerstand draus. Siehr auch Thevenin Theorem. http://de.wikipedia.org/wiki/Th%C3%A9venin-Theorem
Helmut Lenzen schrieb: > Dein Ue erniederigt sich durch den Teilerfaktor der beiden Widerstaende > und der Ersatzwiderstand ergibt sich aus der Parallelschaltung der > beiden Widerstaende. Dazu müsste man aber den Eingangswiderstand des OPVs kennen oder meinst du Serienschaltung?
Иван S. schrieb: > Dazu müsste man aber den Eingangswiderstand des OPVs kennen oder meinst > du Serienschaltung? Der Eingangswiderstand des OPs ist dabei uninteressant. Diese Schaltung: 12V------ 1K -------+---- Out | 1K | GND Ist equivalent mit folgender Schaltung: 6V-------500 Ohm ------- Out Rechne es mal nach in dem du den Ausgang belastest mit einem Widerstand von sagen wir mal 500 Ohm 12V------ 1K -------+-----+---- Out (3V) | | 1K 500Ohm | | GND GND st equivalent mit folgender Schaltung: 6V-------500 Ohm ----+--- Out (3V) | 500 | GND
hallo, ich bin in der Thematik der OPVs ein Neuling, ausserdem habe ich keine Erfahrung mit solcherartigen Schaltungen. Meinen Ausführungen sind daher sowohl spekulativ als auch vorschlagsmässig zu sehen. Stephan schrieb: > Zum Hintergrund: an diesen Regler ist ein PLL Erzeuger angeschlossen und > dieses bewirkt dann die Ausgangsspannungsregelung eines Isolierten > Schaltnetzteiles mit sekundärseitigem Schaltregler. Vereinfachte Schaltung: +------o VCC | .-. +--o OUTPUT | | | | | +------------- '-' | | | (created by AACircuit) | |\| | +-----------|-\ | | | >-+ | +---|+/ .-. | |/| | | | | | | '-' +-------+ | | | | === -o- GND REF > Meine Fragen sind: > Wie dimensioniere ich das ganze richtig? Kommt drauf an, was Du haben willst. Die Referenzspannung wird wahrscheinlichster Weise vorgegeben sein. Der Eingangswiderstand des Komparators steht im Datenblatt und ist wohl (bei "kleinen" Widerstandswerten am Spannungsteiler) zu vernachlässigen. Somit ist das Problem auf die einfache Dimensionierung des Spannungsteilers beschränkt. > Wenn ich das ganze zuerst als P Regler sehen möchte, also C2 weglassen > und C1 als 0R annehme, Wenn Du einen der zwei Kondensatoren als Drahtbrücke annimmst und der Widerstand R2 ausreichend niederohmig ist, so hast Du ein komplett differentes Schaltverhalten. Die Hauptproblematik dürfte in der Dimensionierung der Spannungsteiler-Widerstände liegen, die restlichen Widerstände und die Kondensatoren sind nur schaltungstechnisches Beiwerk. > dann stört mich immer noch, das Ue nicht wie in der Literatur üblich > über einen einzelnen R1 sondern über einen Spannungsteiler Ra/Rb > angeschlossen ist. Der Spannungsteiler scheint das grundsätliche Einstellelement dieser Schaltung zu sein und ist daher nach Bedürfnis zu dimensionieren. > Mein Kollege meint mal irgendwann gelesen zu haben, das R1= Ra || Rb Rb niederohmig! > Ich wäre wirklich sehr dankbar, wenn mir wer einen "Schupps" in die > richtige Richtung, also einen Rechenansatz geben könnte. hth, Iwan
Im Zusammenhang mit PLLs immer wieder lesenswert: http://www.datasheetcatalog.org/datasheet/motorola/MC14046BCP.pdf http://cds.linear.com/docs/Design%20Note/dn7.pdf Kai Klaas
Bitte melde dich an um einen Beitrag zu schreiben. Anmeldung ist kostenlos und dauert nur eine Minute.
  
  Bestehender Account
  
  
  
  Schon ein Account bei Google/GoogleMail? Keine Anmeldung erforderlich!
Mit Google-Account einloggen
Mit Google-Account einloggen
  Noch kein Account? Hier anmelden.


 Thread beobachten
 Thread beobachten Seitenaufteilung abschalten
 Seitenaufteilung abschalten