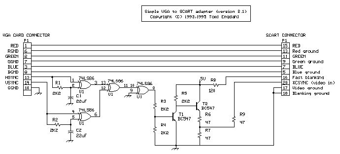
Hallo, ich habe den Schaltplan von dieser http://www.tkk.fi/Misc/Electronics/circuits/vga2tv/circuit.html Seite (Schaltplan ist angehangen). Dort werden BC547B verwendet, ich habe nur BC547C hier. Ich bin nicht sehr firm in der Analogen Elektronik, sollte mir hierbei der falsche Verstärkungsfaktor einen Strich durch die Rechnung machen, oder kann ich sie problemlos verwenden? Danke derbroti
Ob allerdings der (PAL)-TV auf das (mindestens) 60Hz-Signal synchronisiert? zweifelnde Grüße von ingo
Da habe ich vorgesorgt, die Grafikkarte kann 50Hz Signale erzeugen mit PAL Auflösung.
derbroti schrieb: > sollte mir hierbei > der falsche Verstärkungsfaktor einen Strich durch die Rechnung machen, > oder kann ich sie problemlos verwenden? Kannst Du nehmen. Sie arbeiten hier im reinen Schaltbetrieb.
Bitte melde dich an um einen Beitrag zu schreiben. Anmeldung ist kostenlos und dauert nur eine Minute.
Bestehender Account
Schon ein Account bei Google/GoogleMail? Keine Anmeldung erforderlich!
Mit Google-Account einloggen
Mit Google-Account einloggen
Noch kein Account? Hier anmelden.
