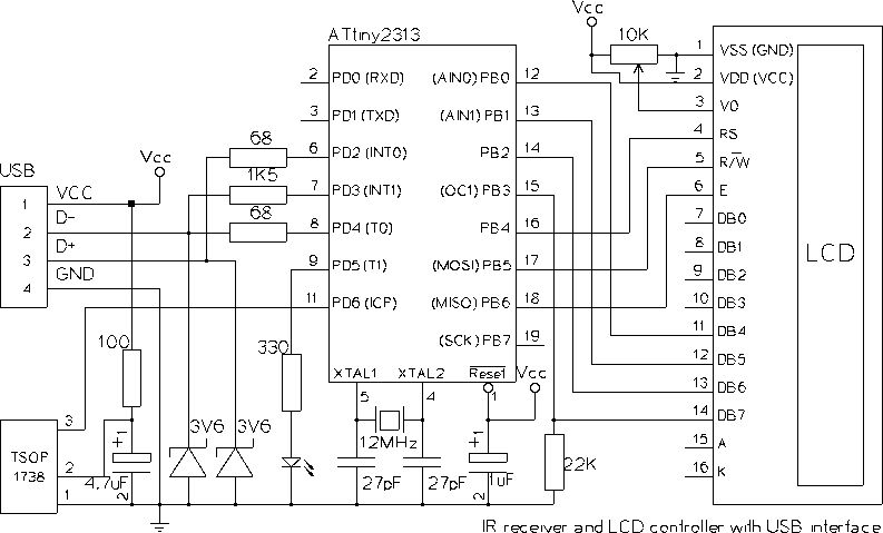
Hallo Ich habe hier eine Schaltung gefunden die ich nachbauen möchte und habe dazu folgende Fragen. Statt den zwei Kondensatoren mit 27pf kann ich da auch 22pF nehmen? Ich nehme an das das zwei Z-Dioden sind? Und der ATTiny2313 hat noch keine GND und Vss bekommen? Danke Mario
Mario K. schrieb: > Hallo > Ich habe hier eine Schaltung gefunden die ich nachbauen möchte und habe > dazu folgende Fragen. > Statt den zwei Kondensatoren mit 27pf kann ich da auch 22pF nehmen? Das hängt von deinem verwendeten Quarz ab. Die haben im Datenblatt normalerweise angegeben, was für einen Ziehkondensator du brauchst. > Ich nehme an das das zwei Z-Dioden sind? Ja, die USB-Datenleitung basiert auf 3,3V, um sie also nicht mit den 5V des µC zu grillen sind zwei Z-Dioden eingebaut. > Und der ATTiny2313 hat noch kein GND und Vss bekommen? > Danke Mario genau, die fehlen noch
Hi >Welchen Zweck könnte der 22k an DB7 haben? >Der dient dazu, dass ich das LCD weglassen kann Das ist das BUSY-Bit. MfG Spess
Bitte melde dich an um einen Beitrag zu schreiben. Anmeldung ist kostenlos und dauert nur eine Minute.
Bestehender Account
Schon ein Account bei Google/GoogleMail? Keine Anmeldung erforderlich!
Mit Google-Account einloggen
Mit Google-Account einloggen
Noch kein Account? Hier anmelden.

