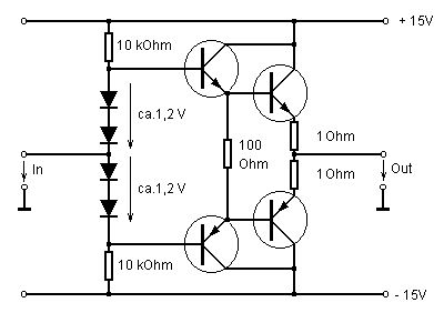
Wie kann ich mir einen einfachen Audioversärker mit einem Transistor bauen? Am besten wäre ein Schaltplan...
>Wie kann ich mir einen einfachen Audioversärker mit einem Transistor >bauen? mit nur einem Transistor geht das nicht - du brauchst noch ein paar R's und C's. Die ein bißchen sinnvoll zusammengepapt, und schon sollte der Verstärker verstärken ...
Ein einfacher Verstärker geht auch mit einem Transistor. Das ist dann nur fast Zwangsläufig Klasse A, und entsprechend eher weniger effektiv.
Hallo Obi, meinst Du eine Emitterschaltung? http://www.elektronik-kompendium.de/sites/slt/0204302.htm Gruss Klaus.
Welche Leistung kann ich mit dieser Schaltung erreichen??? Würde gerne 100Watt erreichen. Welche Transistoren und Dioden muss ich verwenden??
Obi Plal schrieb: > Welche Leistung kann ich mit dieser Schaltung erreichen??? Würde gerne > 100Watt erreichen. > > Welche Transistoren und Dioden muss ich verwenden?? Also mit 4 Transistoren, 4 dioden und 5 Widerstände kannst du doch keine 100W erreichen. Und wenn doch dann hört es sich beschissen an. Also 100W mit 15V sind schon mal ziemlich unmöglich. Es gibt den TDA1562 der anscheinend mit 18V 70W schafft (allerdings erhöht der sich selber die Spannung noch mal intern). Mal eine Frage für was willst du 100W. Für deine PC Lautsprecher reichen auch 2W. Schau dir vielleicht mal den TBA820 an (z.b. hier http://www.elektronikbasteln.pl7.de/2-watt-nf-verstaerker.html). Der kostet extrem wenig und ist einfach aufzubauen. Für 100W brauchst du entweder sehr viel mehr Bauteile oder ein oder mehrere ICs. Außerdem: Bei 100W ist es mit einem Steckernetzteil nicht getan!
Obi Plal schrieb: > Welche Leistung kann ich mit dieser Schaltung erreichen?? Das müsste da stehen wo du sie her hast. Mit so einer Schaltung aber nicht so viel. Ich würde sagen höchstens im 1 stelligen Watt Bereich. Schau dir mal Wikipedia Transitorverstärker an. Der sieht so ähnlich aus wie der erste den ich gebaut habe.
Obi Plal schrieb: > Welche Leistung kann ich mit dieser Schaltung erreichen?? 10-12 Watt an 4 Ohm LS bei miesem Klang.
Obi Plal schrieb: > Welche Leistung kann ich mit dieser Schaltung erreichen??? Würde gerne > 100Watt erreichen. 15V Versorgung und 100W (RMS) an einem Lautsprecher (4Ω, 8Ω) schließen sich aus! Sei froh, wenn du mit einer Brückenschaltung an ±15V in den Bereich oberhalb 50W, 60W kommst. Warum muss es unbedingt ein diskreter Verstärker sein? Es gibt doch so viele hübsche ICs!
Und was ist bei 30Volt? Welcher währe so ein IC? (Am besten ein Verbreiteter IC)
HildeK schrieb: > Warum muss es unbedingt ein diskreter Verstärker sein? Es gibt doch so > viele hübsche ICs! Darf ich raten? Er möchte nichts bestellen und hat nur die "Basisbauteile" zuhause. Obi Plal schrieb: > Welcher währe so ein IC? (Am besten ein Verbreiteter IC) Erst mal: Warum 100W Etwas kleineres: Samuel K. schrieb: > (z.b. hier > http://www.elektronikbasteln.pl7.de/2-watt-nf-verstaerker.html). Der > kostet extrem wenig und ist einfach aufzubauen.
Obi Plal schrieb: > Und was ist bei 30Volt? > > Welcher währe so ein IC? (Am besten ein Verbreiteter IC)
Obi Plal schrieb: > Obi Plal schrieb: >> Und was ist bei 30Volt? Und was ist mit denken? Oder sogar verstehen? >> Welcher währe so ein IC? (Am besten ein Verbreiteter IC) google kaputt?
Obi Plal schrieb: > Obi Plal schrieb: >> Und was ist bei 30Volt? >> >> Welcher währe so ein IC? (Am besten ein Verbreiteter IC) Für was denn? Wenn du mir nicht den Grund für die 100W nennst kann ich dir auch keinen gescheiten IC nennen. Wenn du dir ein 100W Verstärker bauen möchtest, dann gib ich dir einen Tipp: Lass es bleiben. Jeder muss mal klein anfangen. Bau dir erstmal was kleineres z.b 1W Verstärker. Dann vielleicht 15W und dann kannst du gerne dich an die 100W wagen.
>15V Versorgung und 100W (RMS) an einem Lautsprecher (4Ω, 8Ω) schließen >sich aus! kommt drauf an - für's Auto hatte ich mal einen Verstärker gebastelt. Äuserlich lief der mit 12V (logisch), innerlich hatte ich plus und minus 12V (Ladungspumpe - ja ja). In Zusammenhang mit einem Bass-Lautsprecher, der eine Schwingspule von zweimal 2 Ohm hatte, kamen schon ein paar Strömchen zusammen. Das war dann eher ein Hochstromverstärker. Allerdings ist das aber nicht mit obiger Billigschaltung machbar.
Wie veil Watt währen mit der Transistorschaltung realistisch (15 und 30V)?? PS: Die 100W brauche ich um auf kleinen Partys ordentlich Musik zu machen...
>PS: Die 100W brauche ich um auf kleinen Partys ordentlich Musik zu >machen... Und das fällt Dir kurz vor der Party ein?
Obi Plal schrieb: > PS: Die 100W brauche ich um auf kleinen Partys ordentlich Musik zu > machen... lol
Obi Plal schrieb: > PS: Die 100W brauche ich um auf kleinen Partys ordentlich Musik zu > machen... Für kleine Partys reichen dir auch 15 bis 30W. Und bei einer guten quali bekommst du das nicht mit deiner Schaltung hin. Dann schau dir mal das an: http://www.elektronikbasteln.pl7.de/stereo-verstaerker.html Wenn du den Brückst, d.h. Input -> L-In -> L-Out -> R-In -> R-Out -> Output bekommst du 20W. Das sollte reichen.
Jens G. schrieb: >>PS: Die 100W brauche ich um auf kleinen Partys ordentlich Musik zu >>machen... > > Und das fällt Dir kurz vor der Party ein? Nein... Wie veil Watt währen mit der Transistorschaltung realistisch (15 und 30V)?? Welcher währe ein IC für so einen Verstärker? (Am besten ein Verbreiteter IC)
Obi Plal schrieb: > Wie veil Watt währen mit der Transistorschaltung realistisch (15 und > 30V)?? (Gesammte Betriebsspannung (+/-15V = 30V) geteilt durch 4) mal (Gesammte Betriebsspannung (+/-15V = 30V) geteilt durch 4) geteilt durch Lastwiderstand = Leistung
Dir kann man es so oft sagen wie man will. Schau dir doch mal mein Link an. Wie viel Watt man braucht kommt immer auf den Lautsprecher an. Es gibt 500W Lautsprecher die bei einem 500W Verstärker genauso Laut sind wie ein 100W Lautsprecher + Verstärker. Übirgens: Man kann mit einem 2W Verstärker eine gute Zimmerlautstärke erreichen bei 15V. Und solange du noch glaubst 100W sind unbedingt nötig und 20W sind gar nichts, ist dir nicht zu helfen.
Welcher währe eine IC (verbreitet) der mehr als 20 Watt hat?? PS: Haben eigendlich 2 50 Watt Lautsprecher die gleiche Musikleistung wie einer mit 100Watt??
Wenn du doch noch was ohne IC's willst: Schau dir das an. Ist zwar 1000W, aber einfach ist es nicht: http://www.crm.filzinger.com/index.php?menu=3&menu2=2 Nimm halt den TDA1562. Kostet ca. 10 Euronen. Ist bei reichelt zu kaufen. Bei 12V ca. 50W, bei 18V 70W.
lol, du kommst sicher mal weit im Leben... Kindergarten mit Vorkauen ist vorbei
>Wie veil Watt währen mit der Transistorschaltung realistisch (15 und >30V)?? Ist Wurscht. Das Teil kann nur beschissen klingen. Ausserdem wird dir das Teil um die Ohren fliegen weil du keine Ahnung von Kühlung, thermischer Gegenkopplung und Netzteilauslegung hast. Fliegende Aufbauten neigen auch gerne mal zum schwingen. Da brennen die Endstufe und die Lautsprecher dann ziemlich schnell. >PS: Die 100W brauche ich um auf kleinen Partys ordentlich Musik zu >machen... Kauf dir eine Endstufe. Selber bauen ist noch nichts für dich. Fang mit nem TDA2003 an. Da bekommst du mal 5-10W zusammen. Und selbst da muss schon ein Kühlkörper dran.
>Wie veil Watt währen mit der Transistorschaltung realistisch (15 und >30V)?? eigentlich gar keine Watt - denn diese Schaltung, die Du gezeigt hast, ist nur eine Grundschaltung, und nix ausgereiftes. Die wird an instabilem Ruhestrom, vielleicht sogar steigendem Ruhestrom während des Betriebs leiden, und wird nach kurzer Zeit Puff machen.
holger schrieb: > Und selbst da muss schon ein Kühlkörper dran. Glaub ich nicht. Schau dir mein Link an. Da wird geschrieben, dass der TDA 2005 (gut ist ein anderer) kein Kühler braucht. Nimm halt den TDA1562 wenn du viel Leistung brauchst. Der ist auch nicht schwer aufzubauen, außerdem gibt es da auch bausätze. Aber glaub mir, du wirst erstaunt sein, wenn du siehst wie laut ein 2W Verstärker mit PC-Boxen sein kann.
>holger schrieb: >> Und selbst da muss schon ein Kühlkörper dran. >Glaub ich nicht. Wenn du einmal auf einem Osci gesehen hast was passiert wenn so ein IC in die thermische Begrenzung geht, dann baust du einen Kühlkörper dran;)
>Glaub ich nicht. Schau dir mein Link an. Da wird geschrieben, dass der >TDA 2005 (gut ist ein anderer) kein Kühler braucht. Ob Du es glaubst oder nicht - 5-10W werden nicht mehr ohne Kühlung vertragen von solch einem kleinen IC. Ist schließlich nur ein PentaWatt-Gehäuse, das so um die 2W abführt.
Obi Plal schrieb: > http://www.crm.filzinger.com/index.php?menu=3&menu2=3 > Was ist mit dieser Schaltung?? ähm... lies das doch einfach???
ach ja - wenn wir von Watt reden, dann vermute ich mal Sinusleistung, nicht Musik/Impuls/Spitzenleistung.
Jens G. schrieb: > Ob Du es glaubst oder nicht - 5-10W werden nicht mehr ohne Kühlung > vertragen von solch einem kleinen IC. Ist schließlich nur ein > PentaWatt-Gehäuse, das so um die 2W abführt. Ich ging von dem Autor aus, der Schrieb, dass dieser 20W Verstärker keine Kühlung brauchte. @Obi Plal Ich empfehle dir entweder klein anzufangen: 2W Tba820 wenn nicht ein bisschen größer: 20W TDA2005 gebrückt Oder einen einfachen 70W Verstärker aufzubauen TDA1562: http://www.hed-tafelmeyer.de/de/bausatz.html Die Links findest du oben. kompliziert sind die Schaltungen nicht.
>http://www.crm.filzinger.com/index.php?menu=3&menu2=3 > >Was ist mit dieser Schaltung?? Nichts ist damit. Das ist ein Vorverstärker. So, und jetzt kommen wir mal auf den Punkt: Du kannst dir keinen Verstärker selber bauen. Basta und aus. Alles was mehr als 5Watt hat wird bei dir in Rauch aufgehen. Finde dich damit ab.
So schlimm ist doch die Teilschaltung gar nicht: ohne Spannungsverstärkung ist es ziehmlich unwahrscheinlich das die anfängt zu schwingen. Man braucht nur schon eine hohe Eingangsspannung. Mit dem typischen Line Pegeln wird man da eher 0,1-0,5 W bei 8 Ohm oder so rausbekommen. Aber auch das reicht um zu merken das es sich schlecht anhört. Der Strom ist je nach Transisotren auch auf etwas um die 1-5 A begrenzt, das kann also sogar kurzschlußfest werden. Mit Emitterwiderständen von 1 Ohm sollte die Schaltung auch thermisch nicht weglaufen. Für den ersten Versuch sind die TDA200x ganz gut und unglaublich billig. Wenn man mehr als etwa 2 W dauerhaft haben will geht es nicht ohne Kühlung. Ohne Kühlung ist sinnvoll wenn man nur die Spitzenleistung haben will, und nur einen kleinen Trafo mit etwa 5 VA hat. Da kann der Übertemperaturschutz des IC auch gleich den Trafo mit schützen. Nicht die Feine Art, aber eine billige Lösung.
Obi Plal schrieb: > Was währe eine einfache Schaltung für einen 50Watt verstärker??? Wenn für dich 30€ für einen 70W nicht billig sind kann ich dir auch nicht mehr helfen.
Jens G. schrieb: >>15V Versorgung und 100W (RMS) an einem Lautsprecher (4Ω, 8Ω) schließen >>sich aus! > > kommt drauf an - für's Auto hatte ich mal einen Verstärker gebastelt. > Äuserlich lief der mit 12V (logisch), innerlich hatte ich plus und minus > 12V (Ladungspumpe - ja ja) Mit dem TDA1562Q? Bei 14,4V, mit 0,5%THD und bei 1kHz werden auch nur 45W an 4Ω versprochen. Und der reizt schon fast alles aus. Ich meinte sogar ±15V! Da passt, einfachst betrachtet, gerade mal ein Sinus mit ±15Vss dazwischen, das sind gerade mal 10,6Veff. Die an 4Ω geben rund 25W. Ich habe absichtlich die notwendigen Restspannungen an den Transistoren und weiteren, noch fehlenden Schaltungsteilen nicht berücksichtigt. Real ist das deshalb noch viel weniger! Natürlich ist mit Brücken und Ladungspumpen einiges mehr möglich. Du kannst ja auch einen Step-Up davor schalten und machst aus den 15V z.B. 50V oder 100V ...
@ HildeK (Gast) >Da passt, einfachst betrachtet, gerade mal ein Sinus mit ±15Vss >dazwischen, das sind gerade mal 10,6Veff. Die an 4Ω geben rund 25W. Ich Bei mir warens 1Ω (2x2Ω parallel), und Brücke - da ging schon ein bißchem mehr ab ;-)
> Übirgens: > Man kann mit einem 2W Verstärker eine gute Zimmerlautstärke erreichen > bei 15V. LOL, ich hab einen 2x 3W Verstärker stehen, mit grossen Boxen dran, und selbst der würde reichen, um die Nachbarn zu ärgern. Ist aber Röhre :-) VG, /th.
HildeK schrieb: > a passt, einfachst betrachtet, gerade mal ein Sinus mit ±15Vss > dazwischen, das sind gerade mal 10,6Veff. Die an 4Ω geben rund 25W. Ich > habe absichtlich die notwendigen Restspannungen an den Transistoren und > weiteren, noch fehlenden Schaltungsteilen nicht berücksichtigt. Real ist > das deshalb noch viel weniger! ähh der TDA1562 hat einen Stepup drinnen.
Samuel K. schrieb: > ähh der TDA1562 hat einen Stepup drinnen. Eine Ladungspumpe. Keinen klassischen Aufwärtsregler.
Nachtaktiver schrieb: > Eine Ladungspumpe. Keinen klassischen Aufwärtsregler. Kann eine Ladungspumpe 70W erzielen?
Mit der Ladungspumpe (Boostrap-Schaltung) werden nur die internen Treiberstufen versorgt, um die maximale Aussteuerbarkeit der Endstufe zu ermöglichen.
> Nachtaktiver schrieb: > > Kann eine Ladungspumpe 70W erzielen? Eine Ladungspumpe kann 0.0054W oder 128.983W erzielen! Frage: Kann ein Widerstand 10kOhm haben? Gruss Michael
Ich beziehe mich nur auf dashier: http://www.mikrocontroller.net/articles/Versorgung_aus_einer_Zelle > nur geringe Ausgangsströme möglich (100mA) Michael Roek-ramirez schrieb: > Frage: Kann ein Widerstand 10kOhm haben? Wahrscheinlich nicht. Vielleicht 9.88563k aber seltenst 10k. ;)
ArnoR schrieb: > Mit der Ladungspumpe (Boostrap-Schaltung) werden nur die internen > Treiberstufen versorgt, um die maximale Aussteuerbarkeit der Endstufe zu > ermöglichen. Jou.....aber jetzt wo Du das sagst.....waere doch eine prima Idee, noch eine Ladepumpe zur Erhoehung der Betriebsspannung der Endstufe dranzuhaengen...... ;-) Gruss Michael
> nur geringe Ausgangsströme möglich (100mA)
wenn das ganze schön niederohmig gemacht wird, gehen auch etliche
Amperes.
Die Angabe mit den 100mA stammt vermutlich noch aus Urzeiten der
Elektronik, als niederohmige Halbleiter + Kondensatoren nicht/kaum zu
haben waren.
Natürlich trudeln da ganz schöne Stromspitzen durch die Platine - aber
machbar sind etliche Ampere inzwischen lässig.
Samuel K. schrieb: > ähh der TDA1562 hat einen Stepup drinnen. Natürlich! Meine Betrachtungen waren auch auf die einfache, symmetrisch versorgte Komplementärendstufe gemünzt. Ohne Ladungspumpe, ohne Brückenschaltung. Der TO fragte ja ursprünglich: > Welche Leistung kann ich mit dieser Schaltung erreichen??? Würde gerne > 100Watt erreichen.
Guten Tag, Ich benötige einen Oscillator mit ca f=1kHz bis 1.5kHz und Kupplung mit einen Verstärker mit einem Kondensator 10 μF. Ich frage mich, ob mein Zeichnen richtig ist, oder gibt es was zu verbessern oder vervollständigen? Die Anwendung ist für magnetische Wasserenthärtung. Die Spule mit ca. 10 Windungen sollte am Endeffekt um eine Wasserleitung umdrehen. Vielen Dank! Mehdi Andishmand
pfui analog für sowas nimmt man heutzutage mindestens nen Atmega32, alles andere is oldschool und voll uncool
in einen Paralleltread war der Kamerad schon mal zu sehen.
Ob der in noch mehr Treads auftaucht?
Ralph Berres
Re: NF Verstärker - Frage
Autor: Mahdi Andishmand (Gast)
Datum: 02.07.2017 00:12
Angehängte Dateien:
preview image for Schwingung.Verstaerker.jpg
Schwingung.Verstaerker.jpg
231 KB, 27 Downloads
Bewertung
-1 ▲ lesenswert
▼ nicht lesenswert
Guten Tag,
Ich benötige einen Oscillator mit ca f=1kHz bis 1.5kHz und Kupplung mit
einen Verstärker mit einem Kondensator 10 μF. Ich frage mich, ob mein
Zeichnen richtig ist, oder gibt es was zu verbessern oder
vervollständigen?
Die Anwendung ist für magnetische Wasserenthärtung.
Die Spule mit ca. 10 Windungen sollte am Endeffekt um eine Wasserleitung
umdrehen.
Vielen Dank!
Mehdi Andishmand
Mahdi Andishmand schrieb: > Anwendung ist für magnetische Wasserenthärtung Was für ein Humbug. Die normale Wasserleitung ist ein Eisenrohr, das schirmt sämtliche magnetischen Felder von aussen zuverlässig ab. Merke: Es gibt keine Wasserenthärtung auf die Art. Es ist ein Hoax. Also einfach Verarschung. Fall nicht auf Lügen von Lügnern rein. Enthärtung bedeutet immer Chemie, bedeutet immer Ionenaustauscherkolonnen, bedeutet immer langsamer Wasserfluss (kein Duschen) und kostet Geld.
Bitte melde dich an um einen Beitrag zu schreiben. Anmeldung ist kostenlos und dauert nur eine Minute.
Bestehender Account
Schon ein Account bei Google/GoogleMail? Keine Anmeldung erforderlich!
Mit Google-Account einloggen
Mit Google-Account einloggen
Noch kein Account? Hier anmelden.

