Hallo, Ich suche zum testen eines VBus Interfaces eine Heizung mit VBus im Raum Aalen(73430).
Hi Nico, was genau willst du den testen, die Hardware oder das Protokoll? Ich hätte ein VBus-Master-Interface (zum Stecken für RESOL-Solarregler), das kannst du einfach an eine RS232 hängen (Logikpegel 0..3,3V). Den Schaltplan für den Master kann ich dir zukommen lassen, ist nicht viel dahinter. Infos zum Protokoll und VBus-Slave-Hardware gibt's hier: http://groups.google.com/group/resol-vbus
Hardware... ich hab ein interface v-bus <-> rs232 gebaut. test mit 8,5V und widerstand als strombegrenzung und dann daten drauf funktioniert. ich will es eigendlich nur noch an einer realen anlage testen, bevor ich es wegschicke. den schaltplan für den master wäre auf jeden fall gut zu haben :-) danke schonmal!
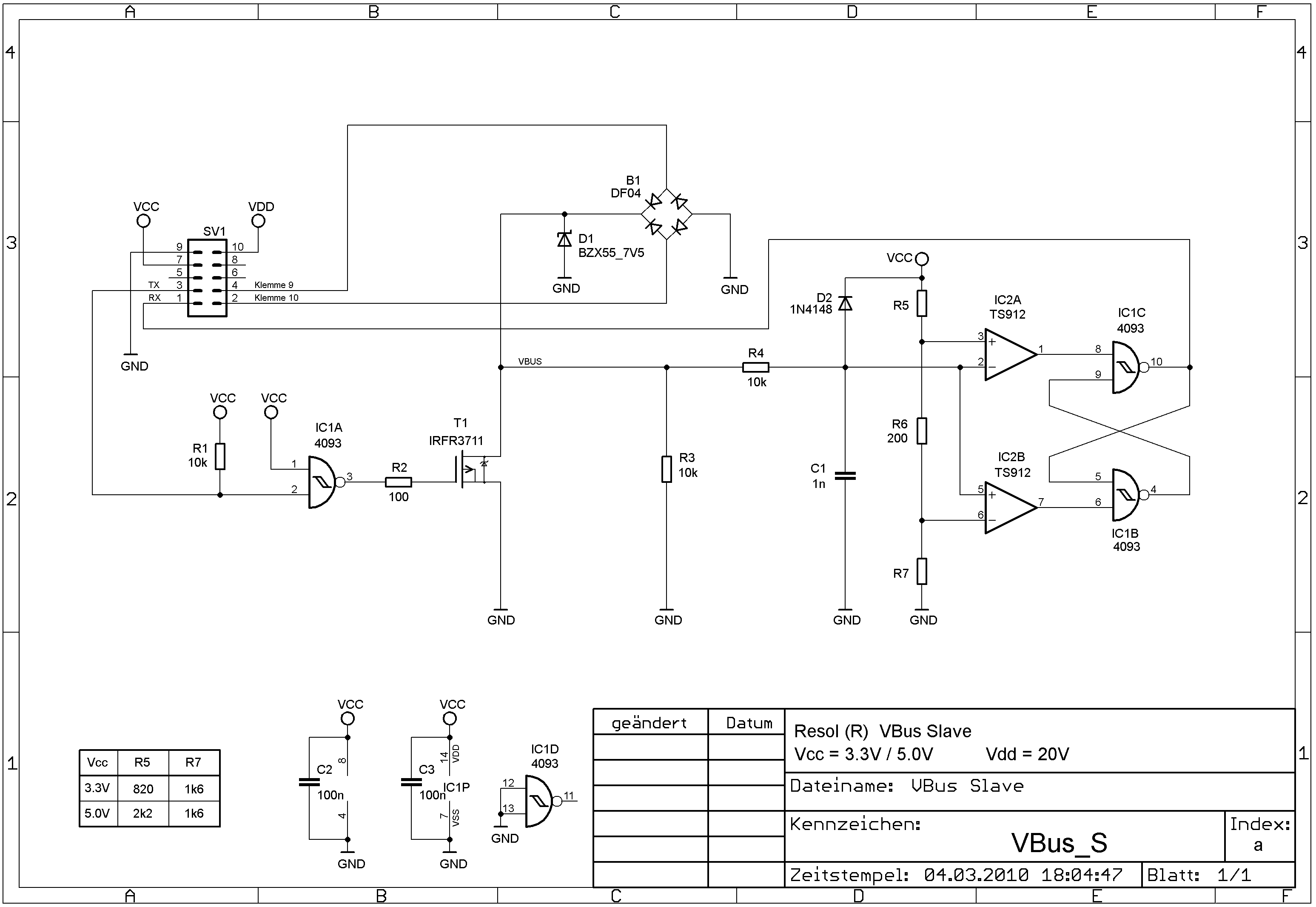
Okay, hier der Schaltplan für Master und Slave. Master kann entweder als VBus oder als RS232 bestückt werden. Viel Spaß beim Testen. ;-)
also als rs232 ist es dann ja nur ein simpler pegelwandler. ansonsten ist der master ja das selbe wie der slave bis auf die stromquelle und die z-diode zum begrenzen der busspannung
Nico K. schrieb: > ansonsten ist der master ja das selbe wie der slave bis auf die > stromquelle und die z-diode zum begrenzen der busspannung So ist es. Der Konstantstrom kann in Ausnahmefällen lt. Resol auch anstatt 35mA auf 52mA erhöhrt werden. Busspannung auf 8,2V begrenzt.
Bitte melde dich an um einen Beitrag zu schreiben. Anmeldung ist kostenlos und dauert nur eine Minute.
Bestehender Account
Schon ein Account bei Google/GoogleMail? Keine Anmeldung erforderlich!
Mit Google-Account einloggen
Mit Google-Account einloggen
Noch kein Account? Hier anmelden.

