Hallo, ich habe ein Lastrelais (U = 12 VDC; Ri = 360 Ohm), dieses möchte ich per µC ansteuern sprich 5V. Da ich mir meinen µC nicht zerschießen will hätte ich gerne eine galvanische Trennung. Ich dachte da an einen Optokoppler. Welchen Optokoppler muß ich da nehmen und wie ist er anzuschließen. Vielen Dank Gruß Patrick
DU brauchst nicht unbedinkt einen optokoppler, du brauchst nur eine vertärkerschaltung. Wenn du ein Relais dierekt mit einem optokoppler schlaten willst zerschießt du dir den optokoppler genau so.
Das Relais hat ja schon eine galvanische Trennung zwischen Steuer-/ Lastkreis. Transistor Widerstand Freilaufdiode mehr braucht man da nicht
Nim doch einfache Treiberbausteine z.B.: ULN2003. Damit kannst Du bis 500mA Last treiben. Damit sollten Deine 44mA kein Problem darstellen. http://www.jaycar.com.au/images_uploaded/ULN2003.PDF
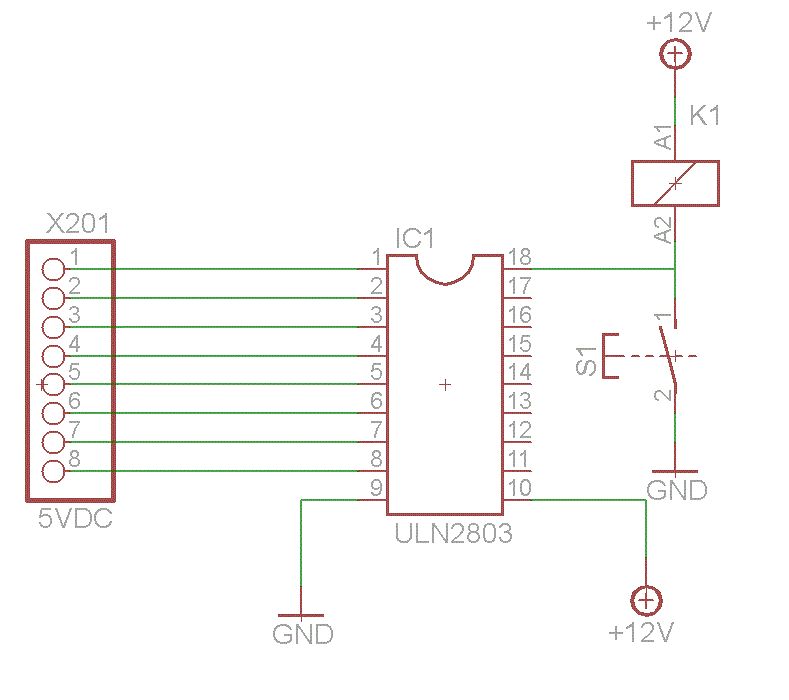
Das mit dem Treiberbaustein gefällt mir eigentlich sehr gut. Brauche 8 Relais dann kann ich ja einen mit 18Pins nehmen und fertig. z.B.: ULN2803A Auf der Input Seite kann ich ja dann direkt mit 5V drauf ohne Vorwiderstand, oder? Der kann dann max. 50V / 500mA am Ausgang und zieht am Eingang 25mA. Habe mal gehört µC könnten max. 40mA pro Pin bedeutet das pro Ausgangspin oder auch am VCC Pin, wenn am VCC Pin dann hätte ich bei acht Transistoren gleichzeitig ja schon 200mA. Zum Anschluss: Ich lege 12V auf A1 am Relais und A2 auf Out des Treibers. Dann noch Masse von dem 5V und 12V Netz zusammenlegen und fertig. Ohne Diode zwischen A1 und A2?? Und wohin mit dem COM Pin? Wenn meine Gedanken falsch sein sollten bitte korrigieren! Vielen Dank
@ Patrick (Gast) >Auf der Input Seite kann ich ja dann direkt mit 5V drauf ohne >Vorwiderstand, oder? Ja. >Der kann dann max. 50V / 500mA am Ausgang und zieht >am Eingang 25mA. Jain. Wenn nur EIN Ausgang 500mA schalten muss, dann geht das. Wenn MEHRERE Ausgänge GLEICHZEITG was schalten sollen, sinkt der max. tzulässige Strom, siehe Datenblatt. Und am Eingang fliessen lastunabhängig ca. 1,5mA/Kanal. >Habe mal gehört µC könnten max. 40mA pro Pin naja, das sind Grenzwert, die meisten sollte man mit max. 20mA belasten. > bedeutet das pro >Ausgangspin ja. >oder auch am VCC Pin, wenn am VCC Pin dann hätte ich bei >acht Transistoren gleichzeitig ja schon 200mA. Dort gibt es auch eine Grenze, die ist hier aber egal bei 1,5mA/Kanal. >Ich lege 12V auf A1 am Relais und A2 auf Out des Treibers. >Dann noch Masse von dem 5V und 12V Netz zusammenlegen und fertig. Nein. Gerade bei Relais solltest du den COM Anschluss vom ULN mit +12V verbinden, das sind nämlich deine Freilaufdioden :-0. > Ohne Diode zwischen A1 und A2?? >Und wohin mit dem COM Pin? Siehe oben. MFG Falk P S Man sollte den Artikel mal um den ULN erweitern, damit solche Trivialfragen abgefangen werden.
Was spricht gegen ein 5V-Miniaturrelais für direkten Betrieb durch einen µC? Gruß, Ehrhardt
@ falk Danke schonmal für deine Hilfe. Habe mal die Schaltung gezeichnet aber muß auf COM nicht Masse?
Patrick schrieb: > aber muß auf COM nicht Masse? Nein, an deine +12V. Schau mal hier auf S. 2 http://focus.ti.com/lit/ds/symlink/uln2803a.pdf Wenn Du COM auf GND legen würdest, würden die Dioden ständig leiten.
OK! Dann war meine Schaltung so ja richtig, oder? Danke nochmal! Gruß Patrick
Kann ich eigentlich einfach einen Überbrückungstaster einbauen ohne den Transistor zu zerstören?
Hallo, kann mir vielleicht jemand noch kurz bestätigen ob die Schaltung im Beitrag vorher so funktionieren würde! Danke Gruß Patrick
Patrick schrieb: > Hallo, > > kann mir vielleicht jemand noch kurz bestätigen ob die Schaltung im > Beitrag vorher so funktionieren würde! > > Danke > > Gruß Patrick Welche? Die im Beitrag vom 25.11. um 19:18 Uhr? Ja, die würde gehen, warum auch nicht ;)
Wo kommt denn der Taster her? Verflixt, ins falsche Bild geschaut...solange keiner den Taster drückt bzw. den Taster nur drückt wenn GND geschaltet ist, passiert nichts, ansonsten mal das Datenblatt befragen.
Der Taster muss jederzeit gedrückt werden können auch wenn währenddessen der µC den Transistor schaltet. Die Frage ist halt ob das dem Transistor was macht. @oder (Gast) Ja im Prinzip ist es eine "oder" Schaltung!
@Patrick (Gast) >Der Taster muss jederzeit gedrückt werden können auch wenn währenddessen >der µC den Transistor schaltet. Die Frage ist halt ob das dem Transistor >was macht. Ja, das geht.
Bitte melde dich an um einen Beitrag zu schreiben. Anmeldung ist kostenlos und dauert nur eine Minute.
Bestehender Account
Schon ein Account bei Google/GoogleMail? Keine Anmeldung erforderlich!
Mit Google-Account einloggen
Mit Google-Account einloggen
Noch kein Account? Hier anmelden.

