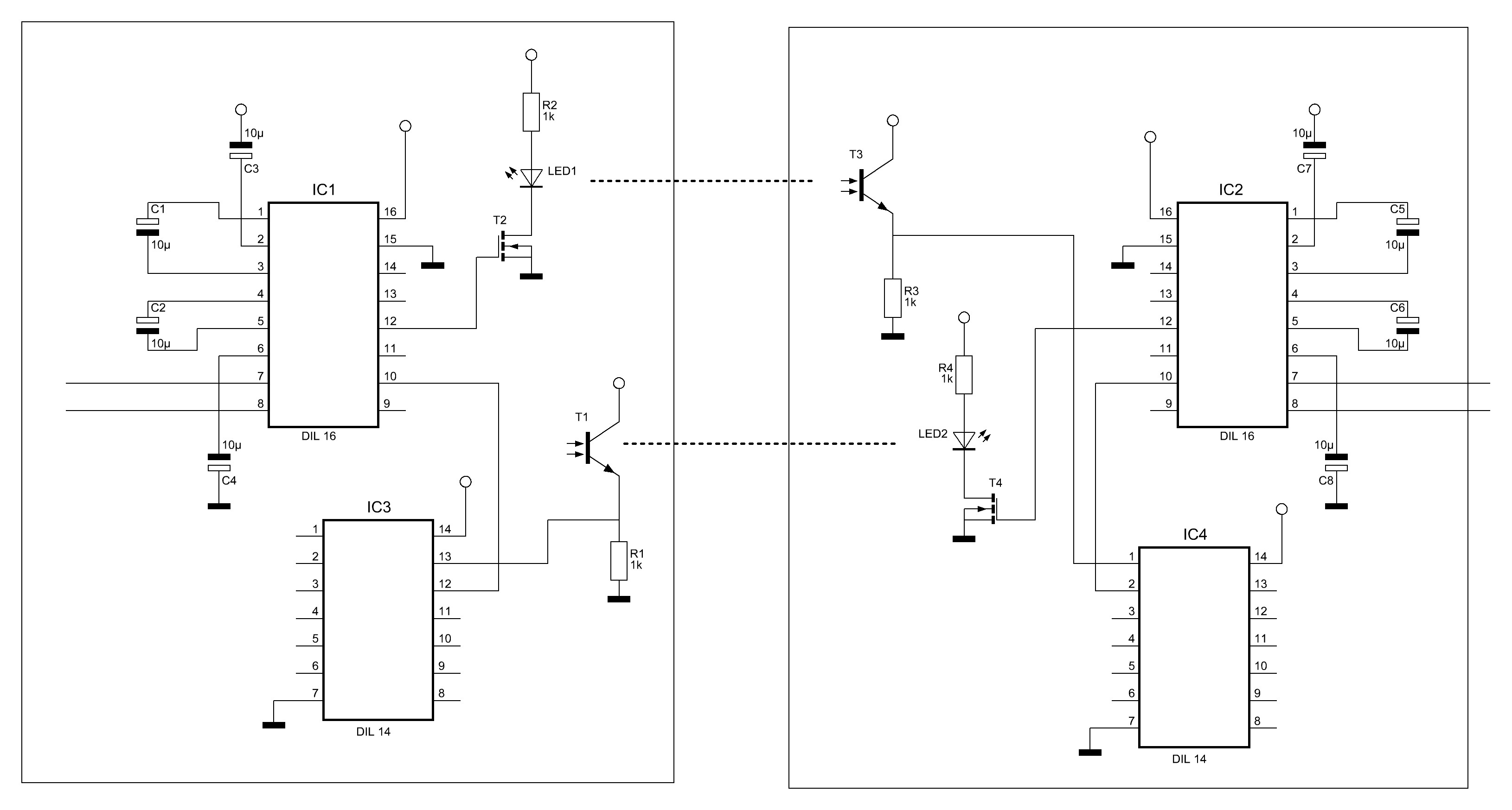
Hallo, kann jemand mal prüfen, ob meine Schaltung soweit i.O. ist? Mögliche Verbesserungen,Kritik, usw. sind gerne gesehen. Es handelt sich um eine optische Datenübertragung von RS232 auf RS232. IC1 und 2 sind MAX232 Bausteine. IC 3,4 sind Schmitt-Trigger (74HC7014). Die Widerstandswerte muss ich noch bearbeiten
Todde schrieb: > Es handelt sich um eine optische Datenübertragung von RS232 auf RS232. Warum mit MAx232? Einfach LED über passenden Vorwiderstand auf Tx, vlt. Noch Begrenzung antiparallel über LED mittels (Z-)Diode. Und Fototransistor auf Rx. :-)
Danke mit Pin 9. Geht das denn so einfach nur mit IR-LED? Ich dachte wegen den +/- 12 Pegel muss ich da nen MAX232 nehmen.
Todde schrieb: > kann jemand mal prüfen, ob meine Schaltung soweit i.O. ist? Schwierig, denn das ist kein Schaltplan, allenfalls ein Fragment. > Mögliche Verbesserungen,Kritik, usw. sind gerne gesehen. Zu einem korrekten Schaltplan gehören u.a. sämtliche Bauteiltypen und -werte, die Versorgungsspannung(en) und Bezeichnung von Ein- und Ausgängen.
Bitte melde dich an um einen Beitrag zu schreiben. Anmeldung ist kostenlos und dauert nur eine Minute.
Bestehender Account
Schon ein Account bei Google/GoogleMail? Keine Anmeldung erforderlich!
Mit Google-Account einloggen
Mit Google-Account einloggen
Noch kein Account? Hier anmelden.
