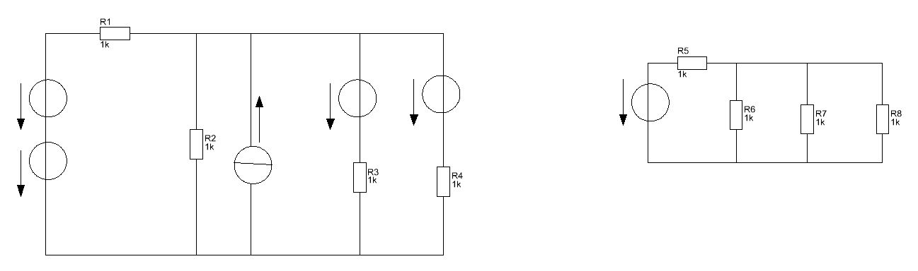
Hallo, bin grad bei ner Übungsaufgabe am überlegen. Kurz zur Aufgabenstellung: Die gg. linke Schaltung soll mit Überlagerungsprinzip berechnet werden (Teilstrom von R3). Jetzt muss ich ja mit Hilfe von 5 Ersatzschaltungen diesen Teilstrom berechnen. Ich weiß aber nicht, wie ich die Stromteilerregel bei 3 parallelen Widerständen anwende. In meinen ganzen ET-Büchern steht nur die Formelö für 2 Widerstände drin. Kann mir jemand die Formel aufstellen, am besten mit kleiner Beschreibung, wie abgeleitet
PS: Werte sind nicht angegeben. Die Antwort muss als Formel mit Variablen erfolgen
Bei drei gleichen Widerständen gibt es da nichts zu rechnen. I3=I/3
Entweder: du machst aus den einen 2 Widerständen einen Ersatzwiderstdn, dann bleiben noch 2 parallele und mit diesen machst du das selbe. Dann brauchst du nur die Formel die du hast. Alternativ: 1/R_ges = summe(1/R_i) Also der Kehrwert des Gesamtwiderstandes ist die Summe der Kehrwerte der Einzelwiderstände...
Todde schrieb: > In meinen ganzen ET-Büchern steht nur die Formelö für 2 Widerstände drin. denk doch ein wenig nach! Wenn man aus 2Widerstände einen macht, dann sind es wieder 2 widerstände. Man lernt auch in der Schule nicht 1+2+3 sondern nur 1+2 und 3+3.
Die Werte sind in der Aufgabenstellung nicht angegeben. Hab ich bei splan vergessen rauszunehmen. Nein keine Hausaufgaben. Ne Übung für ne anstehende Klausur
der strom teilt sich im beispiel gleichmässig auf. ansonsten mit einer beispielspannung (beispielstrom) rechnen. Angenommener Strom: 10mA einfach den Gesamtwiderstand für die 3 berechnen. dann die spannung ausrechnen, die an ihnen anliegt. die teilströme lassen sich dann mit dem verhältnis der einzelnen widerständen ausrechnen. Spannung: Widerstand 5: 1k __ Widerstand 6+7+8 : 0.33k
Todde schrieb: > Stromteilerregel bei 3 parallelen Widerständen anwende. In meinen ganzen > ET-Büchern steht nur die Formelö für 2 Widerstände drin. Bei drei paralleln Widerständen fasst man die beiden, die nicht interessieren zu einem zusammen und schon kann man die bewährte Regel anwenden. Außerdem kannst du die beiden Spannungsquellen in dem Zweig ganz links zusammenfassen. Dann sind für die Überlagerung nur noch 4 Teilstöme zu berechnen.
ok, danke für den Tipp mit der ZUsammenfassung der beiden Quellen.
Bitte melde dich an um einen Beitrag zu schreiben. Anmeldung ist kostenlos und dauert nur eine Minute.
Bestehender Account
Schon ein Account bei Google/GoogleMail? Keine Anmeldung erforderlich!
Mit Google-Account einloggen
Mit Google-Account einloggen
Noch kein Account? Hier anmelden.
