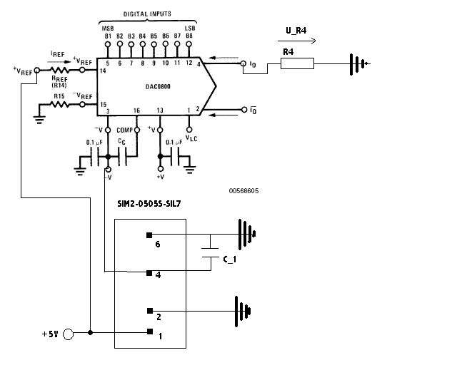
Hallo zusammen, ich bin neu im Forum und entschuldige mich schon im Vorraus dafür falls ich etwas nicht richtig gemacht habe, bin daher immer für Tips und Anregungen offen. Also mein Problem stellt sich wie folgt dar: Ich möchte den DAC 0800LCN (http://www.national.com/ds/DA/DAC0800.pdf) wie in dem Schaltplan(siehe Anhang)zu sehen als ein simplen DA Wandler nutzen. Um die negative Versorgungsspannung zu erzeugen benutze ich das SIM"-0505S-SIL7 (http://www.ebg-darmstadt.de/pdf/SW2.pdf). Außerdem habe ich noch an dem Port 4 = I_0 ein Widerstad(R4) von 2,5kΩ angeschlossen und diesen dann auf masse gelegt. Dazu die entsprechenden Wiedersände und Spannungen: R_Ref = R15= 2,5 kΩ Port 1: liegt auf GND Port 2: liegt freiligend Port 3: gemessene neg. Versorgungsspannung liegt bei -5,5V Port 4: hier liegt das Problem, dazu später Port 5- 12: entweder GND für log. 0 oder 2,5V für log. 1 Port 13: gemessene pos. Versorgungsspannung liegt bei ca 5V Port 14: Die pos.Referenzspannung beträgt 5 V Port 15: liegt auf GND und wenn ich über R15 Messe ist dort GND Port 16: wie im schaltplan Mein Problem bei der Sache ist folgendes: egal wie ich die Ports 5-12 beschalte die Spannung die ich über R4 messe ist immer um die 3V sogar, wenn alle Bits auf GND. sind. Nach meinem verständnis müsste aber gerade bei diesem Zustand(alles GND) über R4 keine Spannung zu messen sein. Einige Messergebnisse für die Spannung über R4: Alle Bits auf GND: U_R4= 3,14 V Nur MSB(Port5) auf 1: U_R4= 3,18 V Port 5-8 auf 1: U_R4= 3,22 V Ich hoffe ich konnte das Problem eigenermassen deutlich darstellen und würde mich über hilfreiche Antworten sehr freuen. Bedanke mich schon im Vorraus Gruß Lex
Hast du dir mal das simple Bild da angeschaut: http://www.national.com/mpf/DA/DAC0800.html#Overview Ja, und nun? Die Widerstände gehen nach +10V. Und warum? Das wird klar, wenn du im DB auf Seite 6 das Bild 2 anschaust: dort gibt es wegen der Transistoren keine Möglichkeit, einen Strom "heraus" fließen zu lassen... > Nach meinem verständnis müsste aber gerade bei diesem Zustand(alles GND) > über R4 keine Spannung zu messen sein. Du mußt dein Verständnis nochmal überarbeiten: das ist kein DAC mit Spannungsausgang. > Port 14: Die pos.Referenzspannung beträgt 5 V Hast du diese Spannung am Pin 14? Dann ist was faul, denn dort muß die selbe Spannung wie am Pin 15 sein, solange der Ref-Amp korrekt arbeitet... Nur wenn am Pin 14 eine Spannung von 0V anliegt, fällt über Rref eine Spannung von 5V ab und es fließt ein Strom Iref von 2mA.
Hallo Lothar, danke erst ein mal für die schnelle antwort. erst ein mal zu deiner dritten Anmerkung: Ja ich habe mich wohl falsch ausgedrückt die spannung gegenüber GND am Port 14 ist gleich der Spannung gegenüber GND am Port 15 und über
fällt die Spannung von 5 V ab. zu der zweiten: Ich bin mehr als bereit mein Verständnis zu überarbeiten :) Bräuchte nur ein bischen Hilfe. zu der ersten: diese Verstehe ich nicht direkt, was für ein Spannungswert über
darf ich denn erwarten wenn ich alle Pins auf 0 setze. Gruß Lex
Dann schau doch mal dein gepostetes Bild an: bei Pin 2 und 4 ist ein Strompfeil in den Baustein hinein gezeichnet. Das heisst, dieser Ausgang ist als Stromsenke zu betrachten. Und wenn du deinen Widerstand mit der anderen Seite an GND legst, kann halt kein Strom nach GND fließen! Der DAC hat keinen Spannungsausgang, sondern einen Stromausgang. Deswegen musst du einen OpAmp als I/U-Wandler schalten, wenn du Spannung haben möchtest!
Hallo Helmut, danke für die Antwort, ja das leuchtet ein. So lange ich auf der suche nach einem OpAmp bin um das auszuprobieren, könnte mir dann jemand sagen, was ich dann dort über dem Wiederstand R_4) für eine Spannung messe. Gruß Lex
Das hängt von der Größe des Widerstands ab ;-) Wenn du das Ende, das nun an GND hängt, an 5V legst, fließen bei Vollaussteuerung 2mA durch den Widerstand. Die daran abfallene Spannung kannst du nach dem Ohmschen Gesetz errechnen.
entschuldigt , habe mich wieder undeutlich ausgedrückt. ich meinte was das für eine Spannung ist die ich momentan ohne OpAmp über R_4 messe(siehe erster beitrag).
Lex Jako schrieb: > ich meinte was das für eine Spannung ist die ich momentan ohne OpAmp > über R_4 messe(siehe erster beitrag). Zerbrich dir nicht den Kopf darüber: das ist irgendein Käse, der sich aus irgendwelchen Leckströmen und sonstwas ergibt... :-/
Bitte melde dich an um einen Beitrag zu schreiben. Anmeldung ist kostenlos und dauert nur eine Minute.
Bestehender Account
Schon ein Account bei Google/GoogleMail? Keine Anmeldung erforderlich!
Mit Google-Account einloggen
Mit Google-Account einloggen
Noch kein Account? Hier anmelden.
