hallo ich baue seit einiger zeit an einer neuen kräftigeren steuereung für meine cnc fräse. nach einigen beiträgen hier im forum funktioniert das ganze auch nur gibt es nach ein paar stunden betrieb immer wieder probleme. mit einem schaltplan kann ich leider nicht dienen da ich das layout in sprint erstellt habe. die steuerung besteht aus 8 mosfets (4xIRF5305 und 4xBUZ11) die eine H-Brücke bilden. vor den IRF5305 ist die im anghang befindliche treiberschaltung (allerdings mit der bedrahteten variante der transistoren). die BUZ11 werden durch nur durch einen BC548 angesteuert. die Schrittfolge wird von einem ATiny26 berechnet. die stromregeleung übernimmt ein lm358 wie im zweiten schaltplan. nun tauchen immer wieder probleme auf 1. bekommen die transistoren Q1 (BC547) der treiberstufen vom IRF5305 ab und zu eine beule auf der oberseite und der strom lässt sich dann nicht mehr sauber regeln also nur noch "stufenweise" in ca 0,5A schritten. ich konnte noch keine regelmäßigkeiten feststellen wann das passiert. Von was kommt diese beule und wie kann ich das beheben??? 2. treten aus unbekannter ursache möglicherweise durch 1. immer wieder ströme bis 5A auf obwohl nur max. 3A einstellbar sind. dadurch werden dann die mosfets die aus platzgründen ohne kühlkörper betrieben werden zu heiß. hier taucht jetzt noch eine frage von mir auf ich habe berechnet dass an den buz 11 1W verlustleistung entsteht (I=5A; RDSon=0,04Ohm bei 12V Vgs)laut datenblatt sollte die temperatur des fets dann bei 62,5 Grad+Umgebunstemperatur liegen. aber das sollte doch den fet noch nicht zerstören oder??? die schaltung soll einen 3A schrittmotor positionieren, die versorgunsspannung beträgt 20V und wird aus einem selbsgebauten netzteil geliefert. ich hoffe ich habe alles wichtige dazu geschrieben danke schonmal für eure hilfe mfg daniel
nur mal so... der P-Fet bekommt 36V auf die Mütze, laut DB sind aber nur 20V zulässig, so nickt er ab und zu mal...noch. Irgendwann hat er mal die Nase voll...
Parallel zu den FETs vermisse ich ein paar Flyback Dioden, damit der Induktionsstrom aus der Motorspule irgendwo geordnet weiterfließen kann, wenn der FET abschaltet. mfg
Daniel Münzi schrieb: > mit einem schaltplan kann ich leider nicht dienen Das ist ein größeres Problem, denn wie willst du da prinzipielle Probleme erkennen können? > die steuerung besteht aus 8 mosfets (4xIRF5305 und 4xBUZ11) die eine > H-Brücke bilden. vor den IRF5305 ist die im anghang befindliche > treiberschaltung (allerdings mit der bedrahteten variante der > transistoren). die BUZ11 werden durch nur durch einen BC548 angesteuert. > die Schrittfolge wird von einem ATiny26 berechnet. die stromregeleung > übernimmt ein lm358 wie im zweiten schaltplan. Das ist für einen Uassenstehenden schlicht unverständlich. Wo taucht in dieser Beschreibung der L298 auf? Was hat der mit den erwähnten Mosfets zu tun? > 1. bekommen die transistoren Q1 (BC547) der treiberstufen vom IRF5305 ab > und zu eine beule auf der oberseite Naja, dann sind sie hinüber, abgeraucht, kaputt... > treten aus unbekannter ursache möglicherweise durch 1. immer wieder > ströme bis 5A auf obwohl nur max. 3A einstellbar sind. Sind deine Mosfets schon auch mit im Stromregelpfad drin? > hier taucht jetzt noch eine frage von mir auf ich habe > berechnet dass an den buz 11 1W verlustleistung entsteht (I=5A; > RDSon=0,04Ohm bei 12V Vgs)laut datenblatt sollte die temperatur des > fets dann bei 62,5 Grad+Umgebunstemperatur liegen. > aber das sollte doch den fet noch nicht zerstören oder??? Woher nimmst du den Wert 40mOhm? Der gilt nur, wenn die Mosfets komplett durchgeschaltet sind. Das funktioniert aber nicht mehr sicher, wenn du die Treiber abgefakelt hast... :-o Also: zeichen einen Schaltplan. Und zwar genauso einen, der exakt zu der Schaltung passt, die du aufgebaut hast. Ein 78xx kommt in deiner Schaltung garantiert nicht vor.
erstmal danke für eure antworten @Pieter (Gast) der fet bekommt nur 13V ans gate der widerstand R2 und der transistor Q2 bilden eine konstantstromquelle wodurch über dem widerstand R1 eine Spannung von 13V abfällt. @Elektroniker (Gast) freilaufdioden sind selbsverständlich verbaut ich hab nur leider keinen vollständigen schaltplan da ich meine layouts mit sprint erstelle es könnte allerdings auch sein dass ich falsche freilaufdioden verwendet habe es sind BYV26D dioden verbaut die haben eine trr von 75ns worauf muss ich bei der auswahl der freilaufdioden noch achten? @Lothar Miller (lkmiller) in der schaltung gibt es keinen l298 weil der aus den mosfets "nachgebaut" wurde. ok ich hab nicht dazu geschrieben dass RDSon=0,04Ohm bei 12V Vgs sich auf den buz 11 bezieht und da gibt es keine probleme mit dem treiber. ich werd micht jetz wohl dran machen und nen schaltplan dafür zeichnen danke schonmal
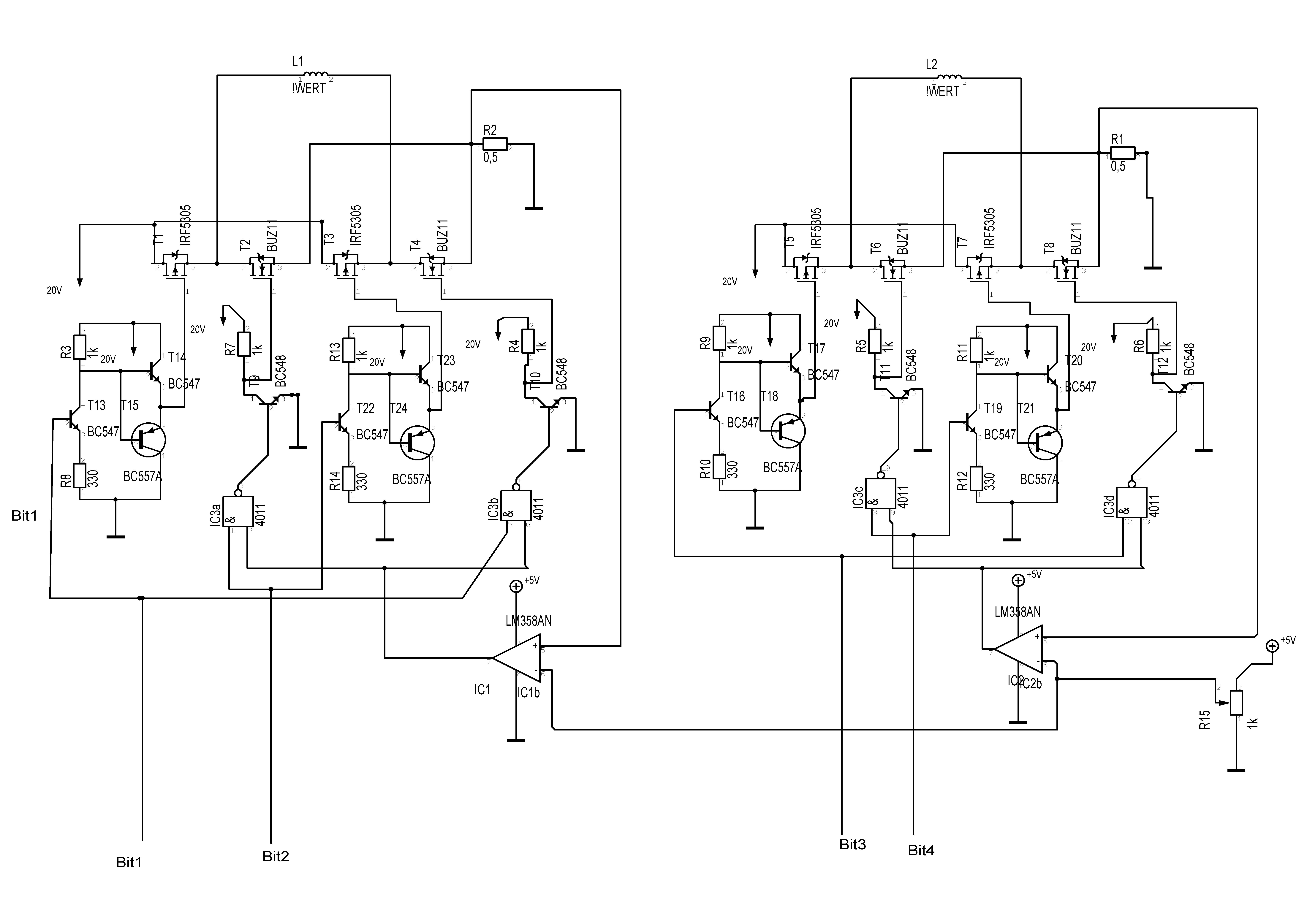
ich hab jetz mal den schaltplan so gut ich konnte erstellt hab versucht ihn so übersichtlich wie möglich zu gestalten die bits 1-4 werden von einem Attiny26 berechnet. mfg daniel
ich hab vergessen dass vor den gates der buz11 zenerdioden mit 16V sind und vor den eingängen der operationsverstärker sind auch noch dioden (siehe schaltplan erster post)
Hallo, deine Strombegrenzungsschaltung funktioniert nicht, sie gerät regelrecht ins schwingen und das wars dann. Die Schaltung schaltet zwar beim erreichen der Schwellspannung am Sense-Widerstand aus, aber unmittelbar dannach sofort wieder ein ohne zu wissen ob der Strom zwischenzeitlich unter die am Poti gewählte Grenze gefallen ist oder nicht. Nach dem nächsten mal Einschalten wird dann zwar wieder sofort erkannt dass der Strom zu hoch und abgeschaltet, aber unmittelbar dannach wieder ein, .... Das Ganze wiederholt sich so schnell wie es die parasitären Kapazitäten der Schaltung zulassen. Die Kontrolle des Stroms geht dabei völlig verloren. Abhilfe: für eine definierte AUS-Zeit sorgen, so dass der Strom ganz sicher unter der "Grenze" liegt (er fliesst nämlich zwischenzeitlich über die Freilaufdioden aufgrund der Induktivität des Motors weiter) Man könnte in die Leitung vom Sense-Resistor zum Op eine Diode schalten und einen Kondensator (vom Eingang des OP gegen Masse) laden der sich bei AUS wieder langsam über einen zum Kondensator parallel geschalteten Widerstand entlädt. Dies würde verhindern dass sofort nach AUS wieder eingeschaltet wird. Die Zeitkonstante des RC-Glieds müsste man durch Versuch ermitteln. (Grössenordnug 680pF und 15k ( etwa 10usec) sollten reichen) mas sehen was andere sagen !!! Viel Spass noch
auch dir erstmal danke für deine mühe in der fertig aufgebauten schaltung ließ sich der strom eigentlich einstellen also wenn ich das poti runtergedreht hab ist der strom auch gefallen bzw umgekehrt. zudem wird diese schaltung auch bei der schchrittmotorkarte von pollin verwendet darum dachte ich dass es keine probeleme geben dürfte. im anhang ist nochmal der schaltplan von pollin. meine schaltung unterscheidet sich nur dadurch dass der l298 mit einzelnen mosfets aufgebaut ist. ich dachte wenn die spannung am shunt größer wird als die referenzspannung schaltet der op die fet´s ab. dadurch fließt kein strom mehr die spannung überm shunt ist also auch aus. darum schaltet der op die fet´s wieder ein die spannung steigt wieder..... bis sich das ganze eingependelt hat. ich muss allerdings zu geben ich hab die schaltung nur nachgebaut ich hab keine ahnung wie lang es dauert bis sich die regelung eingeschwungen hat. wenn ich mir deinen post durchles erscheints mir schon logisch aber was mich verunsichert ist dass die schaltung von pollin genauso aufgebaut ist.(unterschied: ich nutze beide op´s des lm358)
Hallo, vieles was bei kleinen Strömen geht, geht bei höheren nicht mehr. In der Schaltung von Pollin ist der L298, da sind Transistoren drin, die dämpfen den Stromfluss ganz anders als FET's. "Langsamer" Anstieg, relativ grosse Kapazitäten und und und ... Die Pause beim Abschalten ist viel länger. FET's dagegen schalten quasi schlagartig ... Bei dieser Art von Regelung muss man sicherstellen, dass der Strom (Spannung am Sense-Widerstand) während der Abschaltpause unter die eingestellte Grenze sinkt, sonst wächst er mit jedem EIN-AUS Zyklus an. Messe mal die Spanung an deinen Sense-Widerständen mit einem Oszi, und du wirst sehen, da pendelt sich nichts ein, es schwingt wie verrückt und die Spannung (Strom) wird innerhalb eines Schritts des Schrittmotors immer grösser. Beim nächsten Schritt beginnts von vorne. Bei langsamen Fahrten (lange Schrittzeiten) wird nahezu der Wert den Motorwiderstand und Sense-Widerstand erlauben erreicht und bei Stillstand (ohne Abschaltung) sowieso. Ich hoffe du hast Zugang zu geeigneten Messmitteln, dann hast du das Problem schnell im Griff. Viel Spass noch !!!
ja oszi hab ich ich werd mal versuchen mir das anzuschauen und hoffentlich bald mal eine lösung finden danke derweil
also ich hab jetz mal mit dem oszi gemessen die spannung oben ist die spannung die am shunt gemessen wurde und die untere ist die referenzspannung. die spannung am shunt ist glaub ich ganz ok aber was mich völlig verwirrt ist die referenzspannung ich habe eigentlich eine relativ gerade linie erwartet die bei 1V liegt aber hier habe ich ja nur ca. 0,25V und diese spannungsspitzen (sind das störimpulse vom motor??). woher kann diese "komische" referenzspannung kommen?? die einstellungen am oszi sind bei beiden kanälen 0,5V/DIV und 20µs. der strom über dem 0,5Ohm shunt sind 2A.
ich hab jetz durch zufall zwischen der basis von einem bc548 und 5V einen 100nf kondensator gelötet und siehe da die "zacken" verschwinden. auf der referenzspannung sind aber immer noch deutlich die einschaltimpulse der motorspulen zu erkennen. kann mir jemand erklären wie diese impulse auf die referenzspannung kommen?
Hallo Daniel, ich hab mir jetzt mal deinen Plan nochmal genau angeschaut und kann leider die wichtigen Details nicht richtig erkennen. Aber kann es sein, dass du die Highside-Switches (IRF5305) falsch gepolt hast? Auf dem Plan siehts zumindest so aus obwohl ich die Pfeile nicht richtig erkennen kann. Überprüf das !!!! mfG Rolle
Noch ein Nachtrag: Sollte die Verpolung der Fall sein, dann erklärt das vieles. Die gesamte Versorgungsspannung bricht ein (die Dinger halten 30A aus) denn dann hast du zumindest einen Kurzschluss auf der Platine und die Referenzspannung ist dann auch weg und und... Zum Glück fliesst der Strom nicht über Motor und Sennse-Widerstand. Sollte es das sein heisst das aber nicht dass die Schaltung nach der Korrektur funktioniert !!! Teste sie mit einem Leistungswiderstand (200 Ohm -> maximal 100mA, 2 Watt) statt dem Motor, denn das Problem mit der Stromregelung ist dann immer noch da. mfG Rolle
also die irf sind richtig angeschlossen (kann sein dass ichs im schaltplan vertauscht hab aber auf der platine sind sie richtig) wenn ich den kondensator einlöte verlängert sich wie du geschrieben hast die "aus" zeit aber ich kann den strom nicht mehr unter 1,8A drehen weil er dann sofort auf 0 zusammenbricht. außerdem ist nur noch sehr langsames fahren mit dem schrittmotor möglich.
Also, es hilft nicht, der Zusammenbruch der Referenzspannung sieht einfach nach Kurzschluss aus. Der 100nF Kondensator an der Basis des BC548 ist an der Stelle auch nicht gut - er wird dir über kurz oder lang den 4011 überlasten (und zerstören?) und verhindert effektiv ein schnelles EIN/AUS-schalten zur Stromregelung. Prüf nochmal alles auf Kurzschluss und eventuell schon defekte Fets
ich hab jetzt die gesammte platine nochmal überprüft und neu aufgebaut das problem besteht weiterhin. da ich mich für eine selbstgebaute stromregelung scheinbar zu blöd anstelle hab ich mir jetzt überlegt statt dem tiny26 und der stromregelung einen l297 zu verwenden. gibt es dann wieder probleme mit dem abschalten der fets (wie du in deiner 2ten antwort geschrieben hast)oder funktioniert das?
Die Schaltung mit dem L297 funktioniert (fast) sicher, da bist du auf der sicheren Seite. Obwohl, die Probleme bestehen prinzipiell auch dort, nur dort gibt es einen Oszillator der das EIN/AUS-Schalten (choppen) steuert und (fast) sicher funktioniert. Nur wenn die Frequenz sehr ungünstig liegt (Einschalten sofort nach Ausschalten) bekommst du Probleme. Aber da kannst du durch verändern des RC-Glieds die Frequenz sehr leicht ändern. Nur du solltest nicht zu schnell aufgeben! Wie gesagt, auf dem Bild (Oszi) sieht alles nach Kurzschluss aus !!! schau (ohne Motor) ob alle Steuersignale (Bit 1..4) sauber an den Gates der FETs ankommen (dann ist der Transistorteil Ok) schau ob der zeitliche Zusammenhang deiner Steuersignale Bit 1..4 stimmt (nicht dass du absichtlich einen Kurzschluss machst) messe hier auch direkt an den Gates, um Verzögerungen im Transistorteil zu berücksichtigen und Überlappungen der Einschaltzeit der Highside/Lowside FETs auszuschliessen Versuche ob du (mit dem Oszi) einen zeitlichen Zusammenhang des Zusammenbrechens der Referenz und eines deiner Steuersignal Bit1,2,3.. erkennen kannst schau ob alle FETs schalten (mit Widerstand als Spulenersatz) Du hast soviel Testmöglichkeiten !!!
ich werd mich nochmal durch die schaltung arbeiten und versuchen es hin zu bekommen. wenn ichs wieder nicht schaff versuch ichs mal mit dem l297. danke für deine hilfe schönes wochenende
Hi, die Treiberstufe für den P-Fet auf dem ersten Bild ist Murks, das kann nicht gehen. Wenn die Basis von Q2 5V ist, liegt am Kollektor etwa 4,4V, daß da 13mA fliessen, spielt keine Rolle. Damit liegt das Gate auch etwa dort und bekommt fast -30V ab.
Bitte melde dich an um einen Beitrag zu schreiben. Anmeldung ist kostenlos und dauert nur eine Minute.
Bestehender Account
Schon ein Account bei Google/GoogleMail? Keine Anmeldung erforderlich!
Mit Google-Account einloggen
Mit Google-Account einloggen
Noch kein Account? Hier anmelden.




